GM Service Manual Online
For 1990-2009 cars only
Makes
🢒
Opel
🢒
2008
🢒
GT
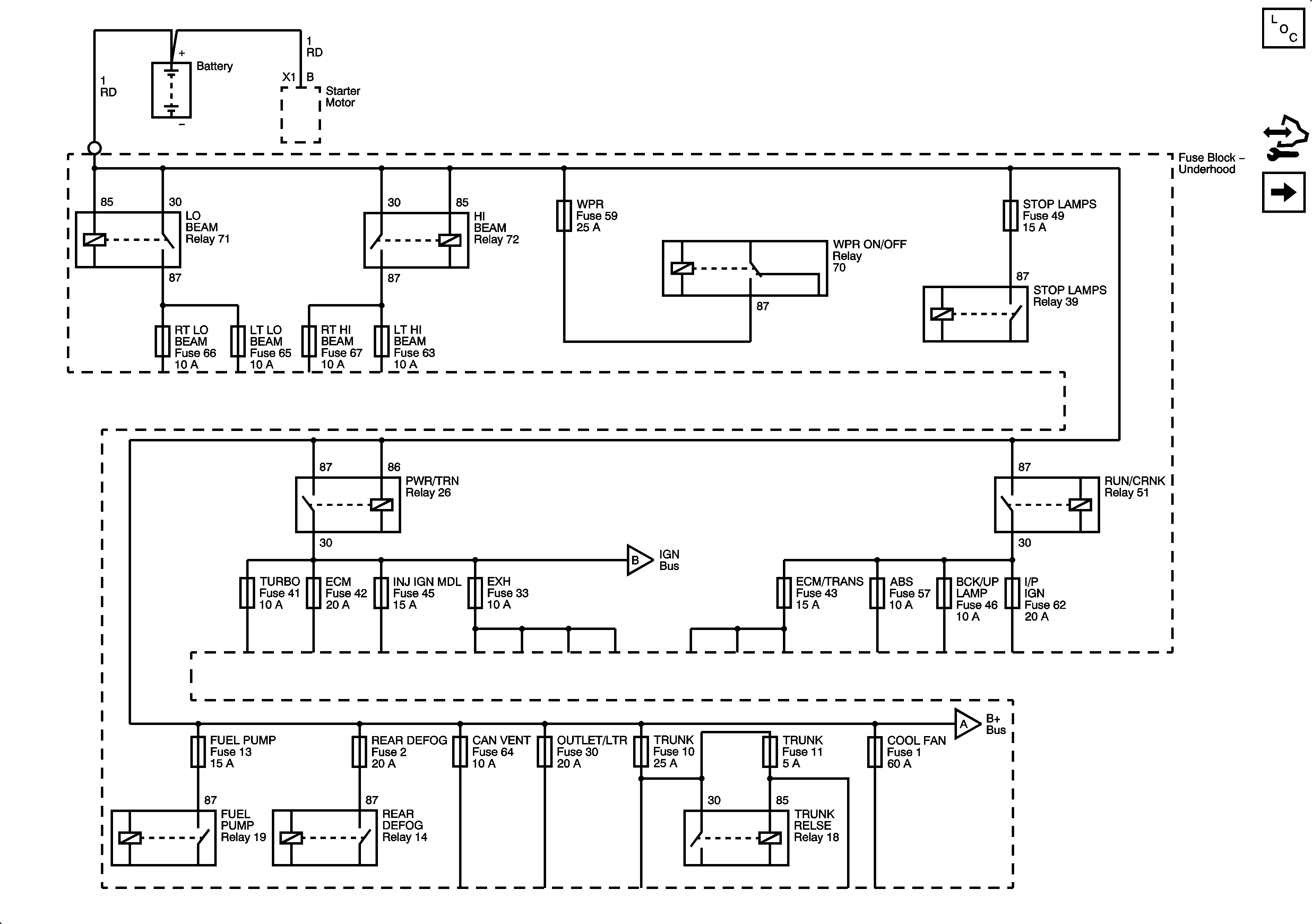
🢒 B+ Bar - 1 of 2
B+ Bar - 1 of 2
B+ Bus Bar - 1 of 2
Master Electrical Component List
Control Module References
B+ Bar - 2 of 2
B+ Bar - 2 of 2
B+ Bar - 2 of 2