GM Service Manual Online
For 1990-2009 cars only
Makes
🢒
Opel
🢒
2008
🢒
GT
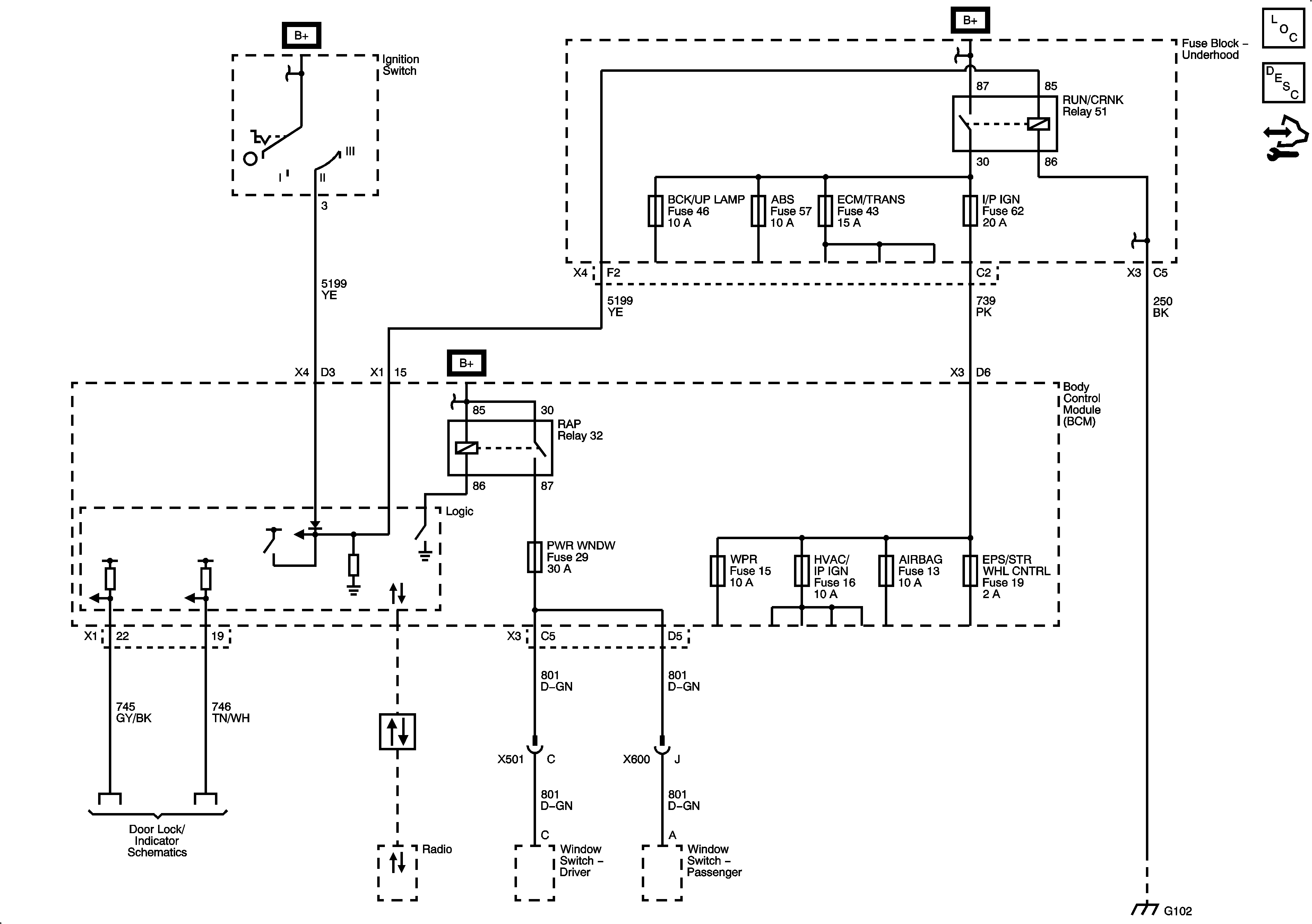
🢒 Power Moding Schematics
Power Moding Schematics
Master Electrical Component List
Power Mode Description and Operation
Control Module References
Data Communication Schematics
Door lock/Indicator Schematics
G101 and G102