GM Service Manual Online
For 1990-2009 cars only
Makes
🢒
Opel
🢒
2009
🢒
GT
🢒
Body Systems
🢒
Lighting
🢒 Exterior Lights Schematics
Figure
1:
Backup and Stop Lamps
Figure
2:
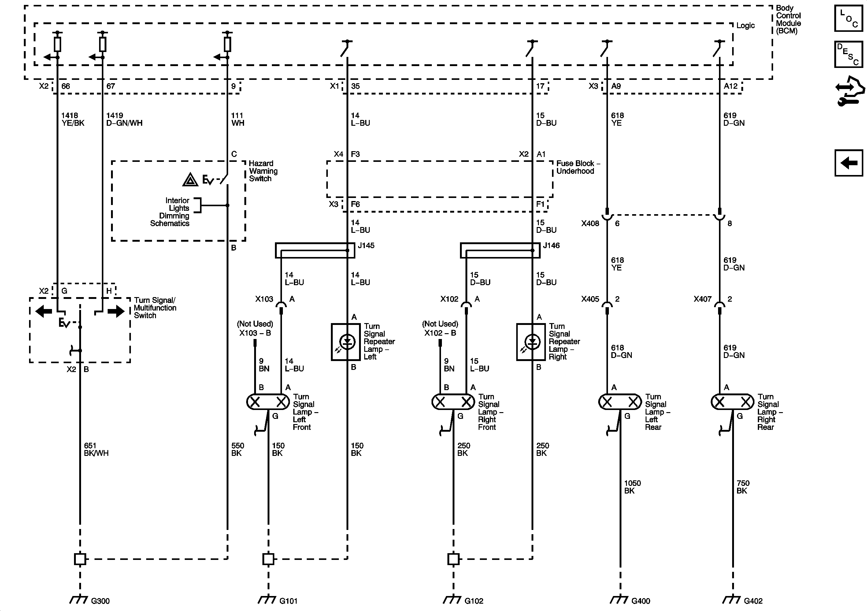
Turn Signals and Hazard Lamps
Figure
3:
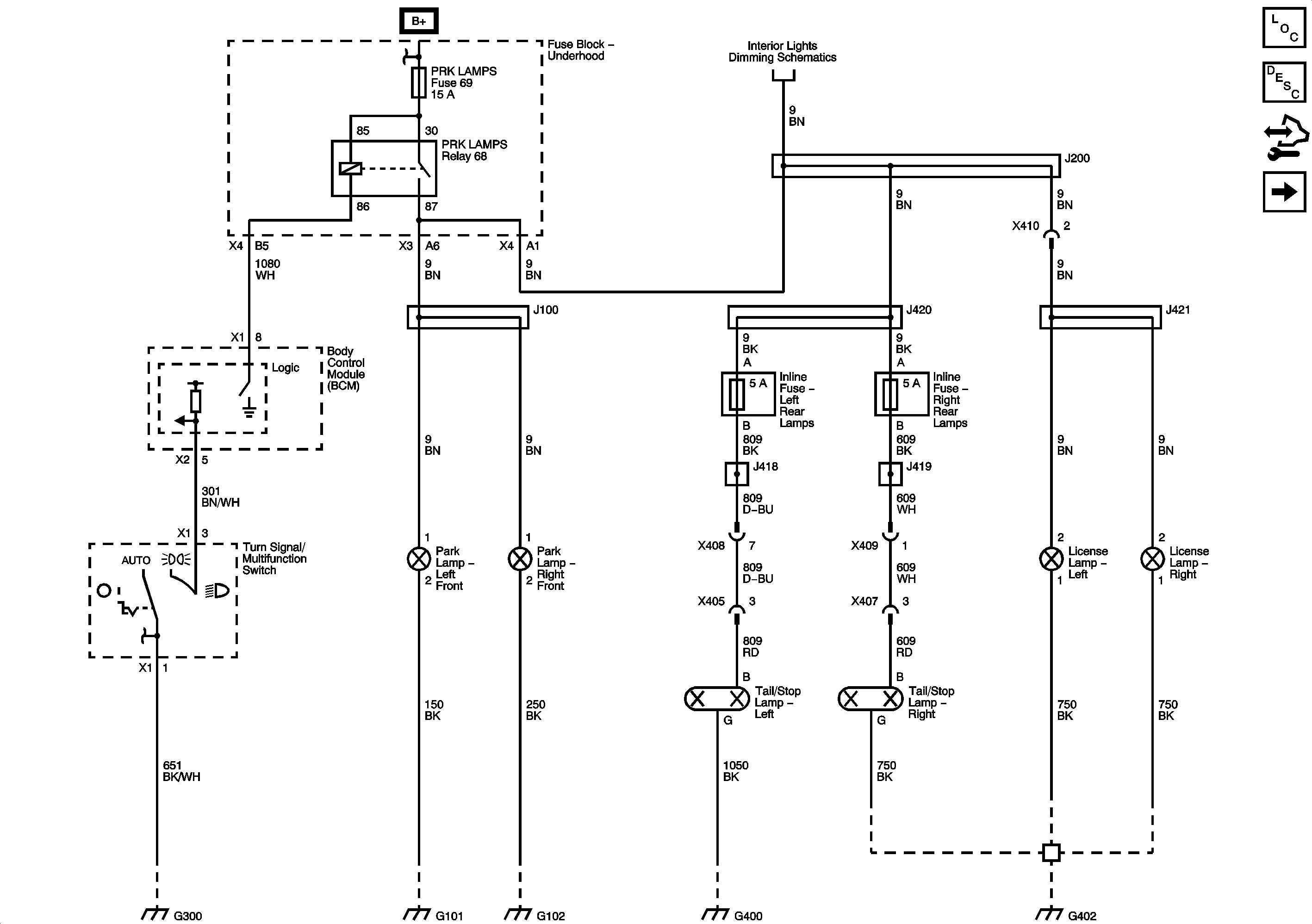
Park Lamps