GM Service Manual Online
For 1990-2009 cars only
Makes
🢒
Opel
🢒
2009
🢒
GT
🢒
Power and Signal Distribution
🢒
Data Communications
🢒 Instrument Cluster Schematics
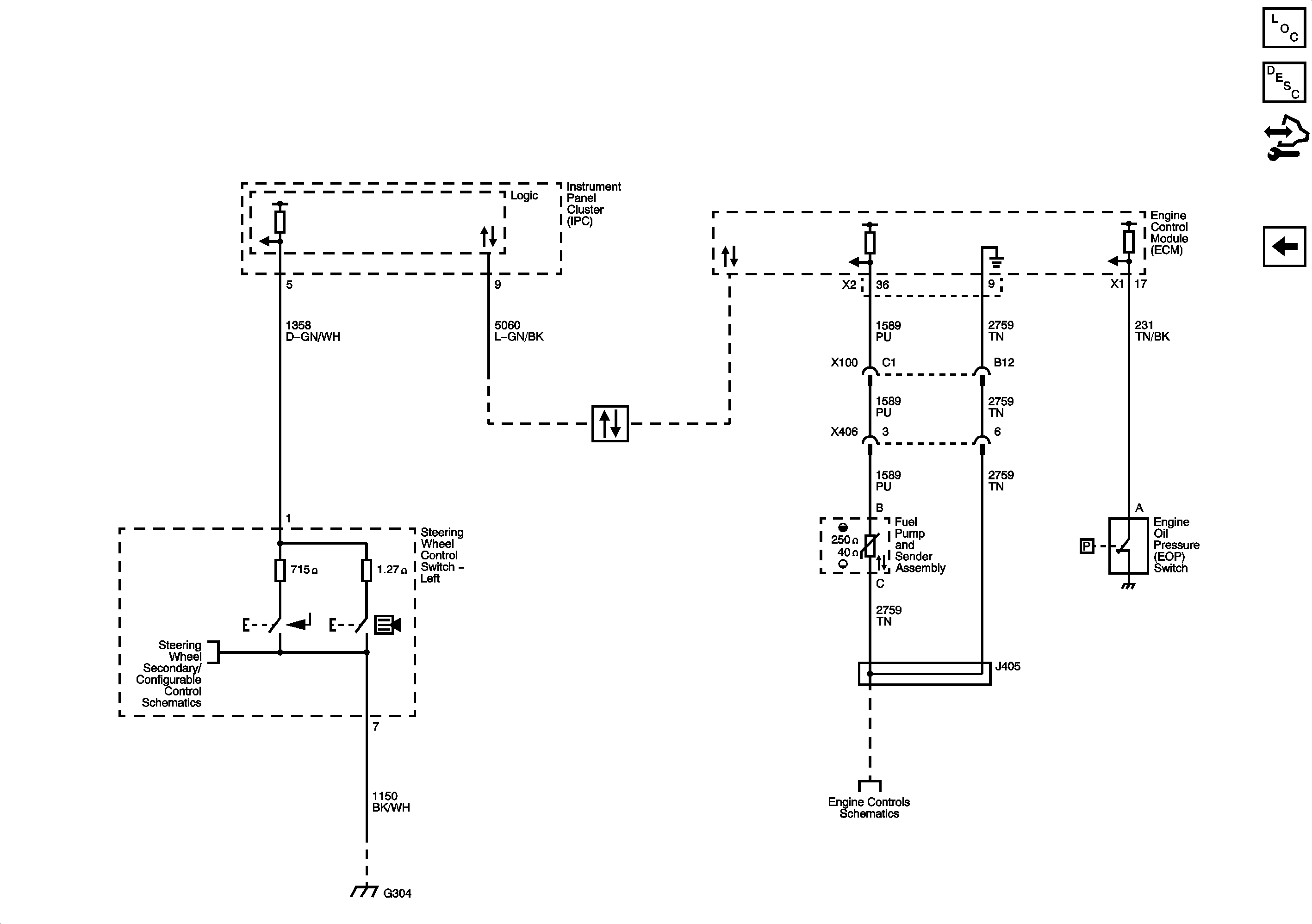
Figure
1:
Instrument Cluster
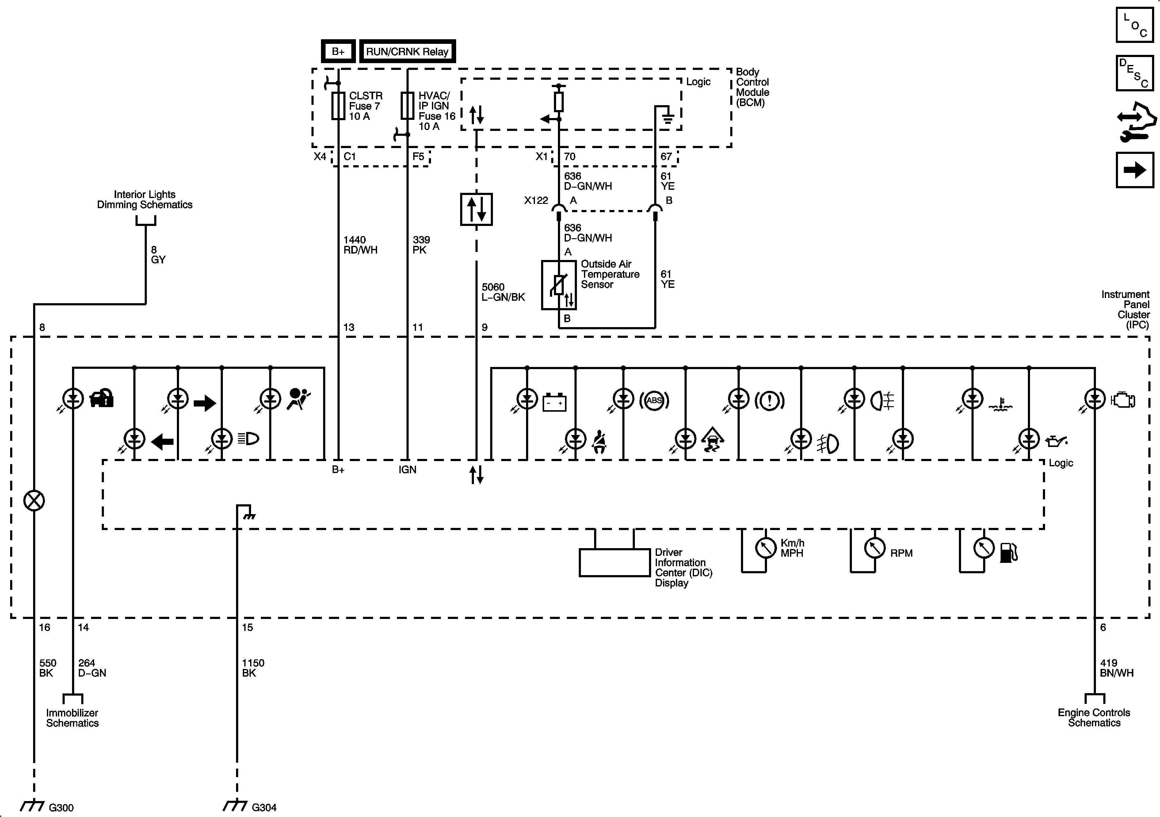
Figure
2:
Sensors and Switches