GM Service Manual Online
For 1990-2009 cars only
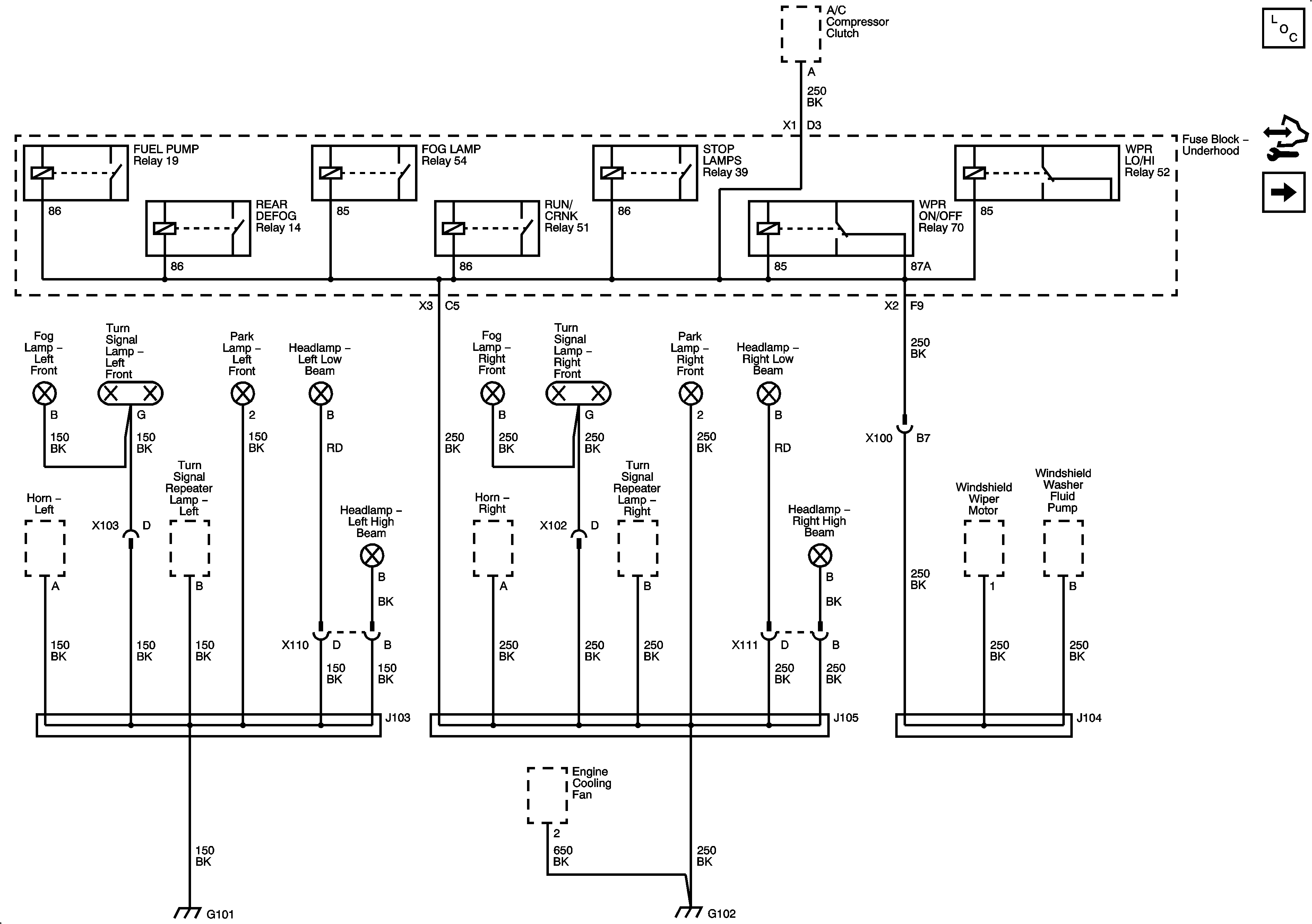
Figure 1:

G101 and G102


Object Number: 2049969  Size: FS
Master Electrical Component List
Control Module References
G103, G104, G105, G106, G304
B+ Bar (1 of 2)
Figure 2:

G103, G104, G105, G106, G304


Object Number: 2049971  Size: FS
Master Electrical Component List
Control Module References
G300 (1 of 2)
G101 and G102
Master Electrical Schematic Icons
Master Electrical Schematic Icons
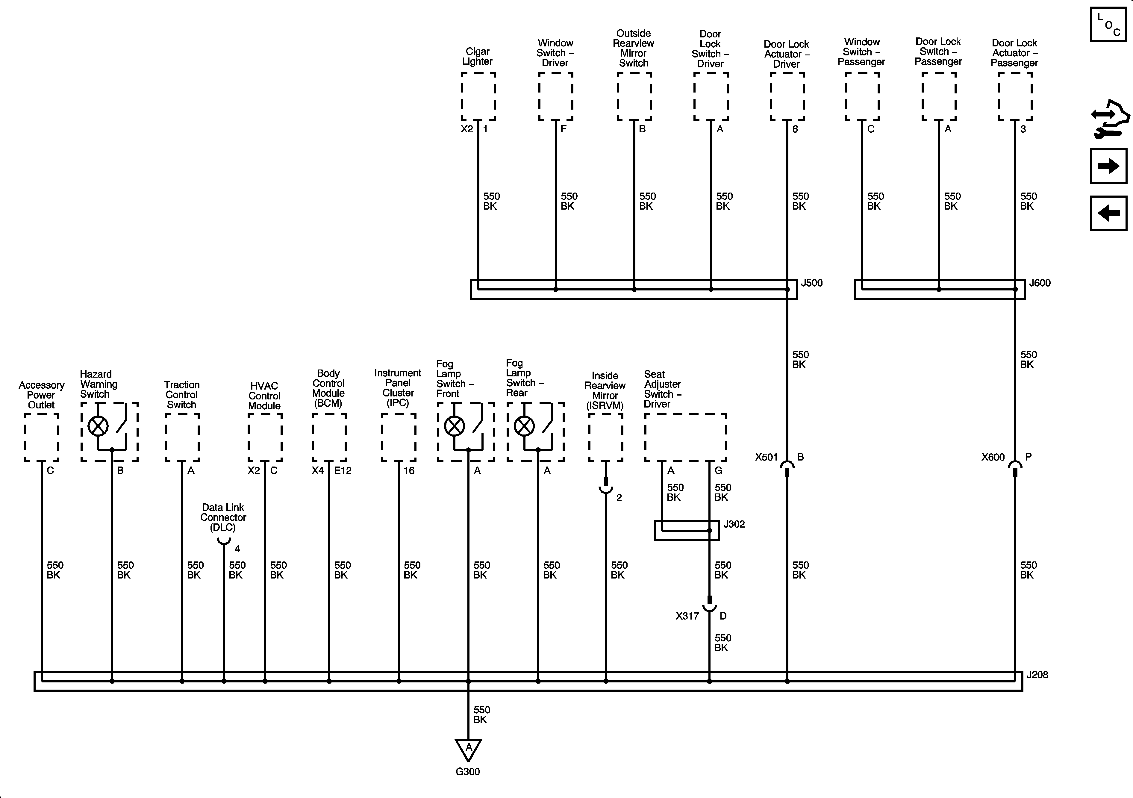
Figure 3:

G300 (1 of 2)


Object Number: 2049973  Size: FS
Master Electrical Component List
Control Module References
G300 (2 of 2)
G103, G104, G105, G106, G304
G300 (2 of 2)
Figure 4:

G300 (2 of 2)


Object Number: 2049975  Size: FS
Master Electrical Component List
Control Module References
G301, G302, G303, G400, G402
G300 (1 of 2)
G300 (1 of 2)
Figure 5:

G301, G302, G303, G400, G402


Object Number: 2049977  Size: FS
Master Electrical Component List
Control Module References
G300 (2 of 2)