GM Service Manual Online
For 1990-2009 cars only
Makes
🢒
Opel
🢒
2009
🢒
GT
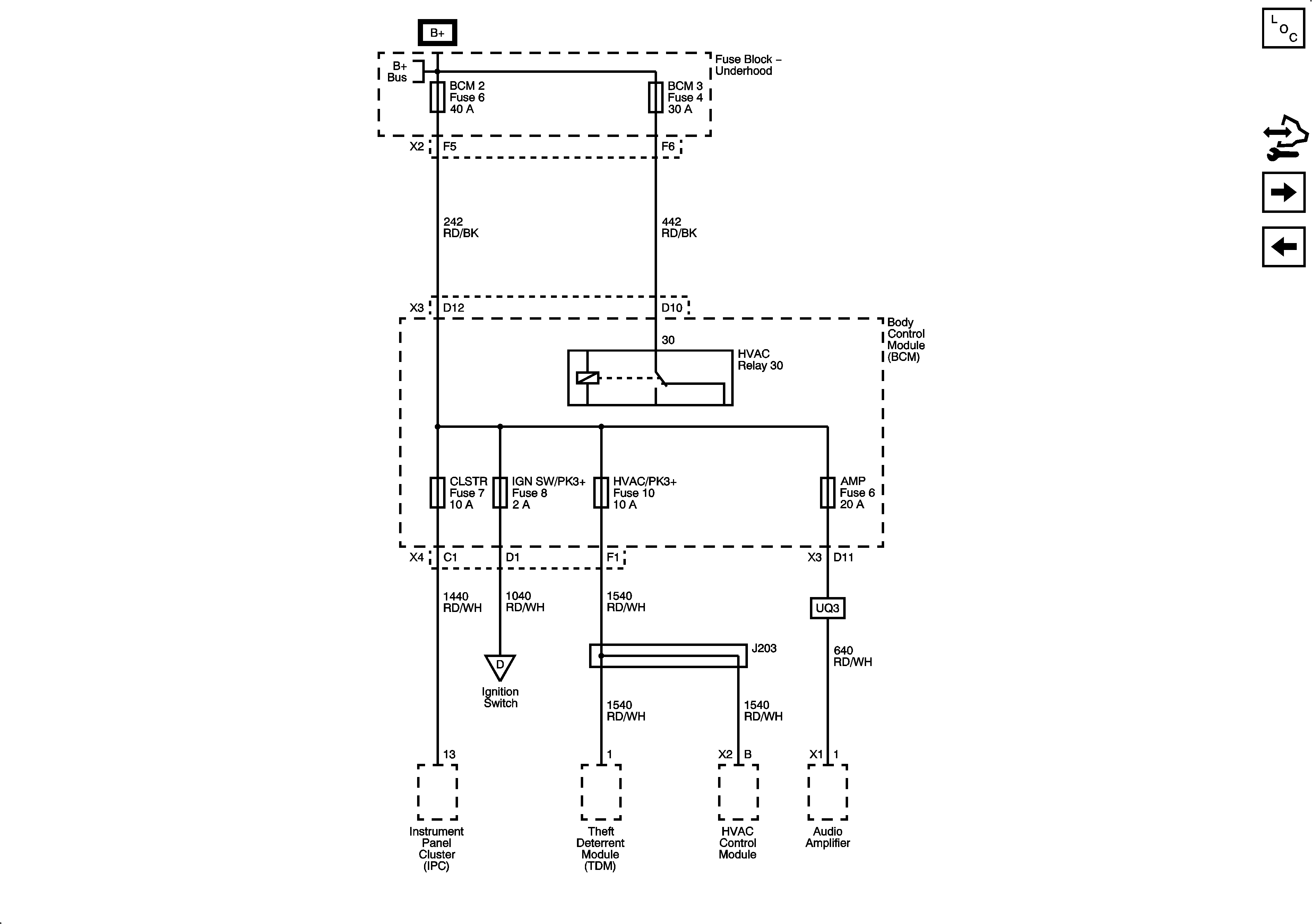
🢒 BCM 2, BCM 3, CLSTR, IGN SW/PK3+, HVAC/PK3+, and AMP Fuses
BCM 2, BCM 3, CLSTR, IGN SW/PK3+, HVAC/PK3+, and AMP Fuses
BCM 2, BCM 3, CLSTR, IGN SW/PK3+, HVAC/PK3+, and AMP Fuses
Master Electrical Component List
Control Module References
Ignition Switch Modes
BCM, PWR WNDW, DR LCK, INT LIGHT, ECM/TCM, SDM, and RDO Fuses
B+ Bar (2 of 2)
B+ Bar (2 of 2)
B+ Bar (2 of 2)
B+ Bar (2 of 2)
Ignition Switch Modes