GM Service Manual Online
For 1990-2009 cars only
Makes
🢒
Opel
🢒
2009
🢒
GT
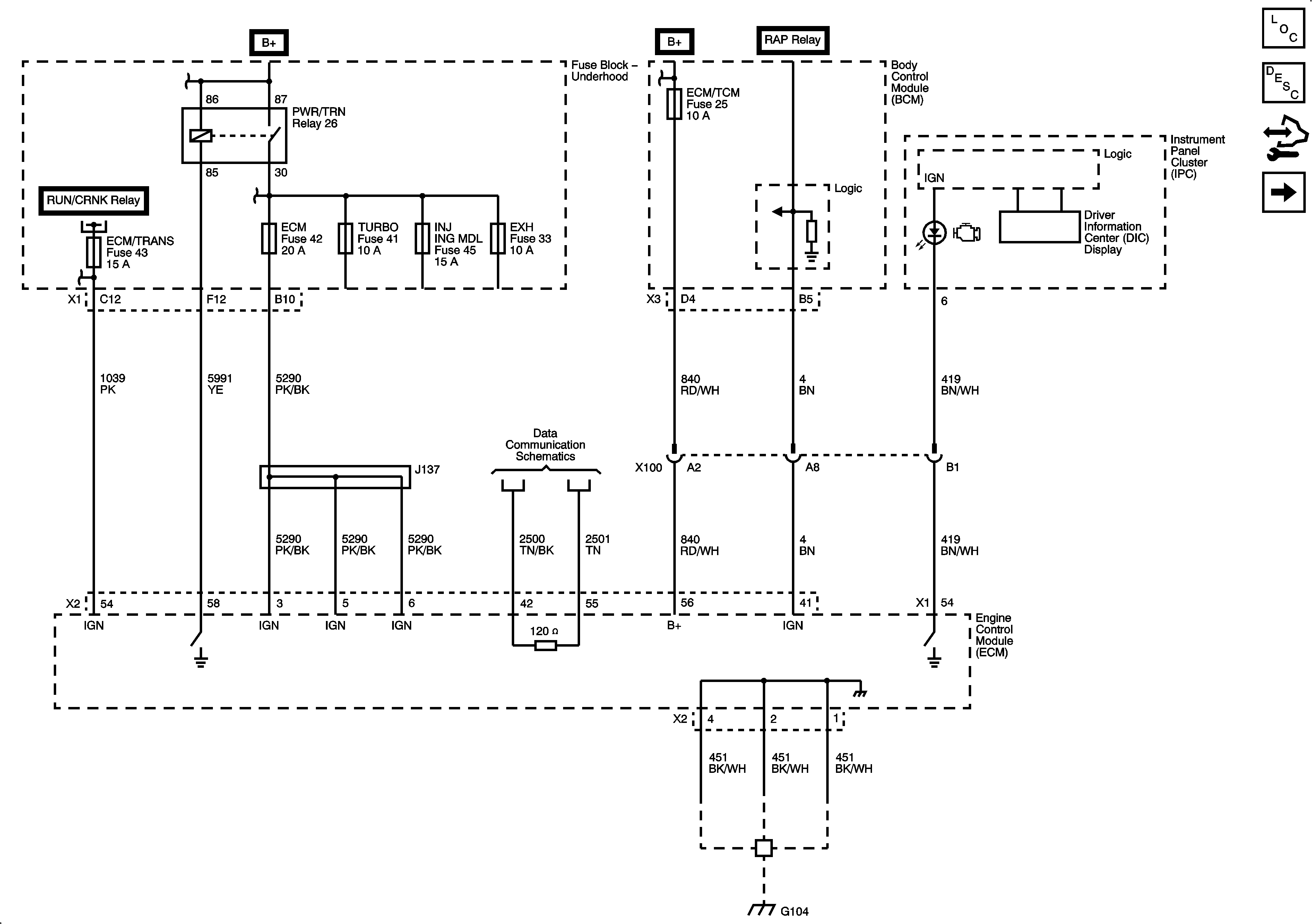
🢒 Power, Ground, Data Link, and MIL
Power, Ground, Data Link, and MIL
Power, Ground, Data Link, and MIL