GM Service Manual Online
For 1990-2009 cars only

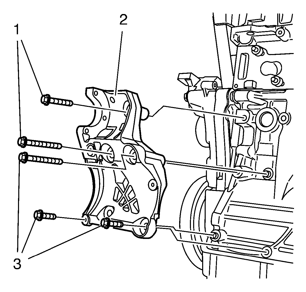
    Object Number: 2026602  Size: SH
  1. Install the air conditioning compressor and power steering pump bracket (2).
  2. Caution: Refer to Fastener Caution in the Preface section.

  3. Install the 5 air conditioning compressor and power steering pump bracket bolts (1, 3) and tighten to  50 N·m (37 lb ft).