GM Service Manual Online
For 1990-2009 cars only

ON-CAR SERVICE W/AWD TRANS. EXCHANGE PROCEDURE

BULLETIN COVERS:

On-car service and exchange procedure information regarding the THM A-1/HYDRA-MATIC 3T40-A transmission, which is a THM 125C/HYDRA-MATIC 3T40 equipped with an all-new transfer unit introduced in the 1988 Pontiac STE All Wheel Drive.

SERVICE ACTION:

All THM A-1/HYDRA-MATIC 3T40-A on-car service should be performed at the dealership. Presently the THM A-l/HYDRA-MATIC 3T40-A Transmission is on an exchange program until further notice.

Units requiring the removal of the Torque Converter, Transfer Unit and/or Transmission from the vehicle, are to be returned to Hydra-matic Division under terms of the THM A-1/HYDRA-MATIC 3T40-A Transmission Exchange Program.

SERVICE INFORMATION:

Transmission Identification Information Transmission Cooler Flushing On-Car Serviceable Components Preliminary Check and Transmission Exchange Procedure

Transmission Identification Information: (Figure 1)

Transmission Cooler Flushing:

Transmission cooler flushing must be performed whenever a THM A-1/HYDRA-MATIC 3T40-A transmission is replaced. The cooler flushing tool, Kent-Moore number J35944, is an essential tool and must be used to properly flush the cooler and lines. Labour Time Guide Operation K7000, Transmission/Transaxle - Replace, includes time allowance for transmission cooler system flushing.

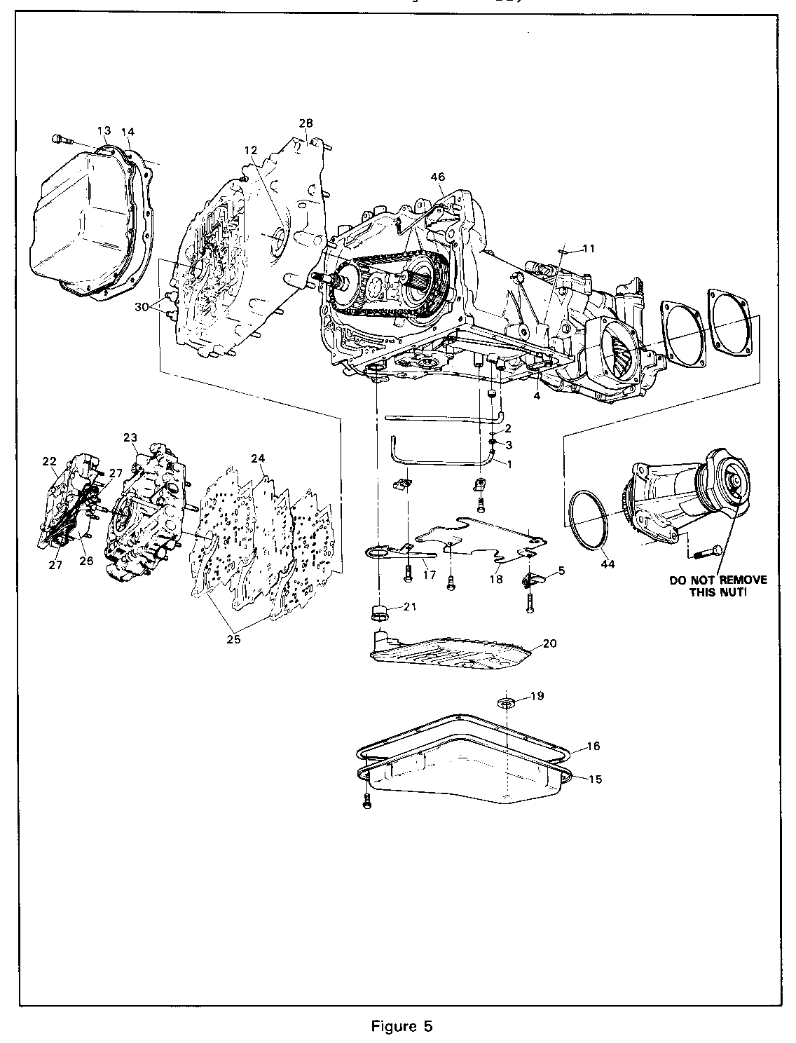
On-Car Serviceable Components: (Figures 2, 3, 4, 5, 6, 7 and 8)

The list of THM A-1 components, illustrated in Figure 3, can be serviced on-car by the dealer technician.

SERVICE MANUAL REFERENCE:

This bulletin contains a Wiring Diagram (Figure 2), Line Pressure Chart and Shift Speed Chart which is not available in the 1988 Pontiac STE All Wheel Drive Service Manual Supplement. Refer to the On-Car Service Section 7A1 in the 1988 Pontiac STE All Wheel Drive Supplement whenever any on-car service is necessary.

Transmission Exchange Procedure:

Requests for a THM A-1/HYDRA-MATIC 3T40-A will be handled through the Technical Assistance.

Technical Assistance will establish a Case Number which will be forwarded to Hydra-matic for an exchange. Note: Oil Pressure readings must be taken before calling Technical Assistance.

The information needed to obtain an exchange unit is shown in Figure 8.

The dealership will be mailed an envelope containing the following:

Return shipping label Reporting form Leak identification charts

Transmission Exchange Procedure Instructions Information Tag (to be wired to unit being returned)

Remove all plastic shipping plugs and covers from the exchange unit (new) and install them on the original assembly.

Repack the original transmission into the shipping container and place proper shipping label and information on container.

The Technical Assistance Consultant will need a detailed description of the transmission's condition (after a road test for operational transmissions).

Transmissions must be returned complete, as removed from the vehicle, without examination other than outlined in On-Car Service. Dealerships returning units that have been partially disassembled will be billed for all materials furnished for violating this exchange procedure.

PRELIMINARY CHECK PROCEDURE

CHECK TRANSMISSION OIL LEVEL, CHECK AND ADJUST T.V. CABLE CHECK OUTSIDE MANUAL LINKAGE AND CORRECT, CHECK ENGINE TUNE INSTALL OIL PRESSURE GAGE*, CONNECT TACHOMETER TO ENGINE CHECK OIL PRESSURES IN THE FOLLOWING MANNER:

Minimum T.V. Line Pressure Check

Set the T.V. cable to specification; and with the brakes applied, take the line pressure readings in the ranges and at the engine r.p.m.'s indicated in the chart below.

Full T.V. Line Pressure Check

Full T.V. line pressure readings are obtained by tying or holding the T.V. cable to the full extent of its travel; and with the brakes applied, take the line pressure readings in the ranges and at the engine r.p.m.'s indicated in the chart below.

CAUTION

Brakes must be applied at all times. NOTICE Total running time for this combination not to exceed 2 minutes.

MINIMUM T.V. MAXIMUM T.V RANGE PBS MODEL kPa P.S.I. kPa P.S.I. ----- --------- --- ------ ---- ------- Park at 459-507 66-73 459 -507 66 -74 1000 RPM Reverse at 775-883 112-124 1926-2151 279-312 1000 RPM Neutral/ Drive at 459-505 66-73 1143-1276 166-185 1000 RPM

Intermediate/ Lo at 1151-1267 167-184 1151-12671 167-184 1000 RPM

Line pressure is basically controlled by pump output and the pressure regulator valve. In addition, line pressure is boosted in Reverse, Intermediate and Lo by the reverse boost valve.

Also, in the Neutral, Drive and Reverse positions of the selector lever, the line pressure should increase with throttle opening because of the T.V. system. The T.V. system is controlled by the T.V. cable, the throttle lever and bracket assembly and the T.V. link, as well as the control valve pump assembly.

"THM A-1/HYDRA-MATIC 3T40-A" SHIFT SPEED CHART

FINAL 1-2 MIN. 2-3 MIN. 3-2 PART 3-2 COAST 2-1 COAST 2-1 MAN MODEL DRIVE THROTTLE THROTTLE THROTTLE DOWN DOWN LOW ----- RATIO --------- -------- -------- ---- ---- --- ----- PBS 2.84 9-12 20-21 43-50 18-20 6-10 43-49


Object Number: 80401  Size: FS


Object Number: 79221  Size: FS


Object Number: 78099  Size: FS


Object Number: 84453  Size: FS


Object Number: 79220  Size: FS


Object Number: 79219  Size: FS


Object Number: 80400  Size: FS


Object Number: 80399  Size: FS

General Motors bulletins are intended for use by professional technicians, not a "do-it-yourselfer". They are written to inform those technicians of conditions that may occur on some vehicles, or to provide information that could assist in the proper service of a vehicle. Properly trained technicians have the equipment, tools, safety instructions and know-how to do a job properly and safely. If a condition is described, do not assume that the bulletin applies to your vehicle, or that your vehicle will have that condition. See a General Motors dealer servicing your brand of General Motors vehicle for information on whether your vehicle may benefit from the information.