GM Service Manual Online
For 1990-2009 cars only
Makes
🢒
Pontiac
🢒
2001
🢒
Aztek - AWD
🢒
Engine
🢒
Engine Electrical
🢒 Starting and Charging Schematics
Figure
1:
Starting
Master Electrical Component List
Starting System Description and Operation
Charging
Fuse Block-Underhood Fuse: 19 Fuse Block-Center Console Fuses: IGN 1 MDL, SIR, INTEMM and BCM-ACCY
Fuse Block-underhood Buss
Fuse Block-Underhood Fuse: 48 Fuse Block-Center Console Fuses: BCM LHZD FL HUD RADIO RD AMP and IP MDL
Fuse Block-Underhood Fuse: 47 Fuse Block-Center Console Fuses: INKEY, KEY SOL, IGN 0, FRT BLWR, IGN 3 and HVAC
Fuse Block-Underhood Fuse: 48 Fuse Block-Center Console Fuses: BCM LHZD FL HUD RADIO RD AMP and IP MDL
Fuse Block-Underhood Fuse: 47 Fuse Block-Center Console Fuses: INKEY, KEY SOL, IGN 0, FRT BLWR, IGN 3 and HVAC
Fuse Block-Underhood Fuse: 19 Fuse Block-Center Console Fuses: IGN 1 MDL, SIR, INTEMM and BCM-ACCY
Fuse Block-Underhood Fuses: 27, 31 and 33 Fuse Block-Center Console Fuse: TURN SIG
Ground G111
Ground G100
Fuse Block-Underhood Fuses: 27, 31 and 33 Fuse Block-Center Console Fuse: TURN SIG
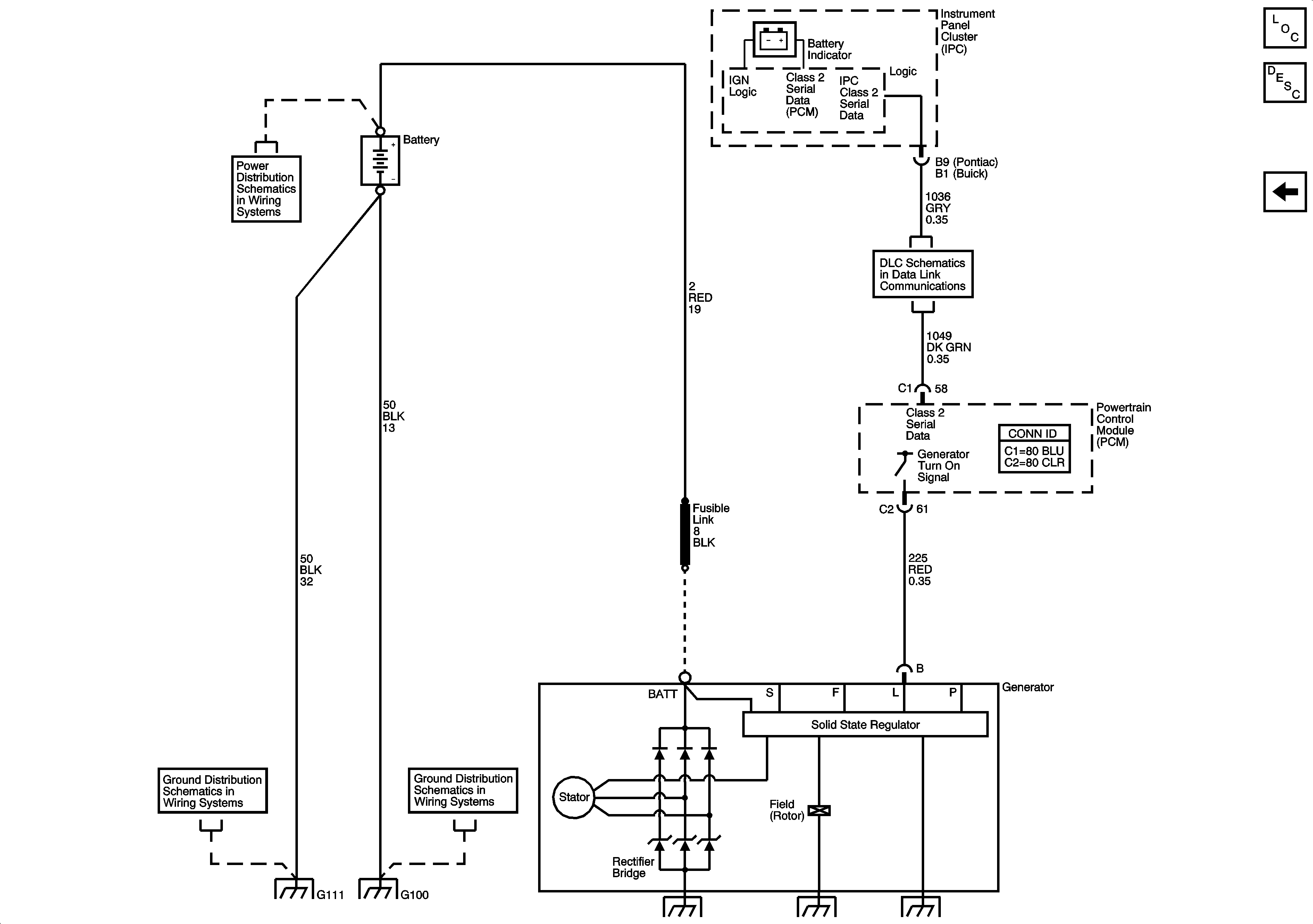
Figure
2:
Charging
Master Electrical Component List
Charging System Description and Operation
Fuse Block-underhood Buss
Starting
Data Link Communications Schematics - GMT250
Ground G111
Ground G100