GM Service Manual Online
For 1990-2009 cars only
Figure 1:

Power, Ground, DLC, MIL


Object Number: 623555  Size: FS
Master Electrical Component List
Powertrain Control Module Description
Ignition System, Knock Sensor
Fuse Block-Underhood Fuses: 32, 36, 9, 5, and 28
Fuse Block-Underhood Fuses: 27, 31 and 33 Fuse Block-Center Console Fuse: TURN SIG
Fuse Block-Underhood Fuses: 27, 31 and 33 Fuse Block-Center Console Fuse: TURN SIG
Fuse Block-Underhood Fuse: 47 Fuse Block-Center Console Fuses: INKEY, KEY SOL, IGN 0, FRT BLWR, IGN 3 and HVAC
Ground G111
Data Link Communications Schematics - GMT250
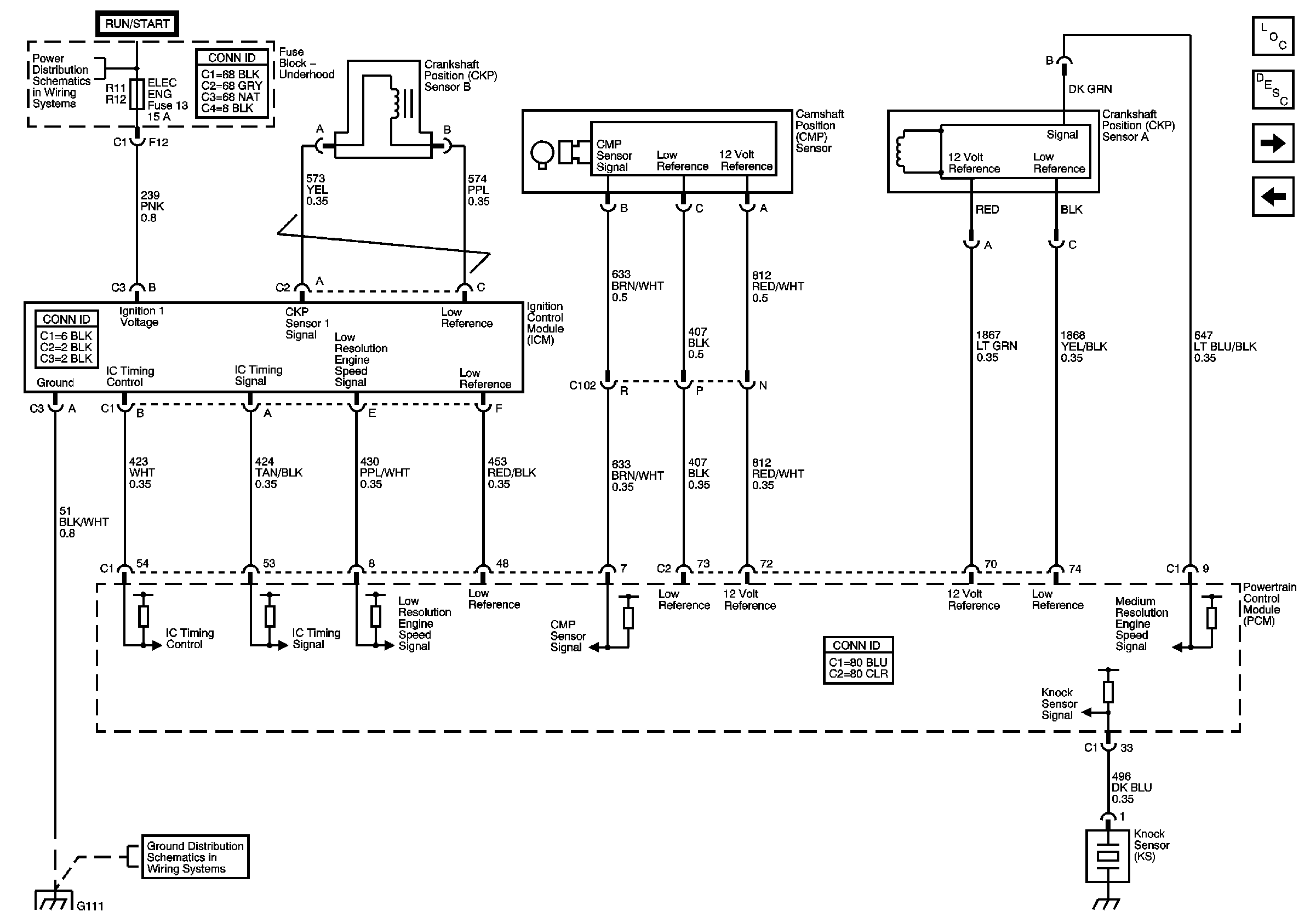
Figure 2:

Ignition System, Knock Sensor


Object Number: 623556  Size: FS
Master Electrical Component List
Electronic Ignition (EI) System Description
Fuel Injectors
Power, Ground, DLC, MIL
Underhood Fuses: 4, 6, 10, 27 and 30
Ground G111
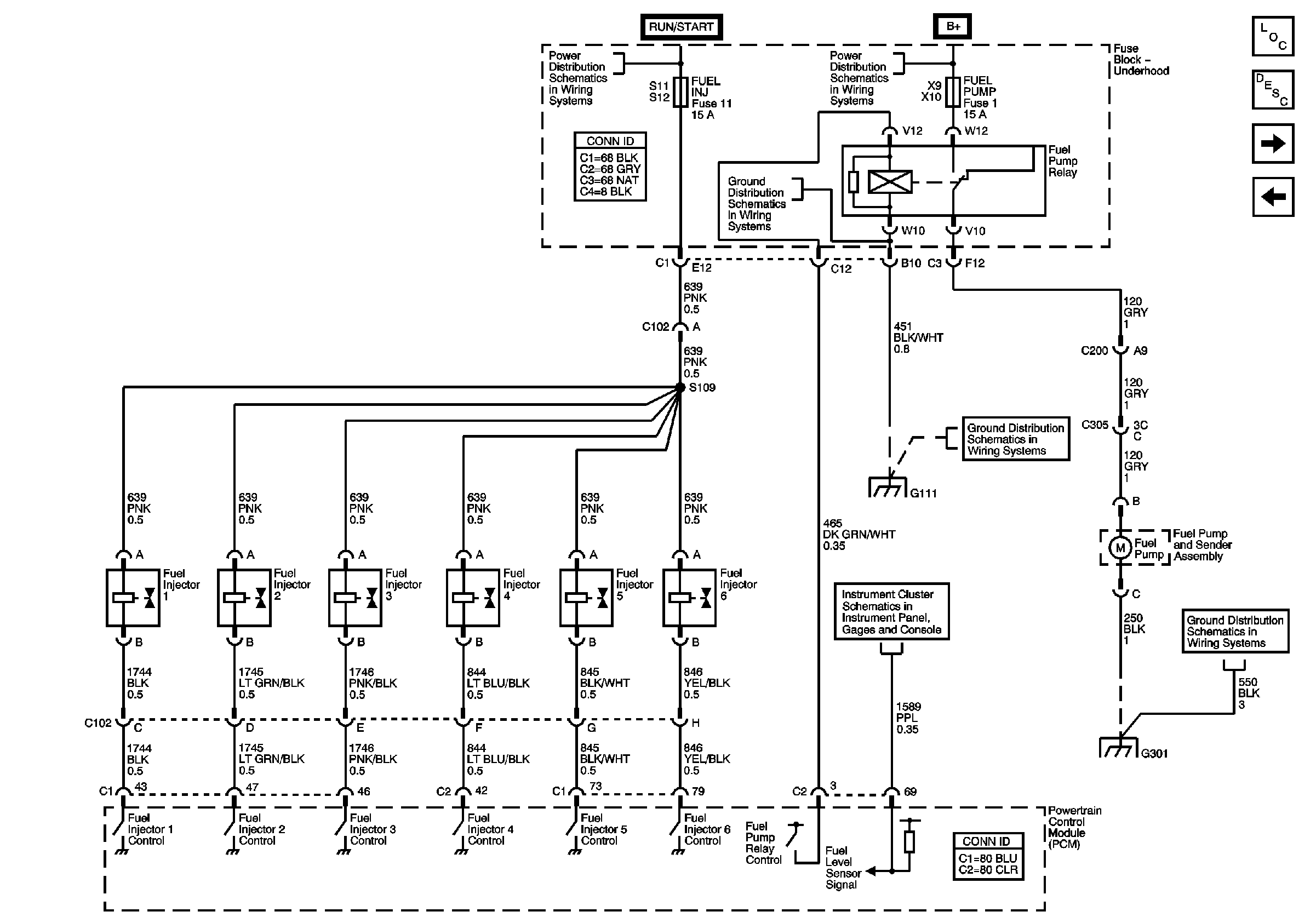
Figure 3:

Fuel Delivery


Object Number: 623568  Size: FS
Master Electrical Component List
Fuel System Description
Engine Data Sensors, TP, MAP, ECT, IAT
Ignition System, Knock Sensor
Fuse Block-underhood Buss
Fuse Block-Underhood Fuses: 11 and 7
Ground G111
Ground G301
Figure 4:

Heated Oxyegen Sensors


Object Number: 623583  Size: FS
Master Electrical Component List
Exhaust Gas Recirculation (EGR) System Description
IAC Valve, MAF, Air Circuit
Engine Data Sensors, TP, MAP, ECT, IAT
Underhood Fuses: 4, 6, 10, 27 and 30
Underhood Fuses: 4, 6, 10, 27 and 30
Fuse Block-Underhood Fuse: 19 Fuse Block-Center Console Fuses: IGN 1 MDL, SIR, INTEMM and BCM-ACCY
Underhood Fuses: 4, 6, 10, 27 and 30
PCM Sensors (Fuel Level Sensor, Engine Oil Level Indicator Switch, Engine Oil Pressure Indicator Switch, Engine Coolant Temperature Sensor)
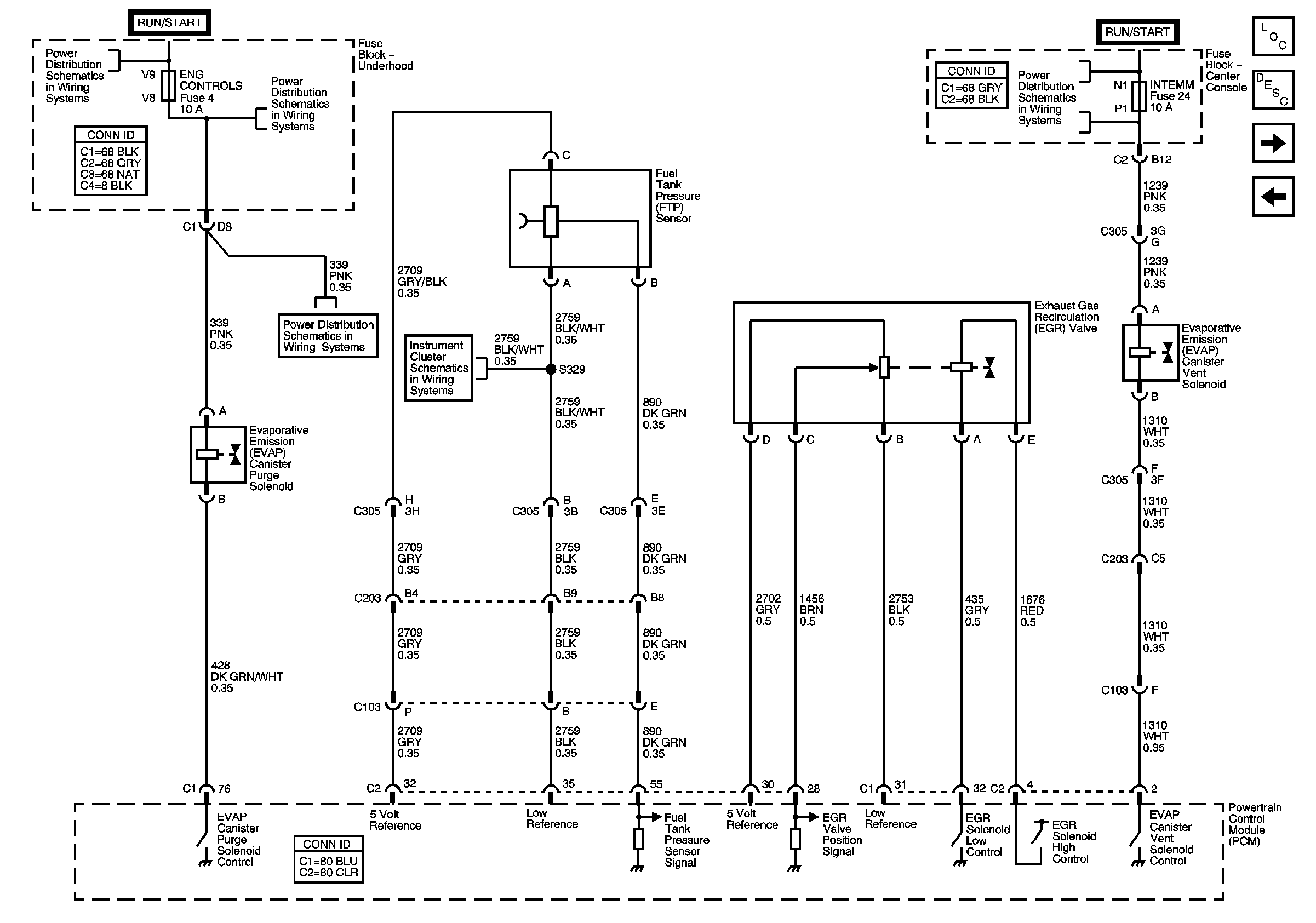
Figure 5:

EVAP, EGR and FTP


Object Number: 623603  Size: FS
Master Electrical Component List
Powertrain Control Module Description
Instrument Cluster, Engine Oil Pressure Sensor, Engine Oil Level Sensor, Generator
IAC Valve, MAF, Air Circuit
Underhood Fuses: 4, 6, 10, 27 and 30
Ground G101
Ground G111
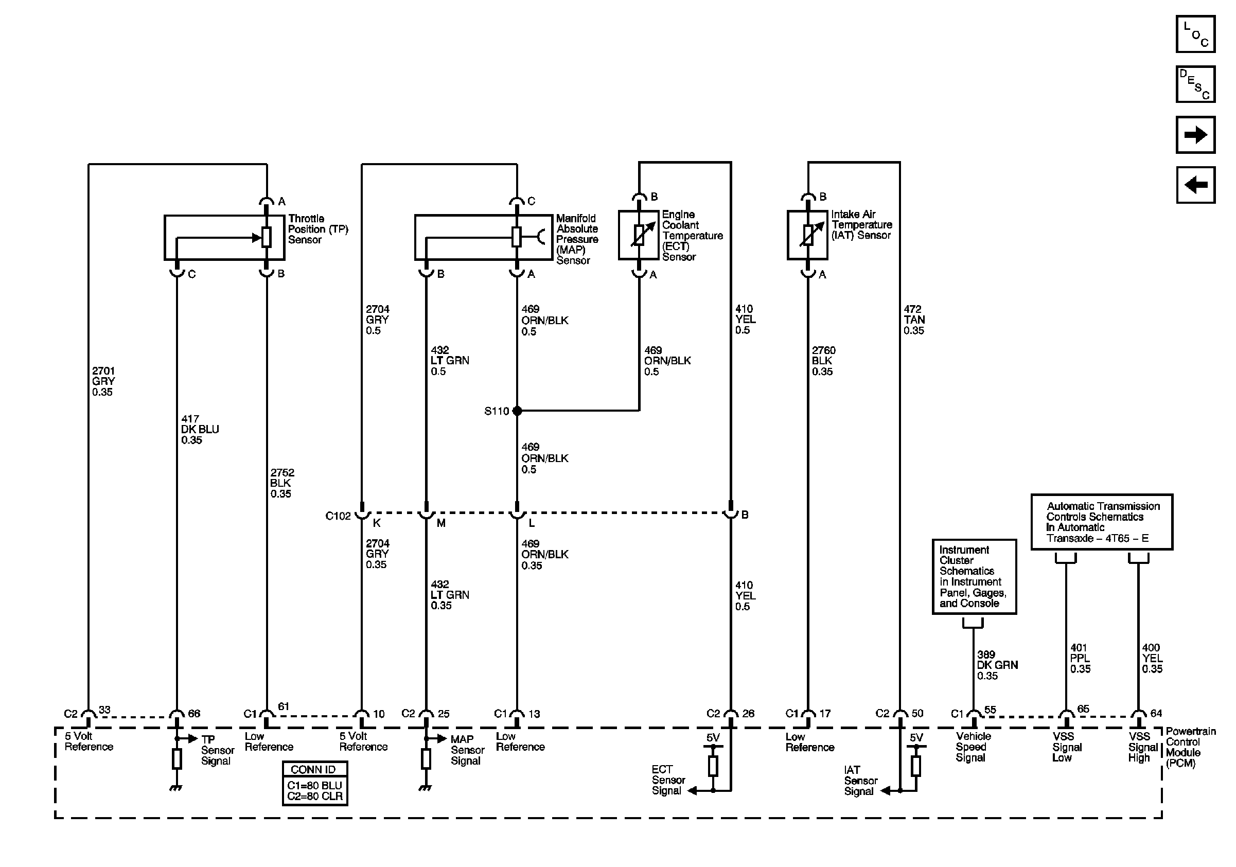
Figure 6:

TP, MAP, ECT, IAT and VSS


Object Number: 623580  Size: FS
Master Electrical Component List
Powertrain Control Module Description
Engine Data Sensors, HO2S1, HO2S2
Fuel Injectors
Underhood Fuses: 4, 6, 10, 27 and 30
Fuel Injectors
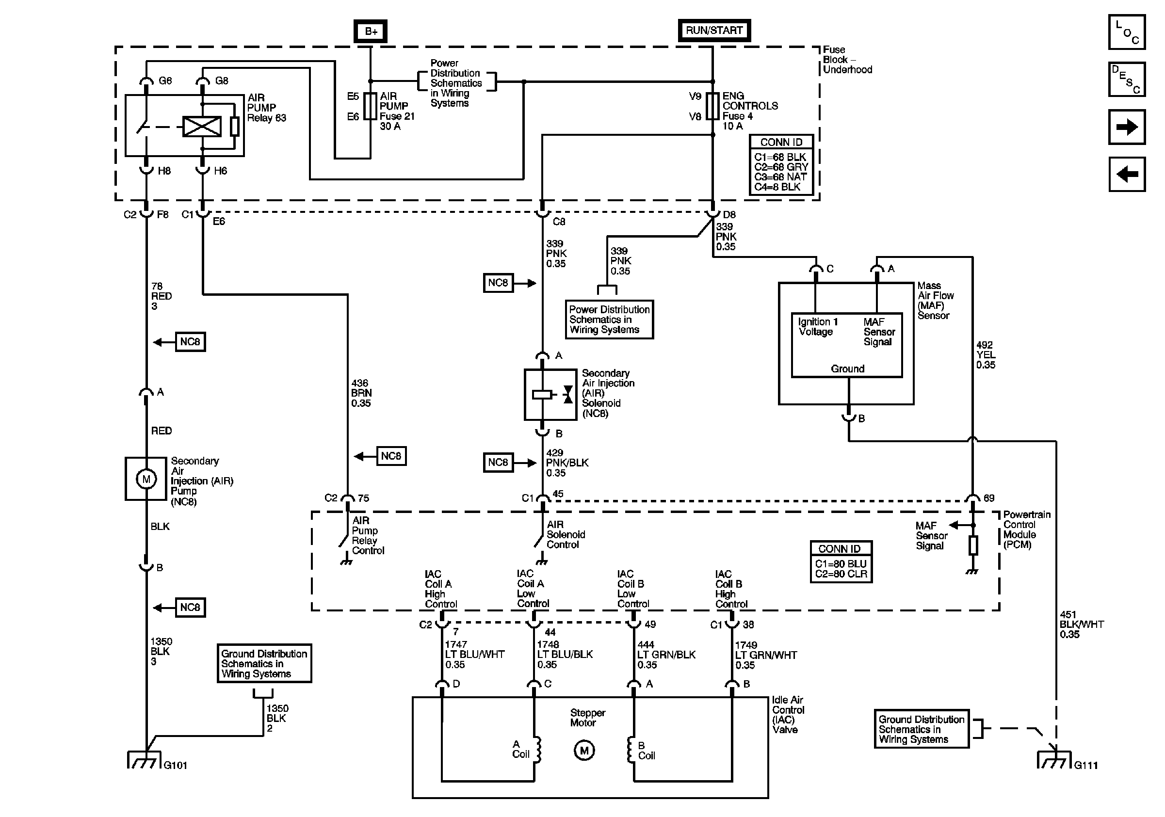
Figure 7:

IAC, MAF and AIR


Object Number: 623590  Size: FS
Master Electrical Component List
Powertrain Control Module Description
EVAP Switch, EVAP Valve, EGR
Engine Data Sensors, HO2S1, HO2S2
PCM Sensors (Fuel Level Sensor, Engine Oil Level Indicator Switch, Engine Oil Pressure Indicator Switch, Engine Coolant Temperature Sensor)
Switches, ISS and Pressure Control
Figure 8:

Subsystem References


Object Number: 623607  Size: FS
Master Electrical Component List
Powertrain Control Module Description
Automatic Transaxle Switches
EVAP Switch, EVAP Valve, EGR
Engine Cooling
Charging
Blower Controls
Starting
Differentail Controls AWD - GMT250
Indicators and Traction Control Switch
Cruise Control Schematics
Figure 9:

A/T References


Object Number: 623630  Size: FS
Master Electrical Component List
Powertrain Control Module Description
Transaxle Range Switch
PCM and TCC Switch ( 1 of 2 )
Instrument Cluster, Engine Oil Pressure Sensor, Engine Oil Level Sensor, Generator
PCM and TCC Switch ( 1 of 2 )
Switches, ISS and Pressure Control