GM Service Manual Online
For 1990-2009 cars only
Makes
🢒
Pontiac
🢒
2001
🢒
Aztek - AWD
🢒
Body and Accessories
🢒
Wiring Systems
🢒 Interior Lights Dimming Schematics
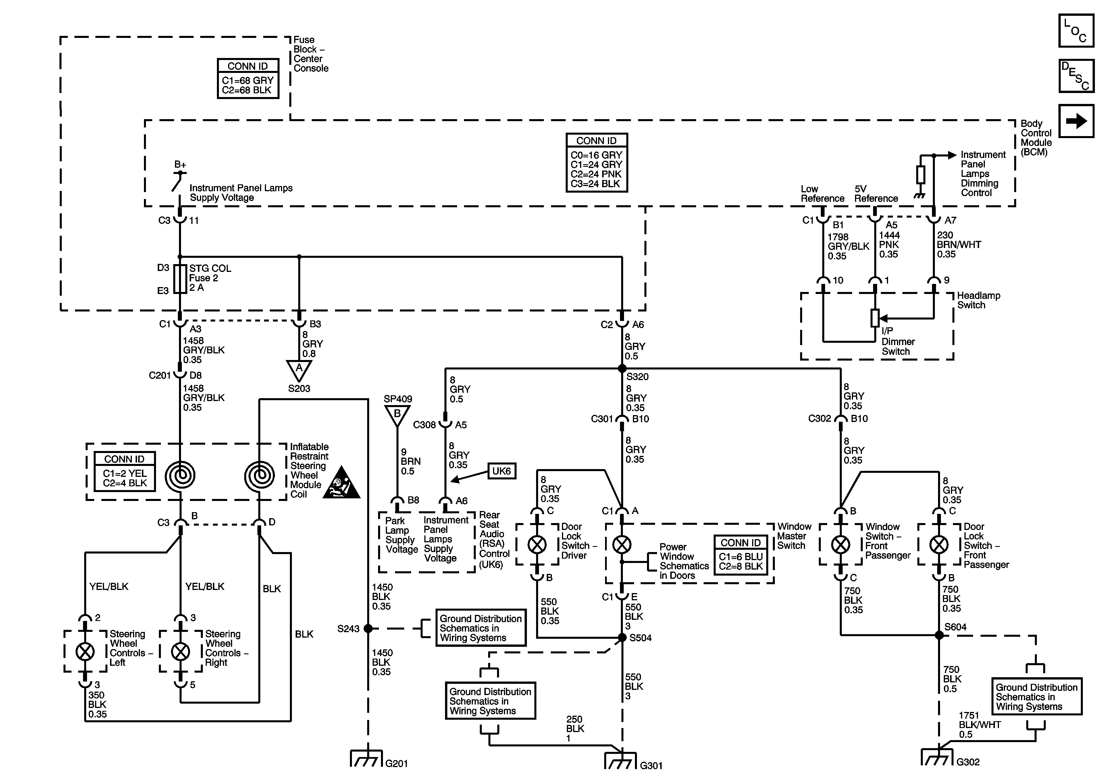
Figure
1:
Dimming Controls and Panel Lamps 1 of 2
Master Electrical Component List
Interior Lighting Systems Description and Operation
Instrument Cluster, Radio, Heater A/C Control
Fuse Block-Underhood Fuses: 32, 36, 9, 5, and 28
Ground G200 (1 of 2)
Ground G301
Ground G301
01 B-VAN DOORS: POWER WINDOWS
Ground G302
Ground G302
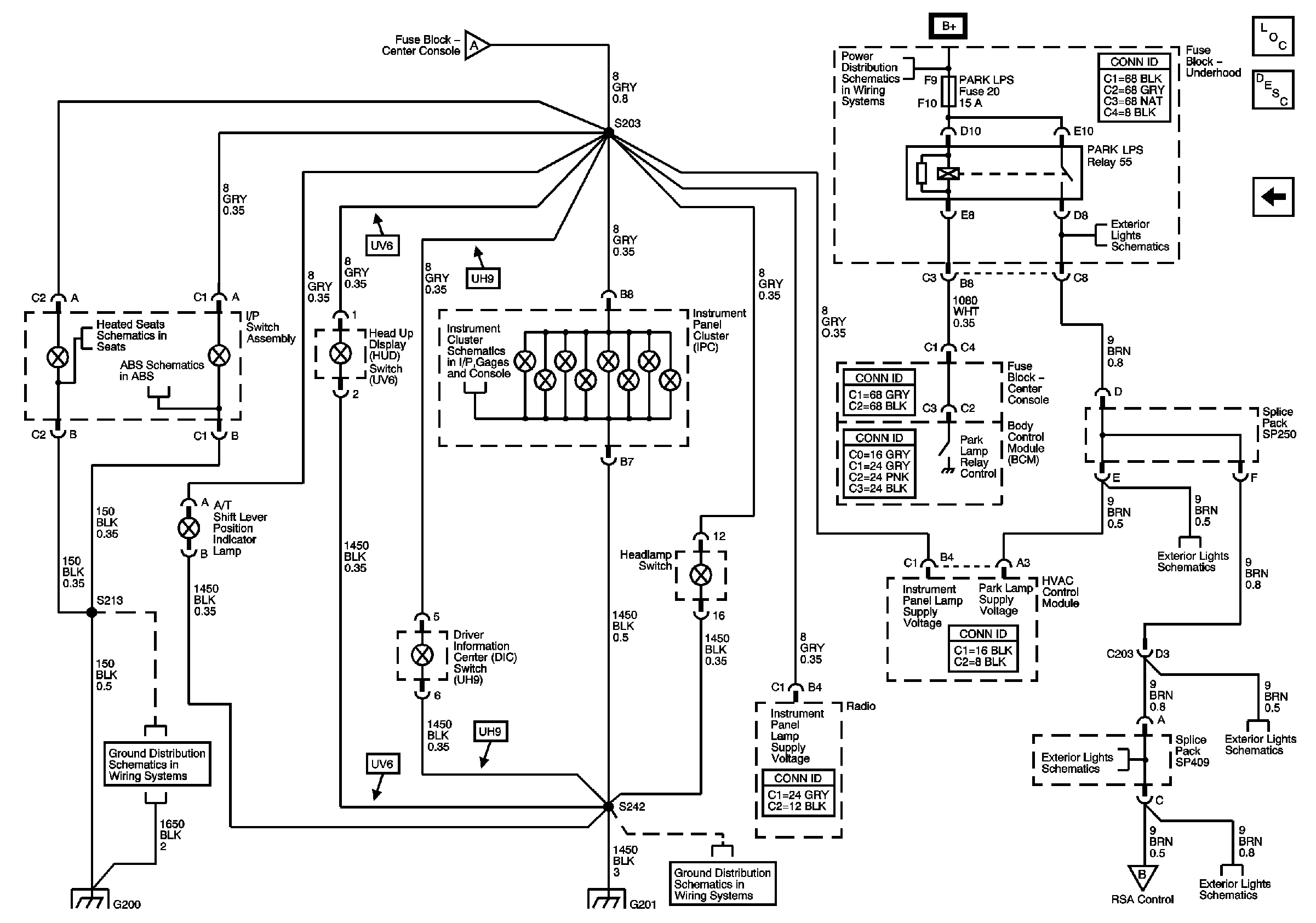
Figure
2:
Panel Lamps 2 of 2
Master Electrical Component List
Interior Lighting Systems Description and Operation
Headlamp Switch, BCM, Door Switches, Steering Wheel Controls, Radio Rear Seat Audio
Parklamp Relay, Headlamp Switch,
Parklamp Relay, Headlamp Switch,
Parklamp Relay, Headlamp Switch,