GM Service Manual Online
For 1990-2009 cars only
Makes
🢒
Pontiac
🢒
2001
🢒
Aztek - AWD
🢒 Ground G201
Ground G201
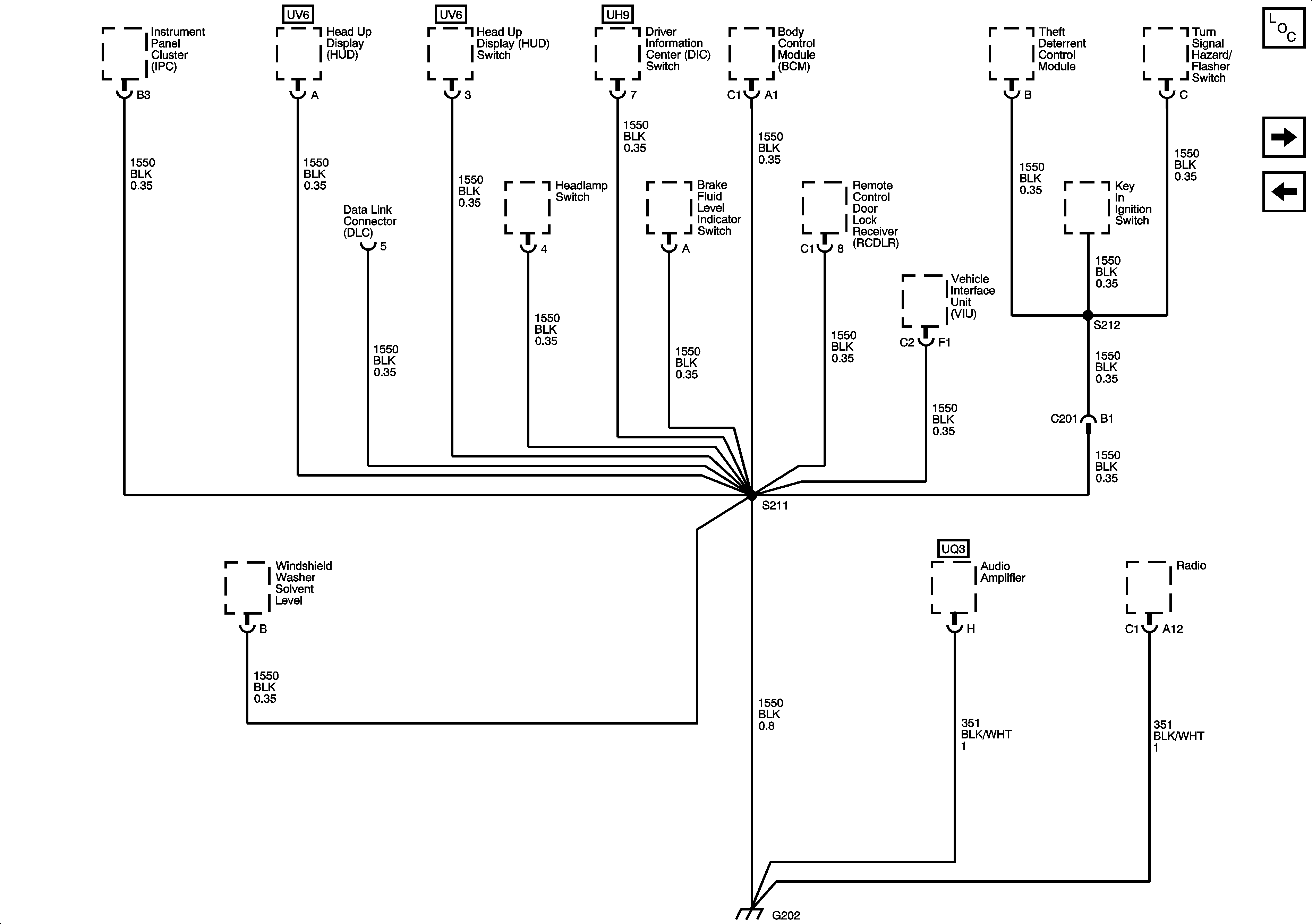
Ground G202
Master Electrical Component List
Ground G301
Ground G200 (2 of 2)