GM Service Manual Online
For 1990-2009 cars only
Figure 1:

Blower Controls


Object Number: 626521  Size: FS
Master Electrical Component List
Air Delivery Description and Operation
Stationary Windows Schematics
Fuse Block-Underhood Fuse: 47 Fuse Block-Center Console Fuses: INKEY, KEY SOL, IGN 0 and FRT BLWR
Ground G200 Schematics
Fuse Block-Underhood Fuse: 47 Fuse Block-Center Console Fuses: INKEY, KEY SOL, IGN 0 and FRT BLWR
IP
IP
Figure 2:

Compressor Control


Object Number: 626522  Size: FS
Master Electrical Component List
Air Delivery Description and Operation
Fuse Block-Underhood Fuses: 10, 6, 4, 13 and 30
Air Delivery, and Temperature Control
Blower
Ground G117 Schematics
Cigar Lighter/Auxiliary Outlets Schematics-Buick
Fuse Block-Underhood Buss Schematics
Ground G117 Schematics
Ground G117 Schematics
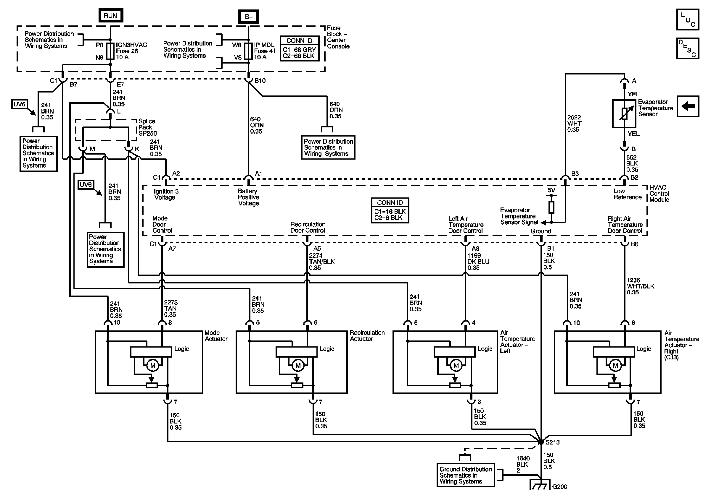
Figure 3:

Air Delivery and Temperature Control-Pontiac


Object Number: 626524  Size: FS
Master Electrical Component List
Air Temperature Description and Operation
Compressor Control
Fuse Block-Center Console Fuse: IGN3 HVAC
Fuse Block-Center Console Fuse: IGN3 HVAC
Fuse Block-Underhood Fuse:48 Fuse Block-Center Console Fuses:BCM L, HZD FL, HUD, RADIO, RD AMP and IP MDL
Fuse Block-Underhood Fuse:48 Fuse Block-Center Console Fuses:BCM L, HZD FL, HUD, RADIO, RD AMP and IP MDL
Figure 4:

Air Delivery and Temperature Control-Buick


Object Number: 868790  Size: FS