GM Service Manual Online
For 1990-2009 cars only
Figure 1:

Park Lamps - Pontiac


Object Number: 628830  Size: FS
Master Electrical Component List
Exterior Lighting Systems Description and Operation
Park Lamps-Buick
Fuse Block-Underhood Buss Schematics
IP
IP
Indicator, Lamp Control
Trailer Harness
G101
G101
G100
G100
G401 (2 of 3)
G401 (3 of 3), G402, and G403
G401 (3 of 3), G402, and G403
G401 (1 of 3)
G401 (1 of 3)
IP Lighting, Lamp Control
Fog Lights Schematics
G401 (3 of 3), G402, and G403
G401 (3 of 3), G402, and G403
G201
G201
Figure 2:

Park Lamps -- Buick


Object Number: 828543  Size: FS
Master Electrical Component List
Exterior Lighting Systems Description and Operation
Hazard, Stop and Turn Signal Lamp Control
Parklamps
Fuse Block-Underhood Buss Schematics
IP
Indicator, Lamp Control
Ground G101 Schematics
Ground G101 Schematics
Ground G100 Schematics
Ground G100 Schematics
Ground G401, 402 and 403 Schematics
Ground G401, 402 and 403 Schematics
Ground G401, 402 and 403 Schematics
Ground G401, 402 and 403 Schematics
Ground G202 Schematics
Ground G202 Schematics
Figure 3:

Turn Signal/Hazard Control


Object Number: 798710  Size: FS
Master Electrical Component List
Exterior Lighting Systems Description and Operation
Turn/Stop Lamps and Indicators - Pontiac
Park Lamps-Buick
Fuse Block-Underhood Fuses: 27, 31 and 33 Fuse Block-Center Console Fuse: TURN SIG
Fuse Block-Underhood Fuses: 27, 31 and 33 Fuse Block-Center Console Fuse: TURN SIG
Ground G202 Schematics
Ground G202 Schematics
Ground G200 Schematics
Ground G200 Schematics
Figure 4:

Turn/Stop Lamps and Indicators-Pontiac


Object Number: 828544  Size: FS
Master Electrical Component List
Exterior Lighting Systems Description and Operation
Turn/Stop Lamps and Indicators - Buick
Hazard, Stop and Turn Signal Lamp Control
Indicators
Ground G201 Schematics
Ground G101 Schematics
Ground G101 Schematics
Ground G100 Schematics
Ground G100 Schematics
Ground G401, 402 and 403 Schematics
Ground G401, 402 and 403 Schematics
Ground G401, 402 and 403 Schematics
Ground G401, 402 and 403 Schematics
Figure 5:

Turn/Stop Lamps and Indicators-Buick


Object Number: 828546  Size: FS
Master Electrical Component List
Exterior Lighting Systems Description and Operation
Trailer Harness
Turn/Stop Lamps and Indicators - Pontiac
Fuse Block-Underhood Fuse:48 Fuse Block-Center Console Fuses:BCM L, HZD FL, HUD, RADIO, RD AMP and IP MDL
DLC, Indicators, and Traction Control Switch
G303
Ground G401, 402 and 403 Schematics
Ground G401, 402 and 403 Schematics
Ground G401, 402 and 403 Schematics
Ground G401, 402 and 403 Schematics
Ground G401, 402 and 403 Schematics
Figure 6:

Trailer Harness


Object Number: 628836  Size: FS
Master Electrical Component List
Exterior Lighting Systems Description and Operation
Backup Lamps
Turn/Stop Lamps and Indicators - Buick
Ground G401, 402 and 403 Schematics
Ground G401, 402 and 403 Schematics
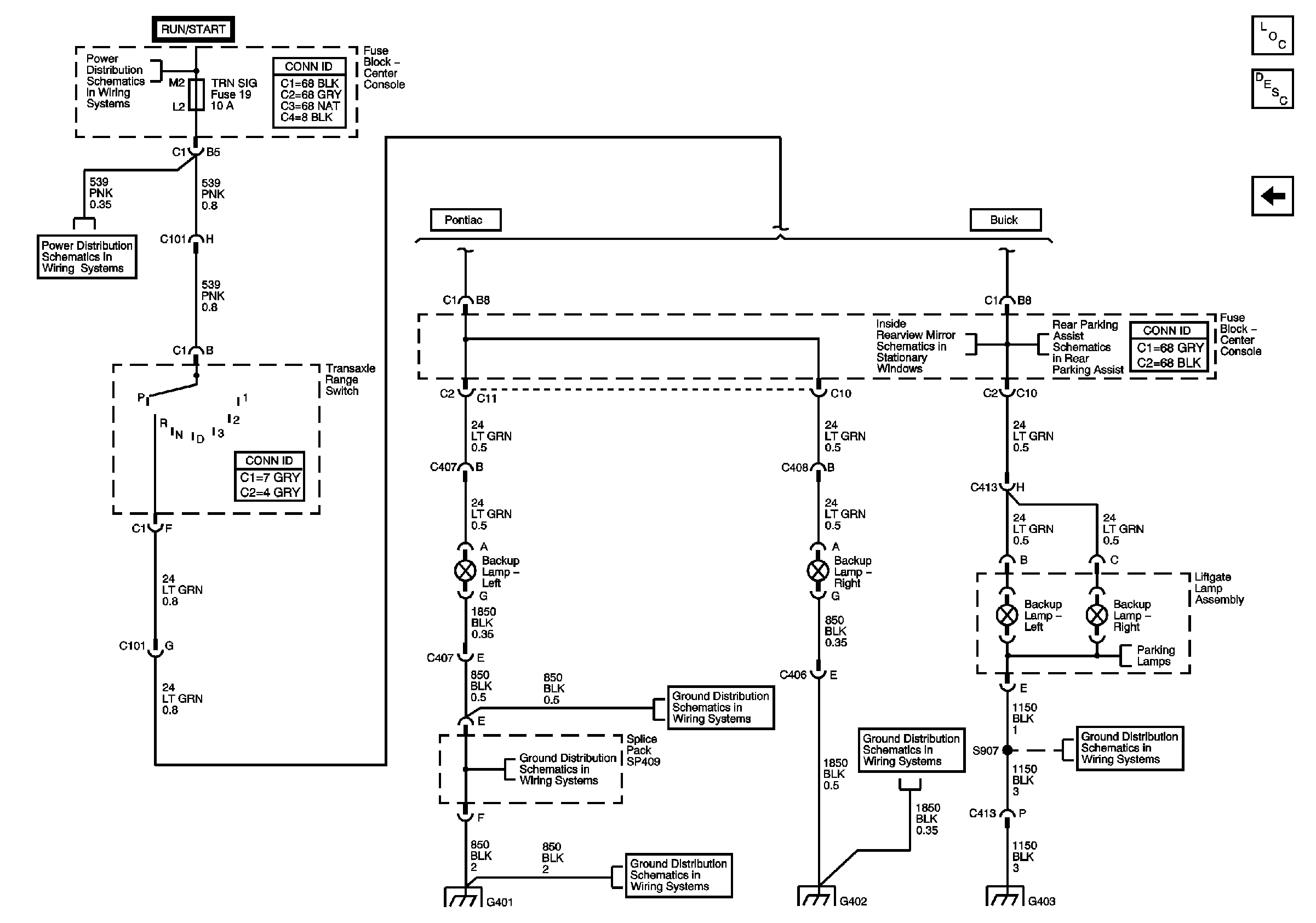
Figure 7:

Backup Lamps


Object Number: 813539  Size: FS
Master Electrical Component List
Exterior Lighting Systems Description and Operation
Trailer Harness
Fuse Block-Underhood Fuses: 27, 31 and 33 Fuse Block-Center Console Fuse: TURN SIG
Drive Belt Rumbling Diagnosis
Drive Belt Rumbling Diagnosis
Van Rear Parking Assist (RPA) Module Power and Ground
Inside Rearview Mirror Schematics
G401 (1 of 3)
G401 (3 of 3), G402, and G403
G401 (3 of 3), G402, and G403
Ground G401, 402 and 403 Schematics