GM Service Manual Online
For 1990-2009 cars only
Makes
🢒
Pontiac
🢒
2002
🢒
Aztek - AWD
🢒
Body and Accessories
🢒
Wiring Systems
🢒 Cigar Lighter/Power Outlet Schematics
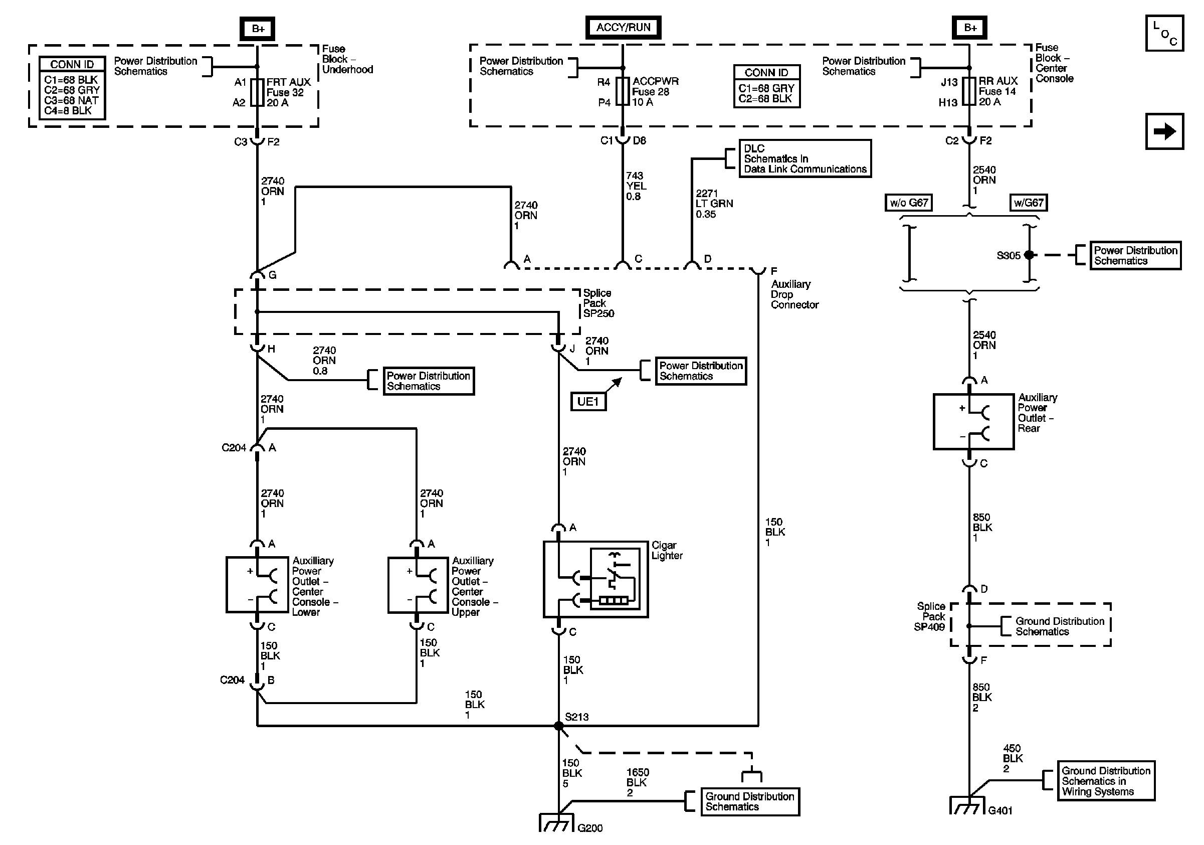
Figure
1:
Pontiac
Master Electrical Component List
Fuse Block-Underhood Fuses: 32, 36, 9, 5 and 28
Fuse Block-Underhood Fuse: 41 Fuse Block-Center Console Fuses: SUN RF, ELC ACCY, ACC PWR, WIPER and RR WPR SW
Fuse Block-Underhood Fuse: 45 Fuse Block-Center Console Fuses: BCM D, GATE REL, RR AUX, PWR MIR, ELC BATT and PWR STS Circuit Breaker
Fuse Block-Underhood Fuse: 45 Fuse Block-Center Console Fuses: BCM D, GATE REL, RR AUX, PWR MIR, ELC BATT and PWR STS Circuit Breaker
G200
G401 (3 of 3), G402, and G403
G401 (3 of 3), G402, and G403
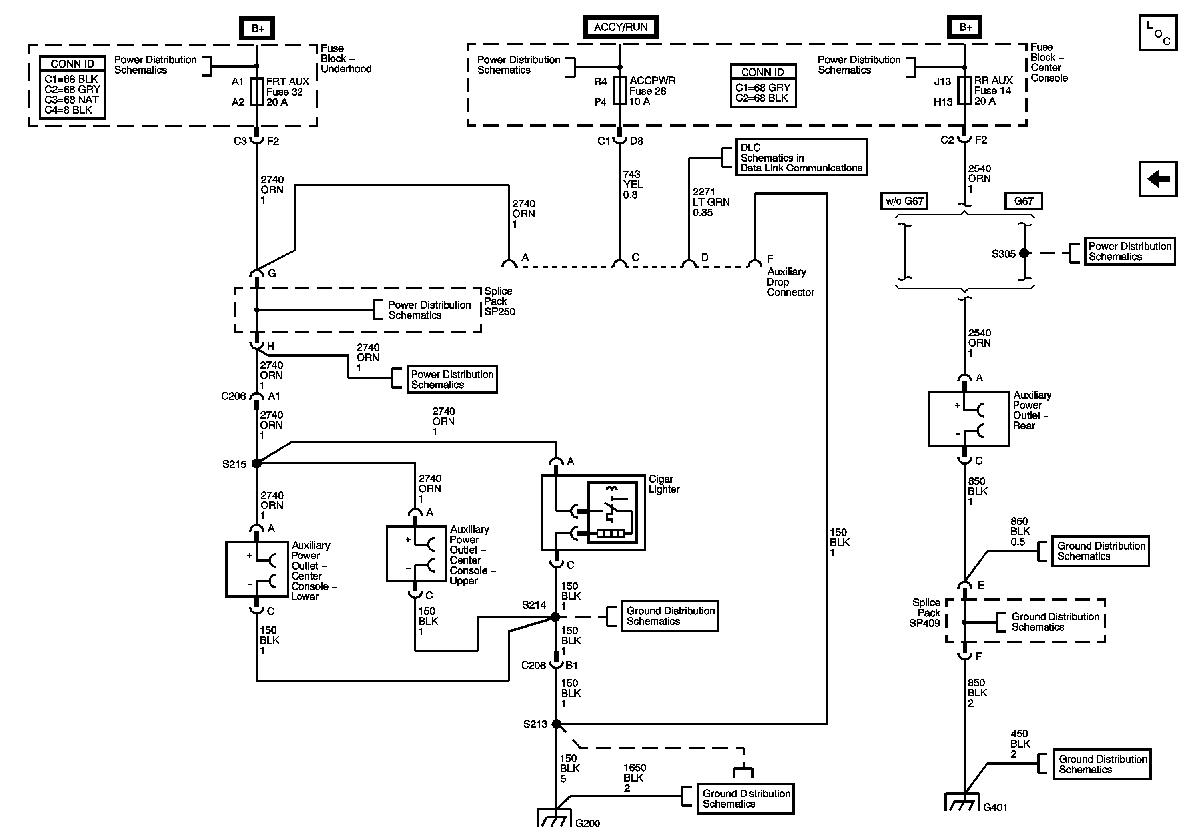
Cigar Lighter/Auxiliary Outlets Schematics-Buick
Figure
2:
Buick
Master Electrical Component List
Fuse Block-Underhood Fuses: 32, 36, 9, 5 and 28
Fuse Block-Underhood Fuse: 41 Fuse Block-Center Console Fuses: SUN RF, ELC ACCY, ACC PWR, WIPER and RR WPR SW
Fuse Block-Underhood Fuse: 45 Fuse Block-Center Console Fuses: BCM D, GATE REL, RR AUX, PWR MIR, ELC BATT and PWR STS Circuit Breaker
Fuse Block-Underhood Fuse: 45 Fuse Block-Center Console Fuses: BCM D, GATE REL, RR AUX, PWR MIR, ELC BATT and PWR STS Circuit Breaker
Ground G401, 402 and 403 Schematics
Ground G200 Schematics