GM Service Manual Online
For 1990-2009 cars only
Makes
🢒
Pontiac
🢒
2003
🢒
Aztek - AWD
🢒
Body and Accessories
🢒
Doors
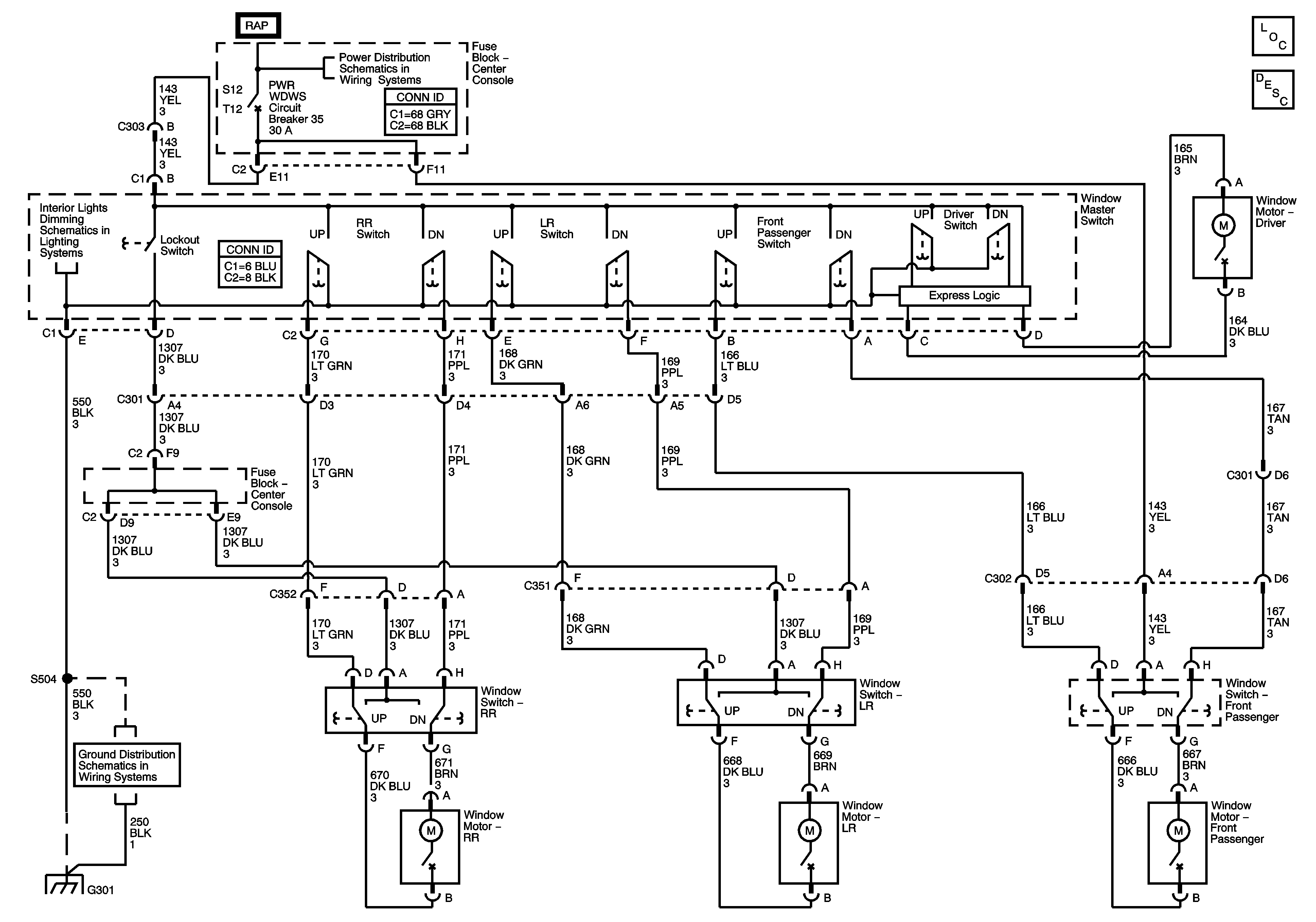
🢒 Power Window Schematics
Master Electrical Component List
Dimming Cont and Panel Lamps - Pontiac, 1 of 2
Fuse Block Underhood Fuse: 41 Fuse Block Center Console
Ground G301 - Buick
Ground G301 - Buick