GM Service Manual Online
For 1990-2009 cars only
Makes
🢒
Pontiac
🢒
2003
🢒
Aztek - AWD
🢒
Body and Accessories
🢒
Roof
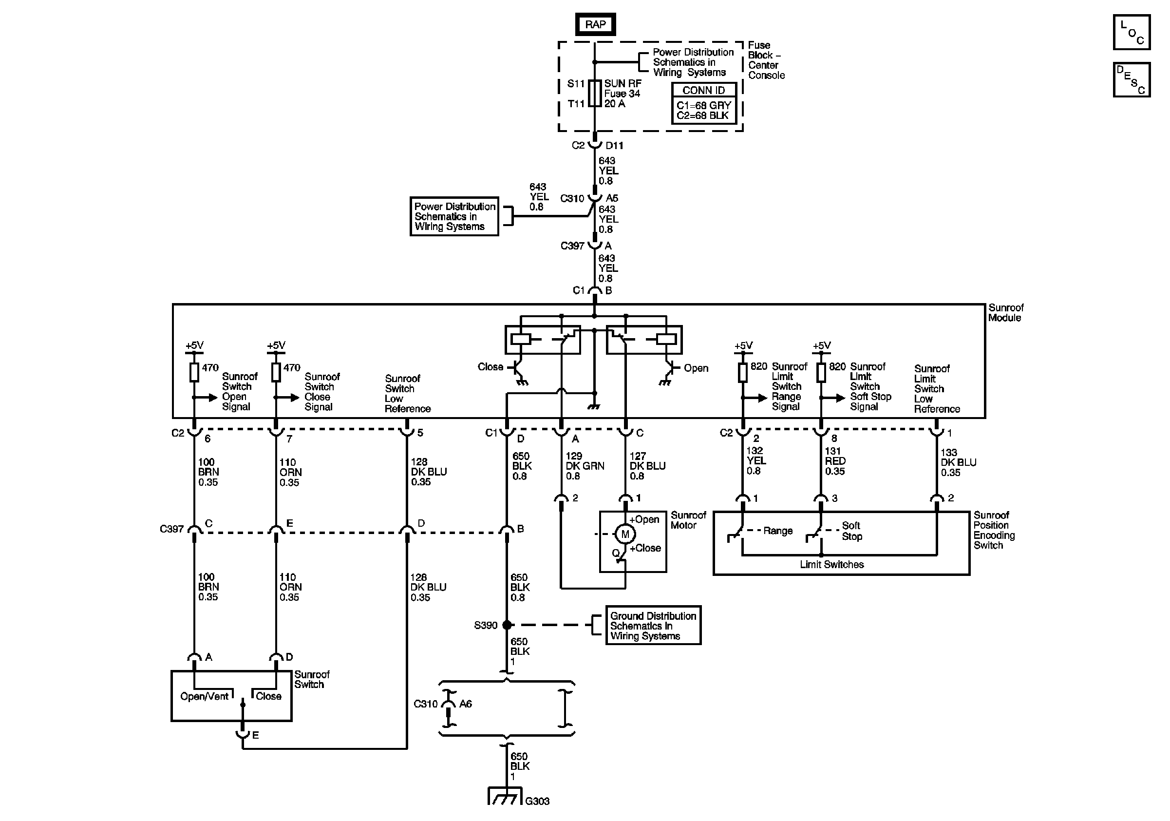
🢒 Sunroof Schematics
Master Electrical Component List
Ground G303-Buick