GM Service Manual Online
For 1990-2009 cars only
Makes
🢒
Pontiac
🢒
2004
🢒
Aztek - AWD
🢒
Body
🢒
Wiring Systems
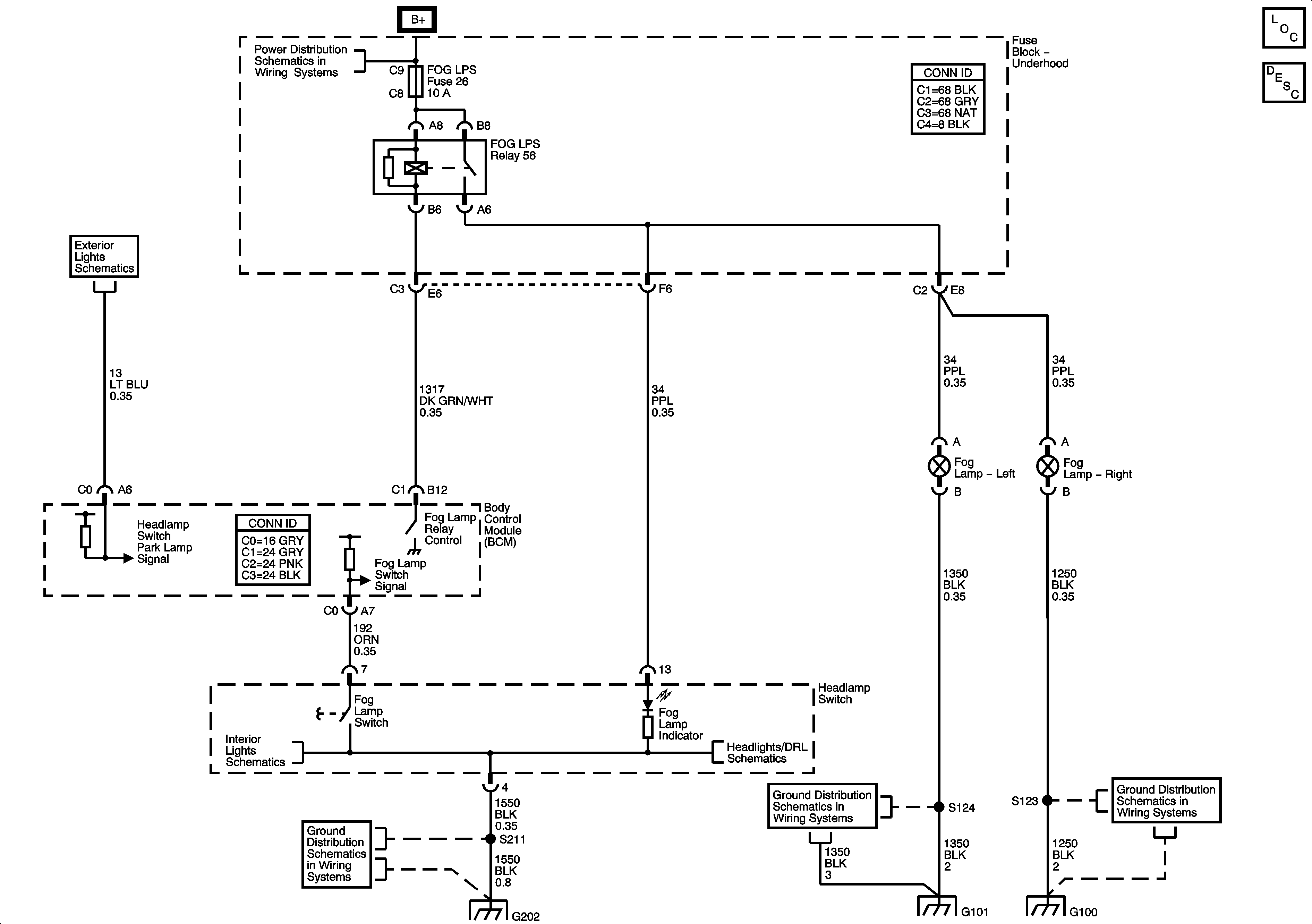
🢒 Fog Lights Schematics
Master Electrical Component List
Fuse Block - Underhood Buss
03 B Van Exterior Lights Schematics (Park Lamps-Pontiac)
Park Lamps - Buick
Ground G202 - Buick
Ground G202 - Buick
Ground G101 - Buick
Ground G100 - Buick
Ground G100 - Buick