GM Service Manual Online
For 1990-2009 cars only
Figure 1:

Switches


Object Number: 629501  Size: FS
Master Electrical Component List
Power Door Locks Description and Operation
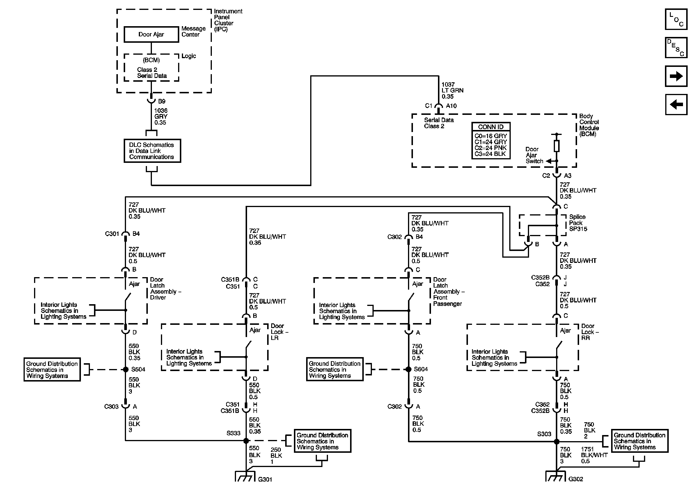
Door Ajar Indicator
Ground G302
Ground G301
Ground G302
Ground G302
Ground G301
Figure 2:

Door Ajar Indicator


Object Number: 812202  Size: FS
Master Electrical Component List
Power Door Locks Description and Operation
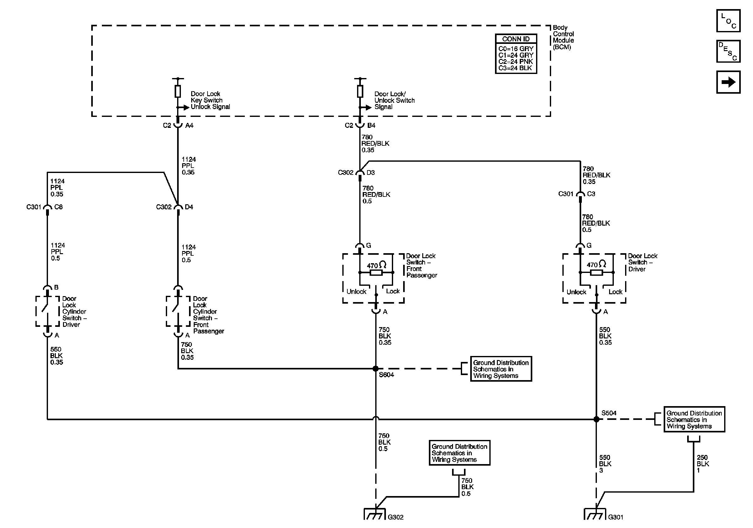
Door Lock Actuators
Front Door Lock Switches and Cylinders
Data Link Communications Schematics - GMT250
Door Ajar Switches
Door Ajar Switches
Door Ajar Switches
Door Ajar Switches
Ground G301
Ground G302
Ground G301
Ground G302
Ground G301
Figure 3:

Actuators


Object Number: 629507  Size: FS
Master Electrical Component List
Power Door Locks Description and Operation
Door Ajar Indicator
Fuse Block-Underhood Fuse: 45 Fuse Block-Center Console Fuses: BCM D, GATE REL, RR AUX, PWR MIR, ELC BATT AND THE PWR STS Circuit Breaker
Ground G301
Ground G301