GM Service Manual Online
For 1990-2009 cars only
Makes
🢒
Pontiac
🢒
2001
🢒
Aztek - FWD
🢒
Body and Accessories
🢒
Wiring Systems
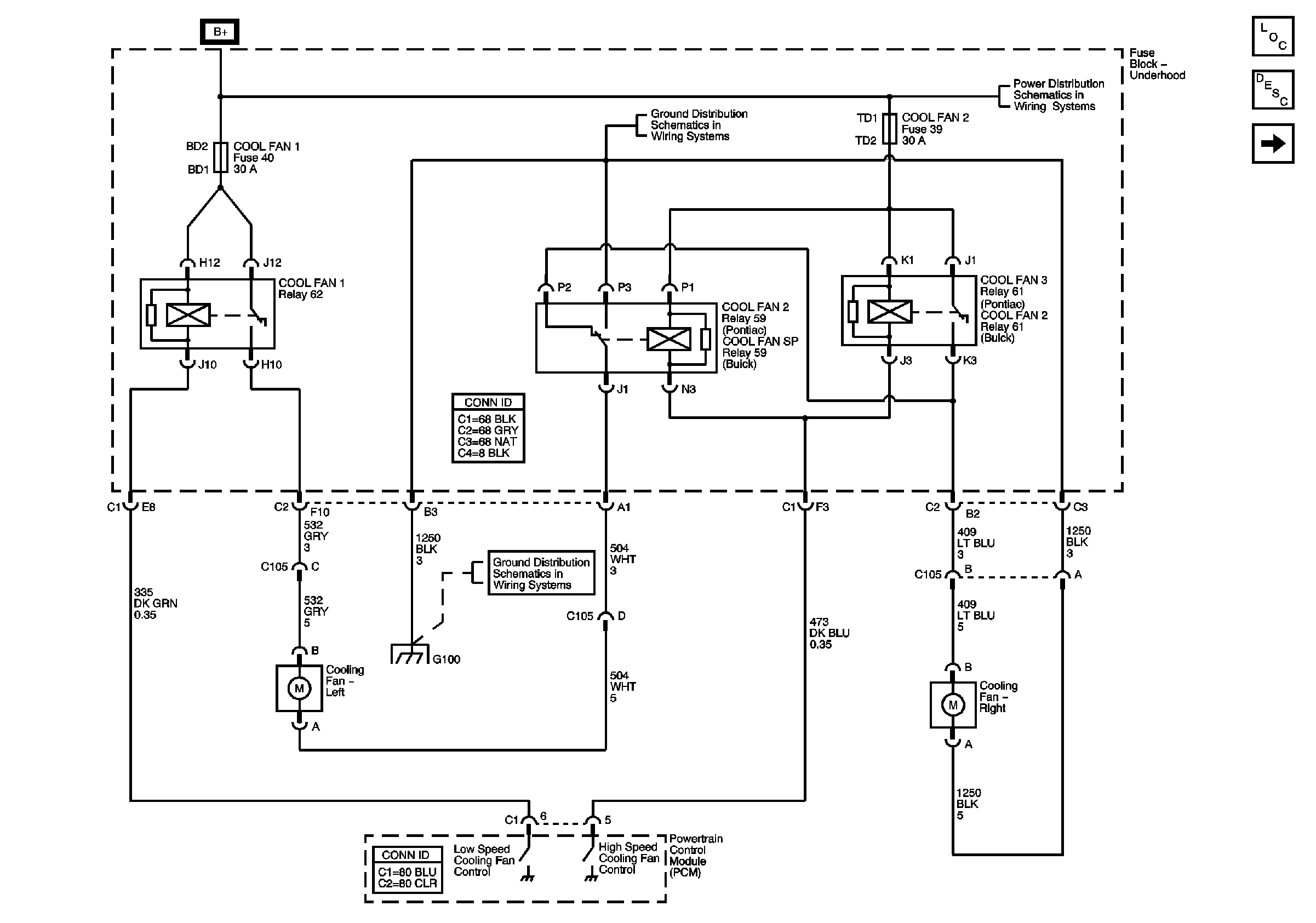
🢒 Engine Cooling Schematics
Figure
1:
Cooling Fans
Master Electrical Component List
Cooling System Description and Operation
Fuse Block-underhood Buss
Engine Cooling Sensors
Ground G100
Ground G100
Figure
2:
Indicator
Master Electrical Component List
Cooling System Description and Operation
Engine Cooling
Data Link Communications Schematics - GMT250