GM Service Manual Online
For 1990-2009 cars only
Makes
🢒
Pontiac
🢒
2001
🢒
Aztek - FWD
🢒
Body and Accessories
🢒
Wiring Systems
🢒 Headlights/Daytime Running Lights (DRL) Schematics
Figure
1:
Headlamp Switch and Light Sensor
Master Electrical Component List
Exterior Lighting Systems Description and Operation
Headlamps, Headlamp Dimmer Switch, DRL Relay, and HDLP Relays
Data Link Communications Schematics - GMT250
Foglamps
Ground G201
Ground G201
Backlighting, Turn Signals Indicators, Discrete Indicators
Ground G200 (1 of 2)
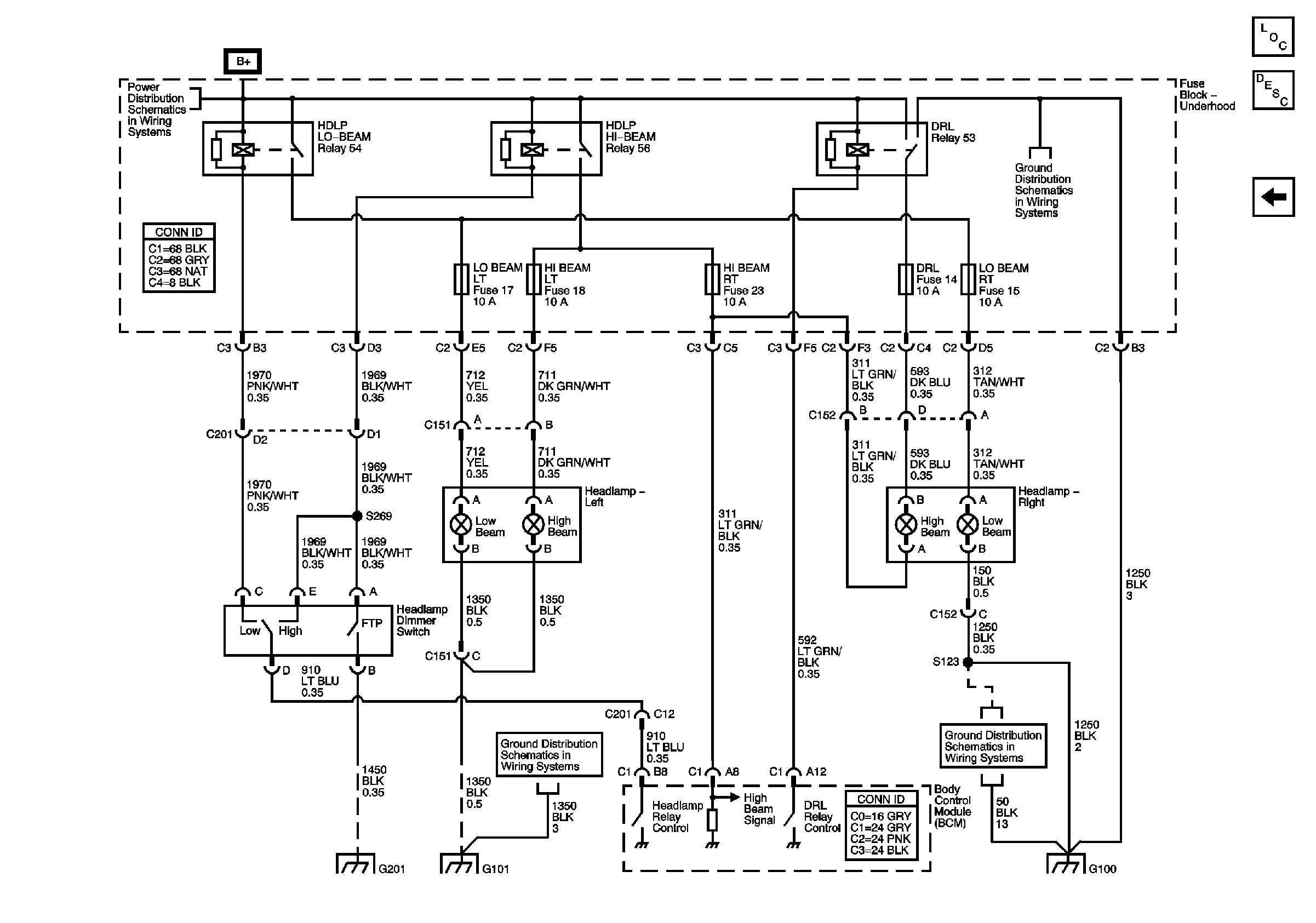
Figure
2:
Headlamps
Master Electrical Component List
Exterior Lighting Systems Description and Operation
Headlamp Switch, BCM, Ambient Light Sensor
Fuse Block-Underhood Fuses: 42, 17, 15, 18, 23, and 42
Ground G200 (1 of 2)
Ground G101
Ground G101
Ground G100
Ground G100