GM Service Manual Online
For 1990-2009 cars only

Tools Required

    • J 39505 Torque Wrench Adapter
    • J 45057-2 Lower Support Bar

Removal Procedure

  1. Disconnect the battery negative cable. Refer to Battery Negative Cable Disconnection and Connection in Engine Electrical.
  2. Remove the right engine mount strut from the engine. Refer to Engine Mount Strut Replacement - Right Side .
  3. Install the engine support fixture. Refer to Engine Support Fixture .
  4. Raise and support the vehicle. Refer to Lifting and Jacking the Vehicle in General Information.
  5. Remove the A/C compressor bolts and reposition the compressor in order to gain access to the oil pan. Refer to Air Conditioning Compressor Replacement in HVAC Systems - Manual.
  6. Disconnect the catalytic converter from the exhaust manifold. Refer to Catalytic Converter Replacement in Engine Exhaust.
  7. Remove the frame. Refer to Front Frame Replacement in Frame and Underbody.
  8. Drain the engine oil. Refer to Engine Oil and Oil Filter Replacement .

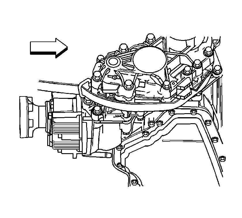
  9. Object Number: 734310  Size: SH
  10. Disconnect the oil level sensor electrical connector.
  11. Remove the starter motor. Refer to Starter Motor Replacement in Engine Electrical.
  12. If the vehicle is equipped with All-Wheel-Drive (AWD), remove the transfer case brace. Refer to Support Brace Replacement in Transfer Case -- Steyr.
  13. Remove the transaxle brace. Refer to Transmission Brace Replacement in Automatic Transaxle - 4T65-E.

  14. Object Number: 876025  Size: SH
  15. Install one end of a suitable utility strap to the transmission.
  16. • If the vehicle is equipped with All-Wheel-Drive (AWD), carefully wrap the utility strap around the transfer case.
    • If the vehicle is equipped with Front-Wheel-Drive (FWD), carefully wrap the utility strap around the transmission case extension housing.
  17. Install the opposite end of the utility strap to a suitable underbody structure.
  18. Tighten the utility strap in order to prevent movement of the powertrain.

  19. Object Number: 773484  Size: SH
  20. Remove the J 45057-2 lower support bar.
  21. Remove the engine mount with the engine mount bracket from the oil pan. Refer to Engine Mount Bracket Replacement .
  22. Important: Use the J 39505 in order to remove the engine right side oil pan side bolts.

  23. Remove the oil pan and the oil pan gasket. Refer to Oil Pan Removal .
  24. Clean the oil pan and the engine block gasket surface. Refer to Oil Pan Cleaning and Inspection .

Installation Procedure


    Object Number: 105907  Size: MH

    Important: 

       • Ensure that the transaxle brace is in position prior to installing the oil pan.
       • Use the J 39505 in order to install the engine right side oil pan side bolts.

  1. Install the oil pan gasket and the oil pan. Refer to Oil Pan Installation .
  2. Install the transaxle brace. Refer to Transmission Brace Replacement in Automatic Transaxle - 4T65-E.
  3. Install the engine mount with the engine mount bracket to the oil pan. Refer to Engine Mount Bracket Replacement .

  4. Object Number: 773484  Size: SH
  5. Install the J 45057-2 lower support bar.
  6. Remove the utility strap.
  7. If the vehicle is equipped with All-Wheel-Drive (AWD), install the transfer case brace. Refer to Support Brace Replacement in Transfer Case -- Steyr.
  8. Install the starter motor. Refer to Starter Motor Replacement in Engine Electrical.

  9. Object Number: 734310  Size: SH
  10. Connect the oil level sensor electrical connector.
  11. Install the frame. Refer to Front Frame Replacement in Frame and Underbody.
  12. Connect the catalytic converter to the exhaust manifold. Refer to Catalytic Converter Replacement in Engine Exhaust.
  13. Install the A/C compressor. Refer to Air Conditioning Compressor Replacement in HVAC Systems - Manual.
  14. Lower the vehicle.
  15. Remove the engine support fixture. Refer to Engine Support Fixture .
  16. Install the right engine mount strut to the engine. Refer to Engine Mount Strut Replacement - Right Side .
  17. Fill the engine with oil. Refer to Engine Oil and Oil Filter Replacement .
  18. Connect the battery negative cable. Refer to Battery Negative Cable Disconnection and Connection in Engine Electrical.