GM Service Manual Online
For 1990-2009 cars only
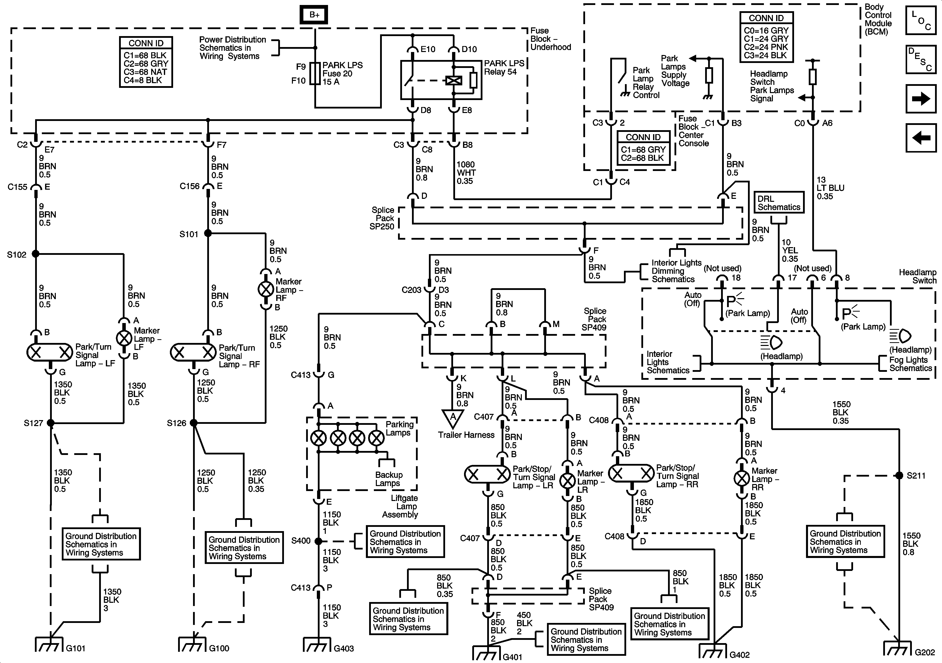
Figure 1:

Park Lamps - Pontiac


Object Number: 1407274  Size: FS
Master Electrical Component List
Park Lamps - Buick
Fuse Block - Underhood Buss
Panel Lamps - Pontiac, Page 2 of 2
Panel Lamps - Pontiac, Page 2 of 2
Ground G101 - Pontiac
Ground G100 - Pontiac
Ground G401 (2 of 2), G402 and G403 - Pontiac
Ground G401, G402, and G403 - Pontiac
Ground G101 - Pontiac
Ground G202 - Pontiac
Ground G101 - Pontiac
Ground G100 - Pontiac
Ground G401, G402, and G403 - Pontiac
Ground G101 - Pontiac
Ground G101 - Pontiac
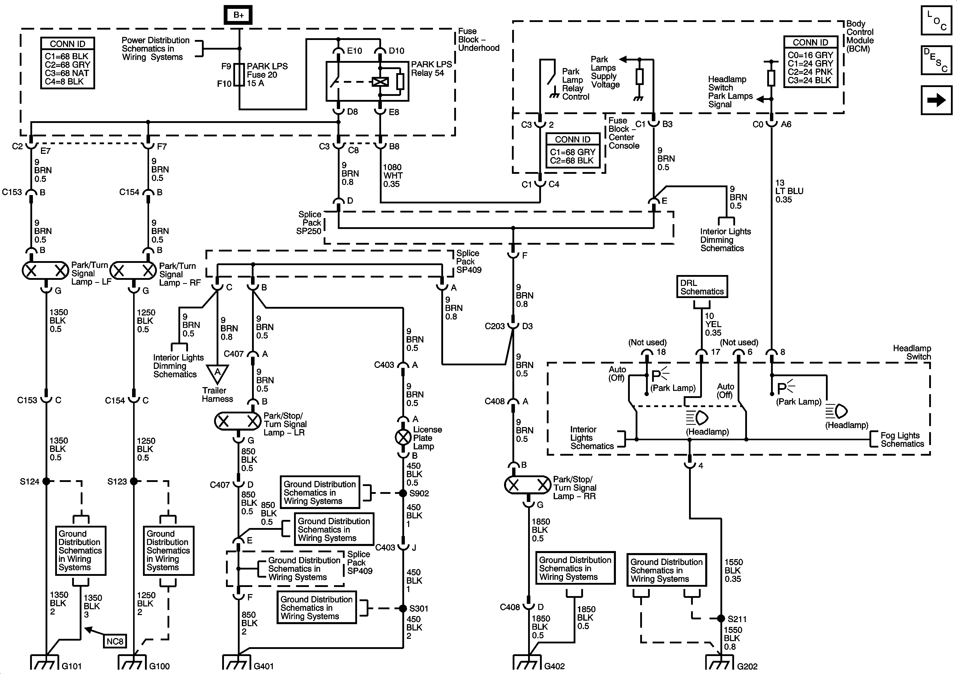
Figure 2:

Park Lamps -- Buick


Object Number: 1407276  Size: FS
Master Electrical Component List
Hazard, Stop and Turn Signal Lamp Control
03 B Van Exterior Lights Schematics (Park Lamps-Pontiac)
Fuse Block - Underhood Buss
Panel Lamps - Buick, Page 2 of 2
Ground G101 - Buick
Ground G100 - Buick
Ground G401, 402 and 403-Buick
Ground G401, 402 and 403-Buick
Ground G202 - Buick
Ground G101 - Buick
Ground G100 - Buick
Ground G401, 402 and 403-Buick
Ground G401, 402 and 403-Buick
Ground G401, 402 and 403-Buick
Ground G202 - Buick
Figure 3:

Turn Signal/Hazard Control


Object Number: 798710  Size: FS
Master Electrical Component List
Turn/Stop Lamps and Indicators - Pontiac
Park Lamps - Buick
Fuse Block Underhood Fuse: 27, 31, 33 Fuse Block Center Console
Fuse Block-Underhood Fuse: 48, Fuse Block Center Console Fuses
Ground G200 - Buick
Fuse Block Underhood Fuse: 27, 31, 33 Fuse Block Center Console
Ground G202 - Buick
Ground G202 - Buick
Ground G200 - Buick
Ground G200 - Buick
Figure 4:

Turn Lamps and Indicators


Object Number: 828544  Size: FS
Master Electrical Component List
Turn/Stop Lamps and Indicators - Buick
Hazard, Stop and Turn Signal Lamp Control
Ground G101 - Buick
Ground G100 - Buick
Ground G401, 402 and 403-Buick
Ground G401, 402 and 403-Buick
Ground G201 - Buick
Ground G101 - Buick
Ground G100 - Buick
Ground G401, 402 and 403-Buick
Ground G401, 402 and 403-Buick
Figure 5:

Stop Lamps


Object Number: 828546  Size: FS
Master Electrical Component List
Trailer Harness
Turn/Stop Lamps and Indicators - Pontiac
Fuse Block-Underhood Fuse: 48, Fuse Block Center Console Fuses
03 B Van ABS Schematics (DLC, Indicators and Traction Control Switch)
Ground G303 - Pontiac
Ground G401, 402 and 403-Buick
Ground G401, 402 and 403-Buick
Ground G401, 402 and 403-Buick
Ground G401, 402 and 403-Buick
Ground G401, 402 and 403-Buick
Figure 6:

Trailer Harness


Object Number: 628836  Size: FS
Master Electrical Component List
Backup Lamps
Turn/Stop Lamps and Indicators - Buick
Fuse Block Underhood Fuse: 45 Fuse Block Center Console
Fuse Block Underhood Fuse: 45 Fuse Block Center Console
Ground G401, 402 and 403-Buick
Ground G401, 402 and 403-Buick
Figure 7:

Backup Lamps


Object Number: 874567  Size: FS
Master Electrical Component List
Trailer Harness
Fuse Block Underhood Fuse: 27, 31, 33 Fuse Block Center Console
Fuse Block Underhood Fuse: 27, 31, 33 Fuse Block Center Console
Ground G401, G402, and G403 - Pontiac
Ground G401, G402, and G403 - Pontiac
Ground G401, G402, and G403 - Pontiac
Ground G401, 402 and 403-Buick