GM Service Manual Online
For 1990-2009 cars only
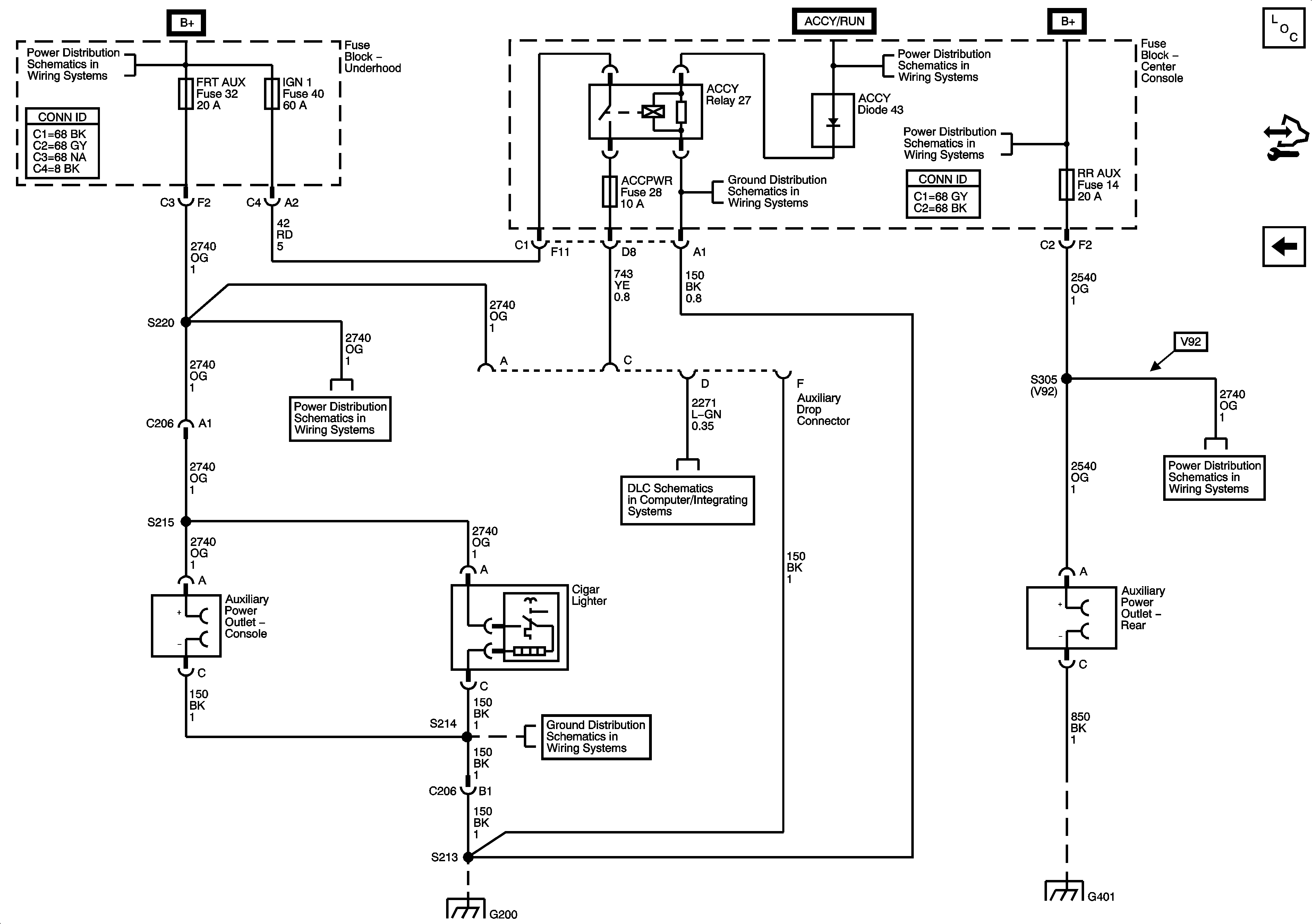
Figure 1:

Early Production Pontiac


Object Number: 1499840  Size: FS
Master Electrical Component List
Control Module References
Late Production Pontiac
B+ Bus 1 of 2
Ignition Switch - ACCY/RUN, and RUN/START Bus Bars, and BCM-ACC, IGN 1 MDL, INTEMM, and SIR Fuses
BATT 2, BCM D, ELC BATT, GATE REL, PWR MIR, and RR AUX Fuses and PWR STS Circuit Breaker
G200
Data Link Connector (DLC)
BATT 2, BCM D, ELC BATT, GATE REL, PWR MIR, and RR AUX Fuses and PWR STS Circuit Breaker
ABSMTR, ABS SOL, BCM, DVD, ECM (3.6L), FRT AUX, PCM (3.4L), S BAND, and VENT SOL Fuses
G200
G401
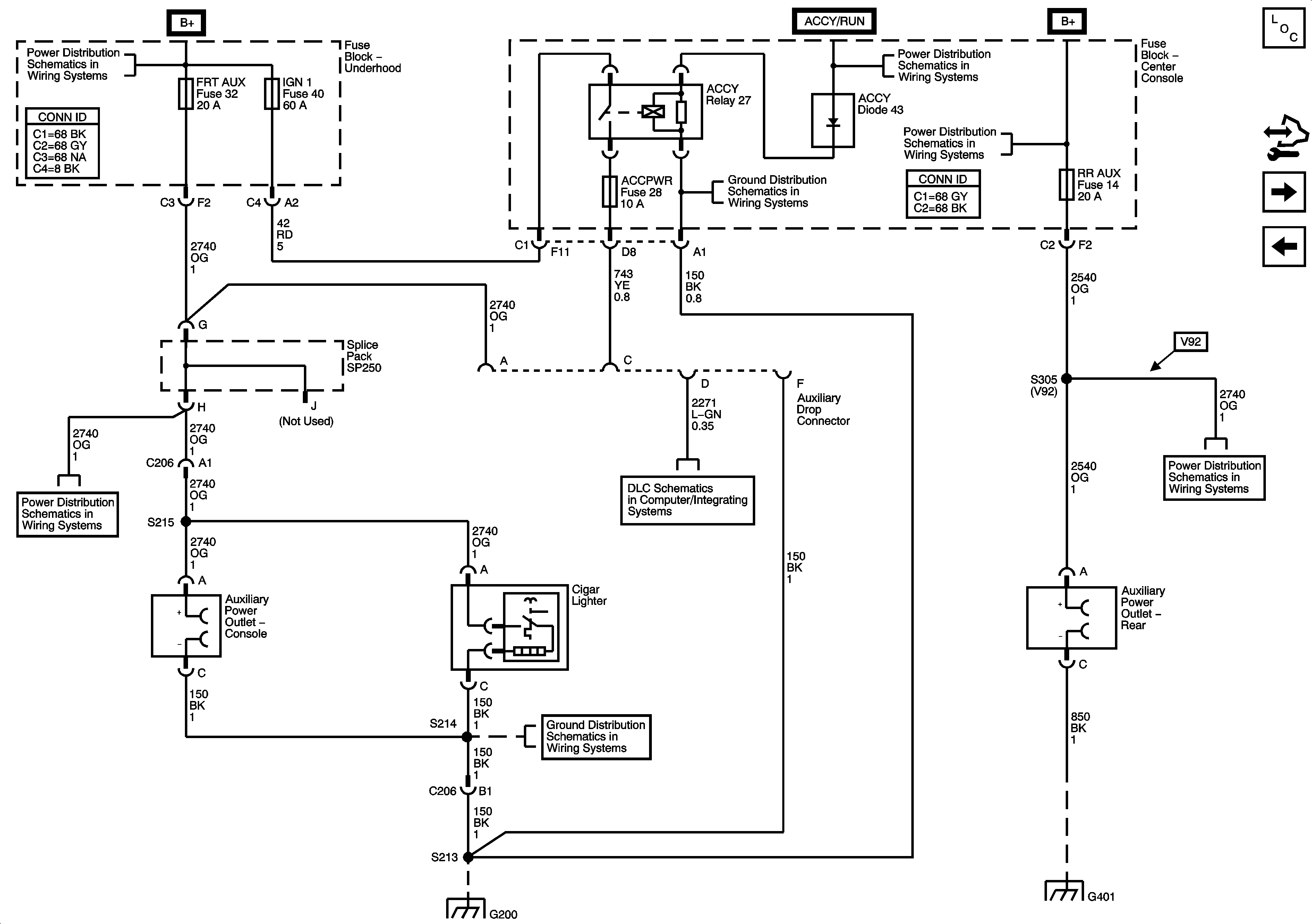
Figure 2:

Late Production Pontiac


Object Number: 1563182  Size: FS
Master Electrical Component List
Control Module References
Early Production Buick
Early Production Pontiac
B+ Bus 1 of 2
Ignition Switch - ACCY/RUN, and RUN/START Bus Bars, and BCM-ACC, IGN 1 MDL, INTEMM, and SIR Fuses
BATT 2, BCM D, ELC BATT, GATE REL, PWR MIR, and RR AUX Fuses and PWR STS Circuit Breaker
G200
Data Link Connector (DLC)
BATT 2, BCM D, ELC BATT, GATE REL, PWR MIR, and RR AUX Fuses and PWR STS Circuit Breaker
ABSMTR, ABS SOL, BCM, DVD, ECM (3.6L), FRT AUX, PCM (3.4L), S BAND, and VENT SOL Fuses
G200
G401
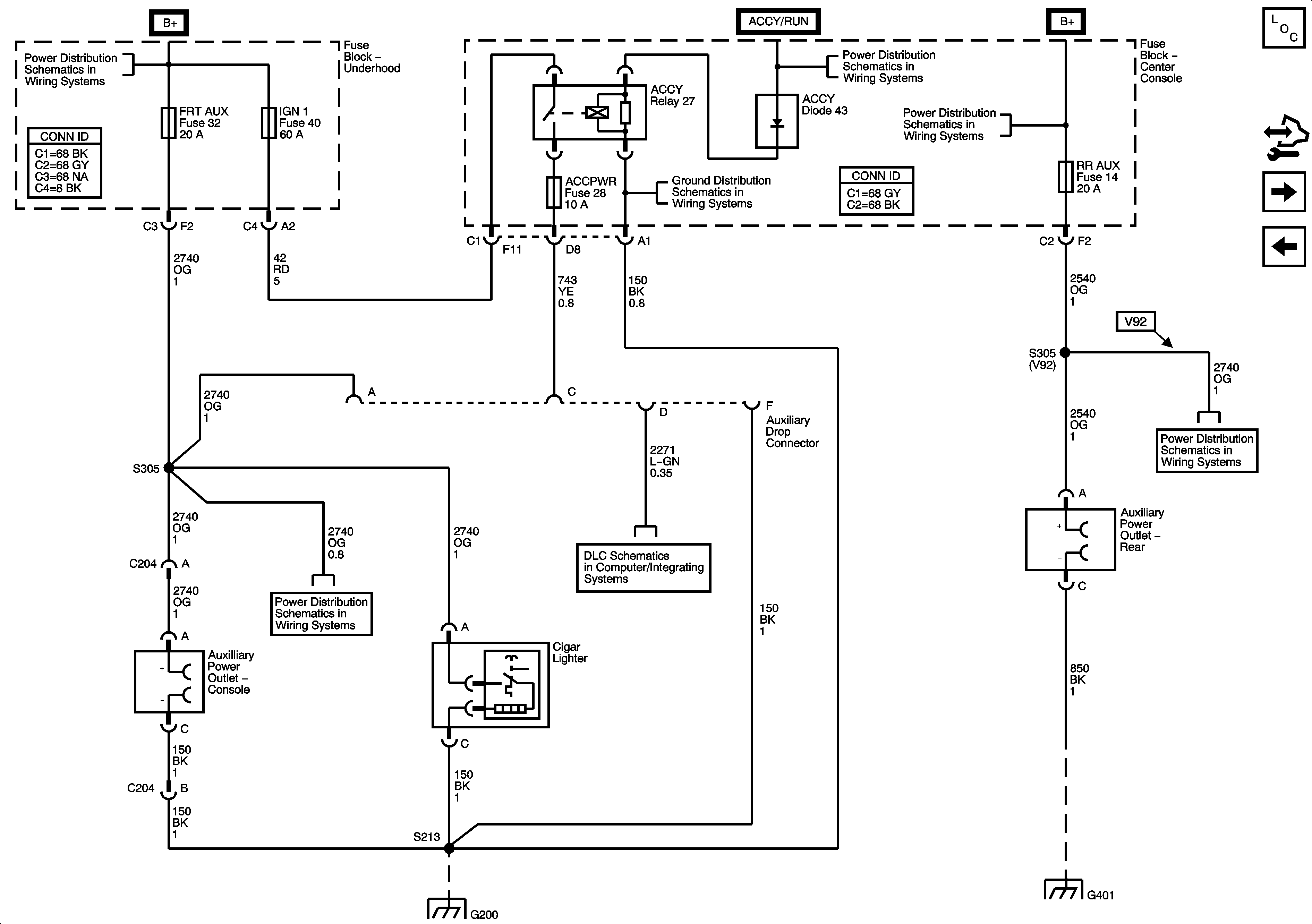
Figure 3:

Early Production Buick


Object Number: 1500837  Size: FS
Master Electrical Component List
Control Module References
Late Production Buick
Late Production Pontiac
B+ Bus 1 of 2
Ignition Switch - ACCY/RUN, and RUN/START Bus Bars, and BCM-ACC, IGN 1 MDL, INTEMM, and SIR Fuses
BATT 2, BCM D, ELC BATT, GATE REL, PWR MIR, and RR AUX Fuses and PWR STS Circuit Breaker
G200
ABSMTR, ABS SOL, BCM, DVD, ECM (3.6L), FRT AUX, PCM (3.4L), S BAND, and VENT SOL Fuses
Data Link Connector (DLC)
BATT 2, BCM D, ELC BATT, GATE REL, PWR MIR, and RR AUX Fuses and PWR STS Circuit Breaker
ABSMTR, ABS SOL, BCM, DVD, ECM (3.6L), FRT AUX, PCM (3.4L), S BAND, and VENT SOL Fuses
G200
G401
Figure 4:

Late Production Buick


Object Number: 1563184  Size: FS
Master Electrical Component List
Control Module References
Early Production Buick
B+ Bus 1 of 2
Ignition Switch - ACCY/RUN, and RUN/START Bus Bars, and BCM-ACC, IGN 1 MDL, INTEMM, and SIR Fuses
BATT 2, BCM D, ELC BATT, GATE REL, PWR MIR, and RR AUX Fuses and PWR STS Circuit Breaker
G200
ABSMTR, ABS SOL, BCM, DVD, ECM (3.6L), FRT AUX, PCM (3.4L), S BAND, and VENT SOL Fuses
Data Link Connector (DLC)
BATT 2, BCM D, ELC BATT, GATE REL, PWR MIR, and RR AUX Fuses and PWR STS Circuit Breaker
ABSMTR, ABS SOL, BCM, DVD, ECM (3.6L), FRT AUX, PCM (3.4L), S BAND, and VENT SOL Fuses
G200
G401