GM Service Manual Online
For 1990-2009 cars only

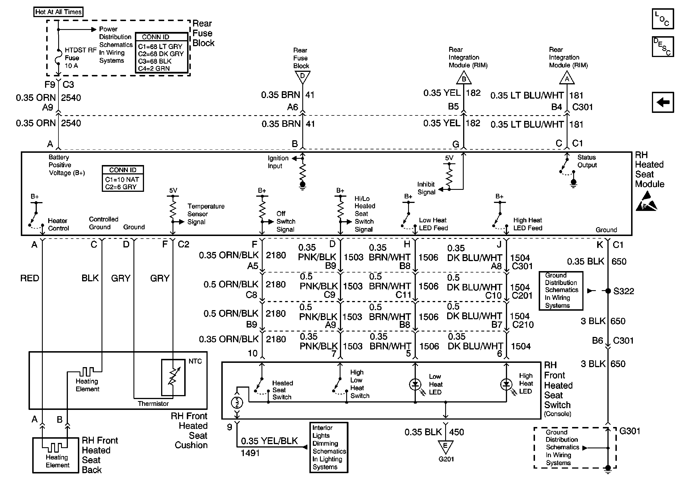
Figure 1:

Front Heated Seats (Partial)


Object Number: 402365  Size: FS
Power Seat Systems Components
Heated Seats Circuit Description
LH Heated Seat Switch and Module
Handling ESD Sensitive Parts Notice
Handling ESD Sensitive Parts Notice
HTDST RF , HTDST LF, DIM, and MEM Fuses (Rear Fuse Block)
RH Heated Seat Switch and Module
RH Heated Seat Switch and Module
RH Heated Seat Switch and Module
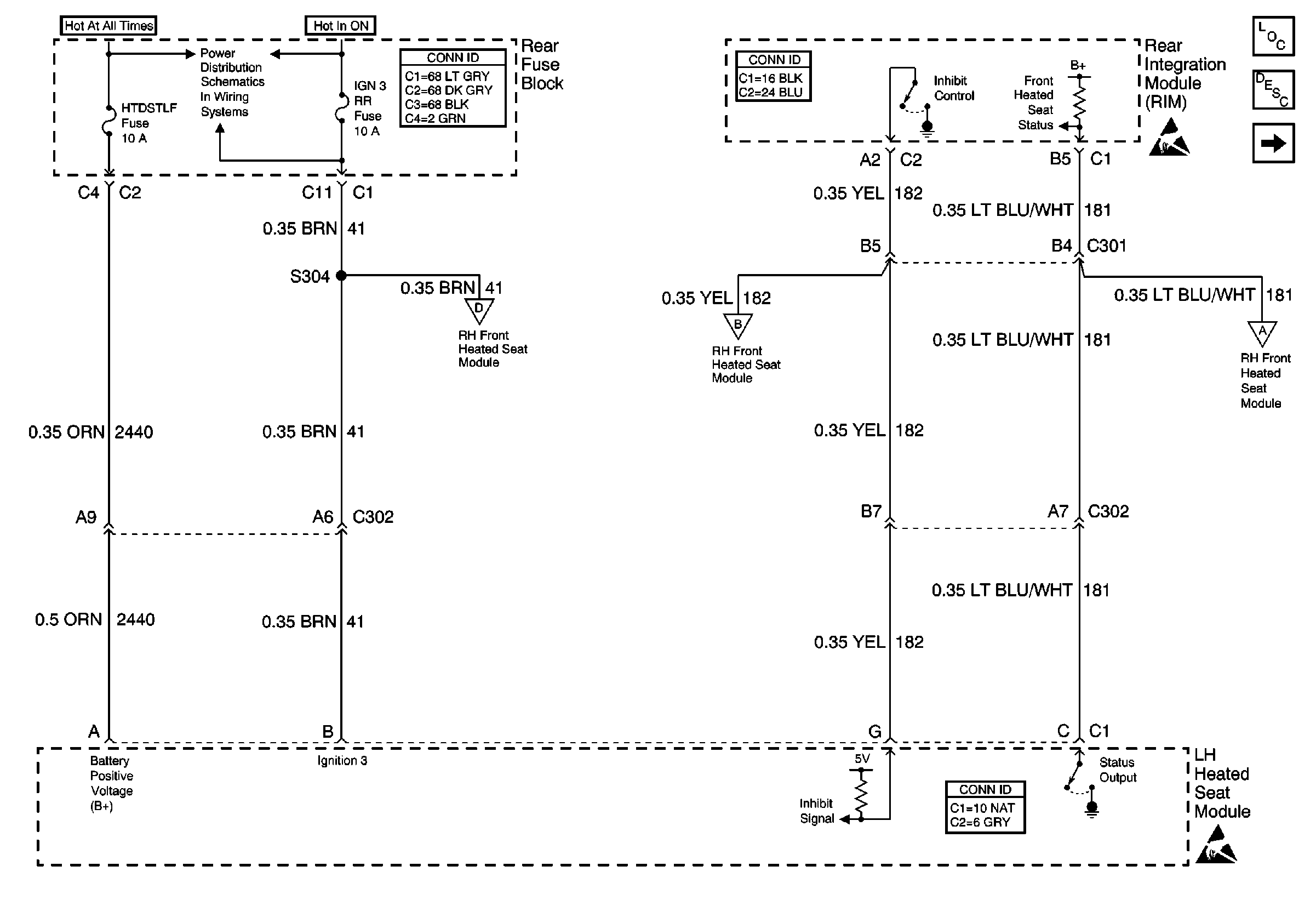
Figure 2:

LH Heated Seat Switch and Module


Object Number: 402360  Size: FS
Power Seat Systems Components
Heated Seats Circuit Description
RH Heated Seat Switch and Module
Front Heated Seats (Partial)
Handling ESD Sensitive Parts Notice
G301 (2 of 2)
G301 (2 of 2)
G200 (2 of 2)
G200 (2 of 2)
RH Heated Seat Switch and Module
Instrument Panel and Console Dimming
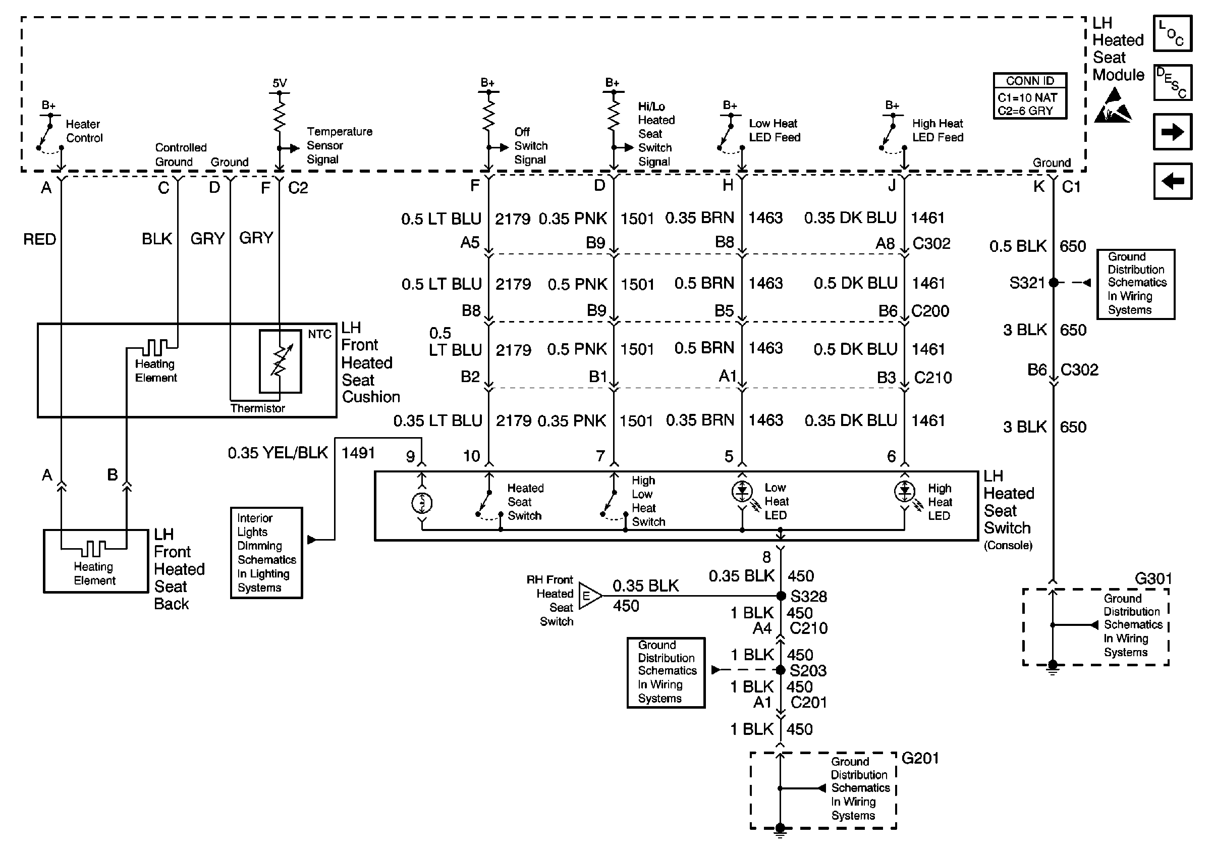
Figure 3:

RH Heated Seat Switch and Module


Object Number: 402369  Size: FS
Power Seat Systems Components
Heated Seats Circuit Description
LH Heated Seat Switch and Module
Handling ESD Sensitive Parts Notice
HTDST RF , HTDST LF, DIM, and MEM Fuses (Rear Fuse Block)
G301 (1 of 2)
G301 (1 of 2)
Instrument Panel and Console Dimming
Front Heated Seats (Partial)
Front Heated Seats (Partial)
Front Heated Seats (Partial)
LH Heated Seat Switch and Module