GM Service Manual Online
For 1990-2009 cars only
Makes
🢒
Pontiac
🢒
2000
🢒
Bonneville
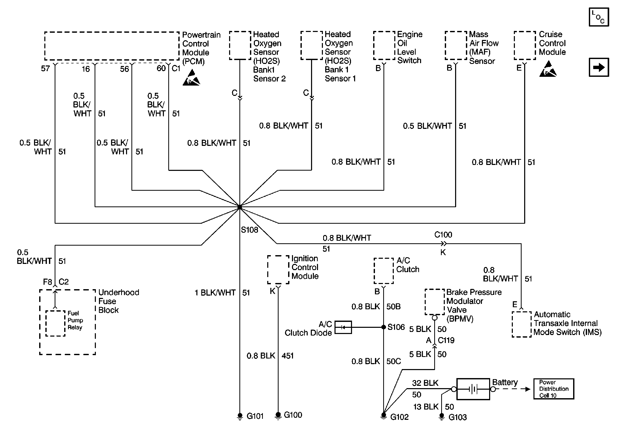
🢒 Cell 14: G101, G102 and G103
Cell 14: G101, G102 and G103
Cell 14: G101, G102 and G103
Power and Grounding Components
Cell 14: G105
Handling ESD Sensitive Parts Notice
Handling ESD Sensitive Parts Notice
Cell 10: BATT 1, THFT, BLO MOT, COOL FAN1, IGN, BATT 2, HDLP, AUX, RAP, ABS Solenoid, ABS Motor and RUN Fuses