GM Service Manual Online
For 1990-2009 cars only
Makes
🢒
Pontiac
🢒
2000
🢒
Bonneville
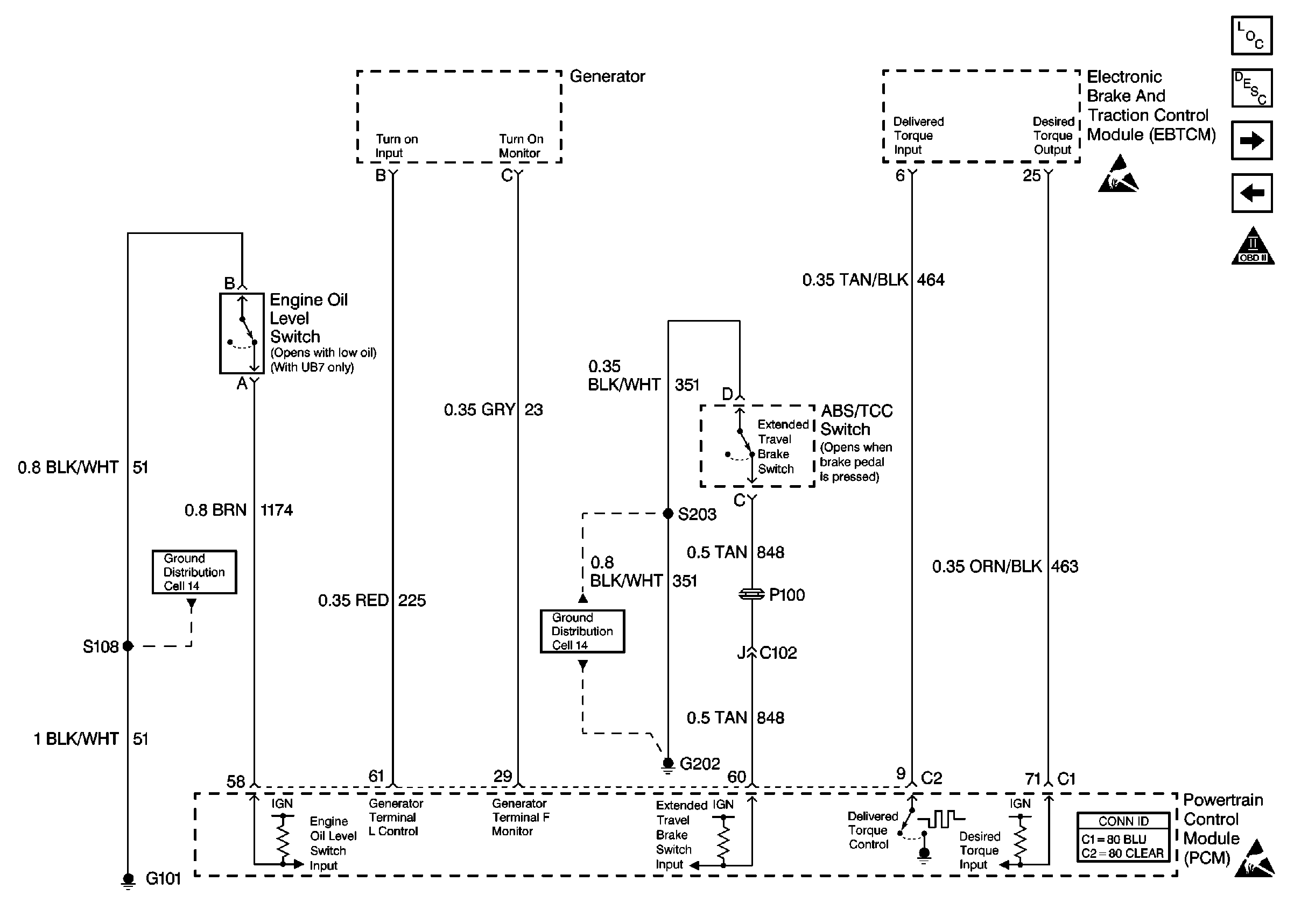
🢒 EBTCM, Generator Controls, Engine Oil Level Switch
EBTCM, Generator Controls, Engine Oil Level Switch
EBTCM, Generator Controls, Engine Oil Level Switch
Engine Controls Components
Powertrain Control Module Description
Cell 20: Transaxle Solenoids and ABS/TCC Switch
Cell 20: EGR and EVAP Purge Valve
OBD II Symbol Description Notice
Handling ESD Sensitive Parts Notice
Handling ESD Sensitive Parts Notice
Ground Distribution Schematics
Ground Distribution Schematics
Powertrain Control Module Connector End Views