GM Service Manual Online
For 1990-2009 cars only
Makes
🢒
Pontiac
🢒
2000
🢒
Bonneville
🢒 Cell 20: Sensors
Cell 20: Sensors
Cell 20: Sensors
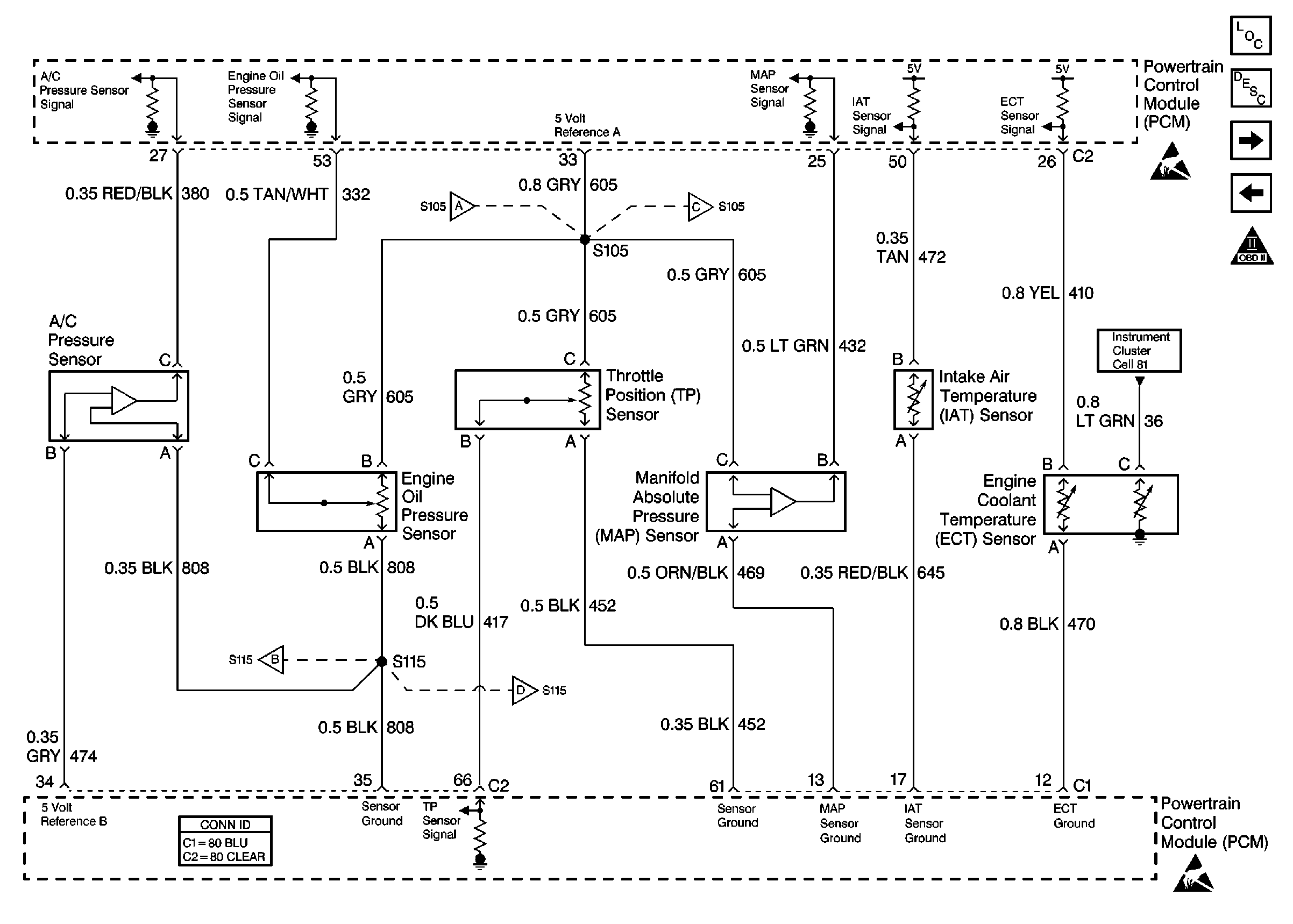
Engine Controls Components
Powertrain Control Module Description
Cell 20: Fuel Tank Pressure Sensor, EVAP Vent Valve
Cell 20: Fuel Injectors
OBDII Symbol Description Notice
Handling ESD Sensitive Parts Notice
Instrument Cluster: Analog Schematics
Cell 20: Fuel Tank Pressure Sensor, EVAP Vent Valve
Cell 20: Fuel Injectors
Cell 20: Fuel Tank Pressure Sensor, EVAP Vent Valve
Cell 20: Fuel Tank Pressure Sensor, EVAP Vent Valve
Handling ESD Sensitive Parts Notice
Powertrain Control Module Connector End Views