GM Service Manual Online
For 1990-2009 cars only
Makes
🢒
Pontiac
🢒
2000
🢒
Bonneville
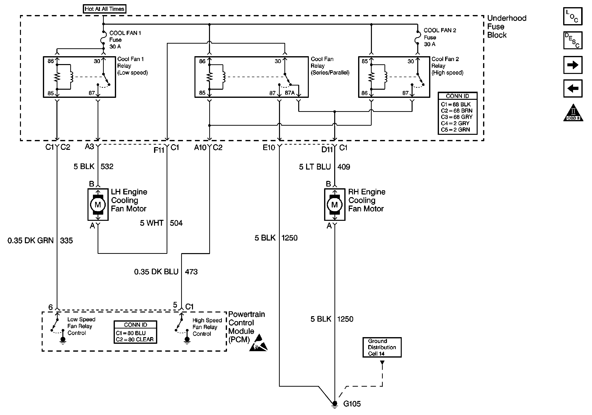
🢒 Cell 20: Engine Cooling Fan Motor Controls
Cell 20: Engine Cooling Fan Motor Controls
Cell 20: Engine Cooling Fan Motor Controls
Engine Controls Components
Powertrain Control Module Description
Cell 20: A/C Clutch Control
OBD II Symbol Description Notice
Handling ESD Sensitive Parts Notice
Ground Distribution Schematics
Powertrain Control Module Connector End Views