GM Service Manual Online
For 1990-2009 cars only
Makes
🢒
Pontiac
🢒
2000
🢒
Bonneville
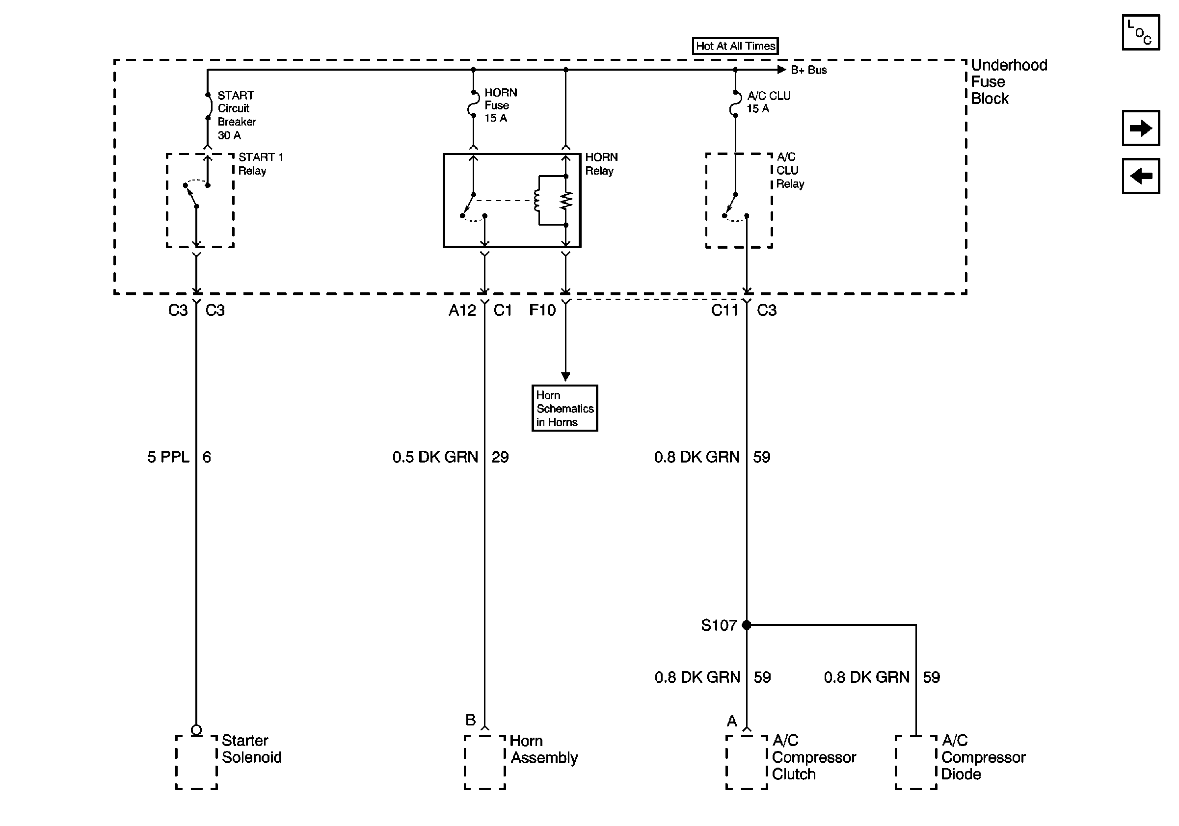
🢒 START Circuit Breaker, START, HORN and A/C CLUTCH Relay, HORN and A/C CLU Fuses (Underhood Fuse Block)
START Circuit Breaker, START, HORN and A/C CLUTCH Relay, HORN and A/C CLU Fuses (Underhood Fuse Block)
START Circuit Breaker, START, HORN and A/C CLUTCH Relay, HORN and A/C CLU Fuses (Underhood Fuse Block)
Power and Grounding Components
High Beam, Low Beam and DRL Relays, High Beam and Low Beam Fuses (U/HBEC)
START 1 Relay, INJR 2, PCM IGN, CR CONT, and INJR 1 Fuses (UnDERhood Fuse Block)
Battery Feed to the Underhood Fuse Block
Horns