GM Service Manual Online
For 1990-2009 cars only
Makes
🢒
Pontiac
🢒
2000
🢒
Bonneville
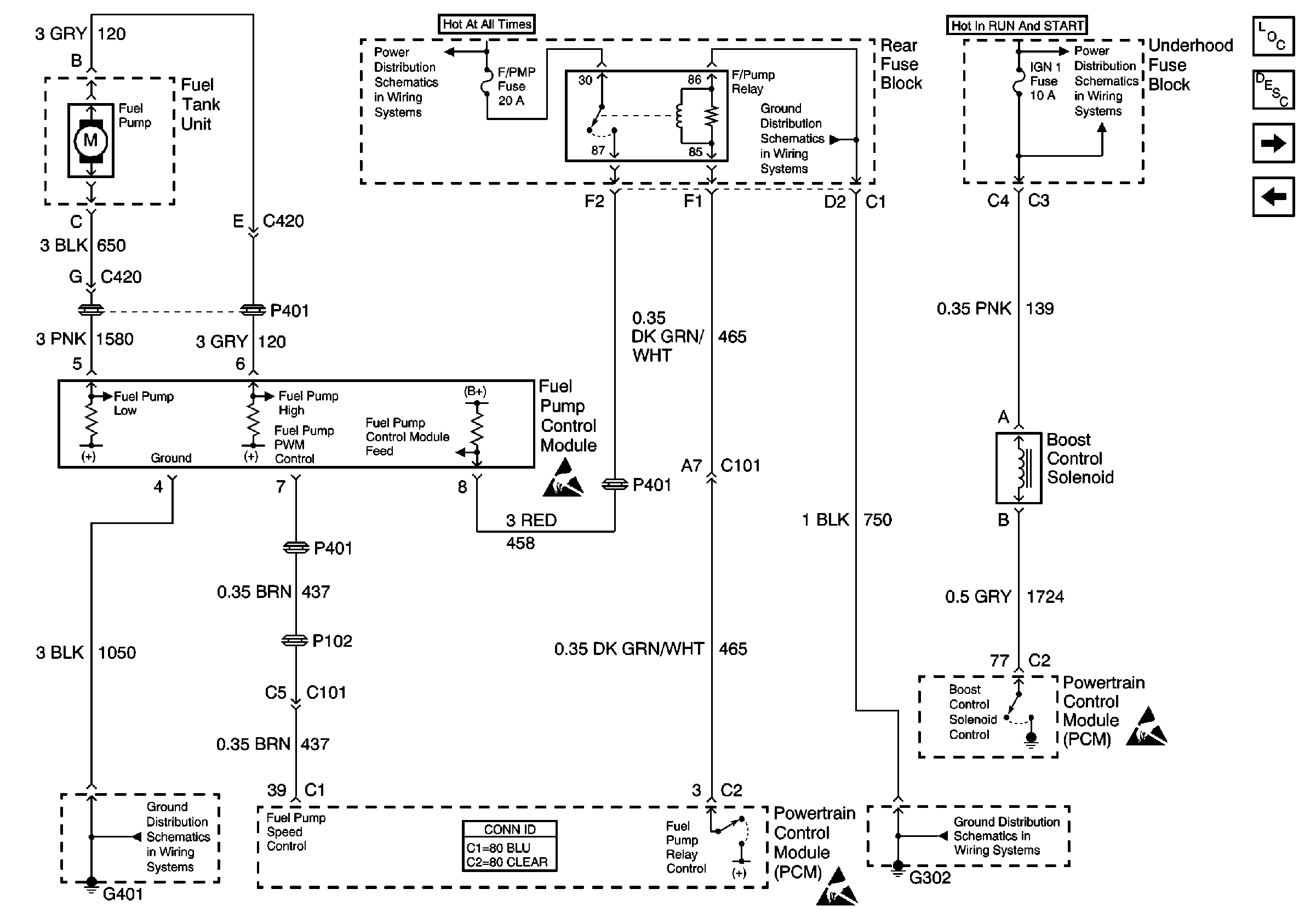
🢒 Fuel Pump Control, L67
Fuel Pump Control, L67
Fuel Pump Control, L67
Engine Controls Components
Powertrain Control Module Description
Fuel Injectors
Fuel Pump and Relay, L36
Handling ESD Sensitive Parts Notice
Handling ESD Sensitive Parts Notice
Handling ESD Sensitive Parts Notice
Battery Voltage to the Rear Fuse Block
G302
IGN-1 Relay, TRANS, DIS, OXY SEN, and IGN 1 Fuses (Underhood Fuse Block)
G401 (1 of 2)
G302