GM Service Manual Online
For 1990-2009 cars only
Makes
🢒
Pontiac
🢒
2000
🢒
Bonneville
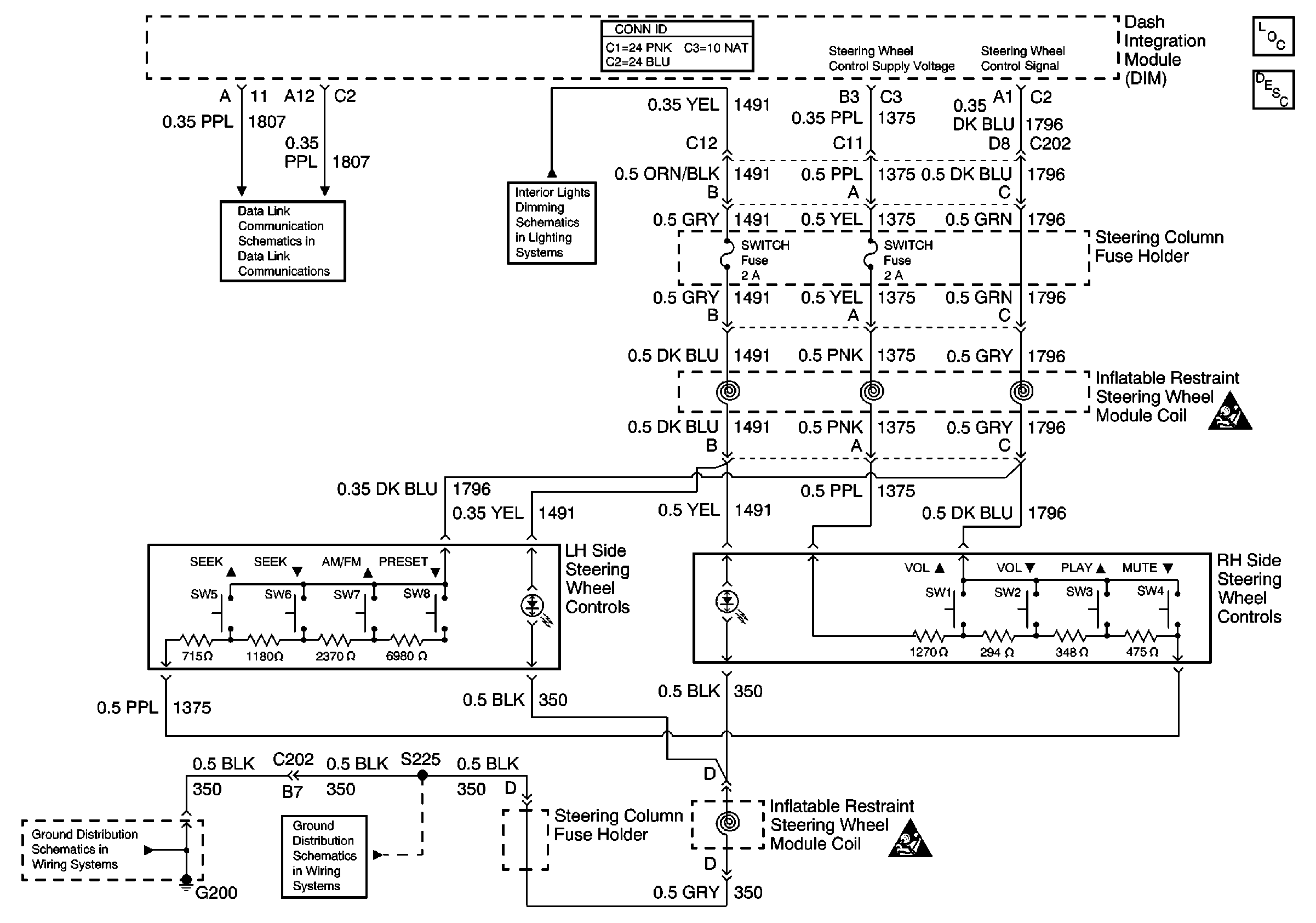
🢒 Steering Wheel Controls
Steering Wheel Controls
Steering Wheel Controls
Entertainment Components
Radio/Audio System Description
Instrument Panel and Console Dimming
G200 (1 of 2)
G200 (1 of 2)