GM Service Manual Online
For 1990-2009 cars only
Makes
🢒
Pontiac
🢒
2000
🢒
Bonneville
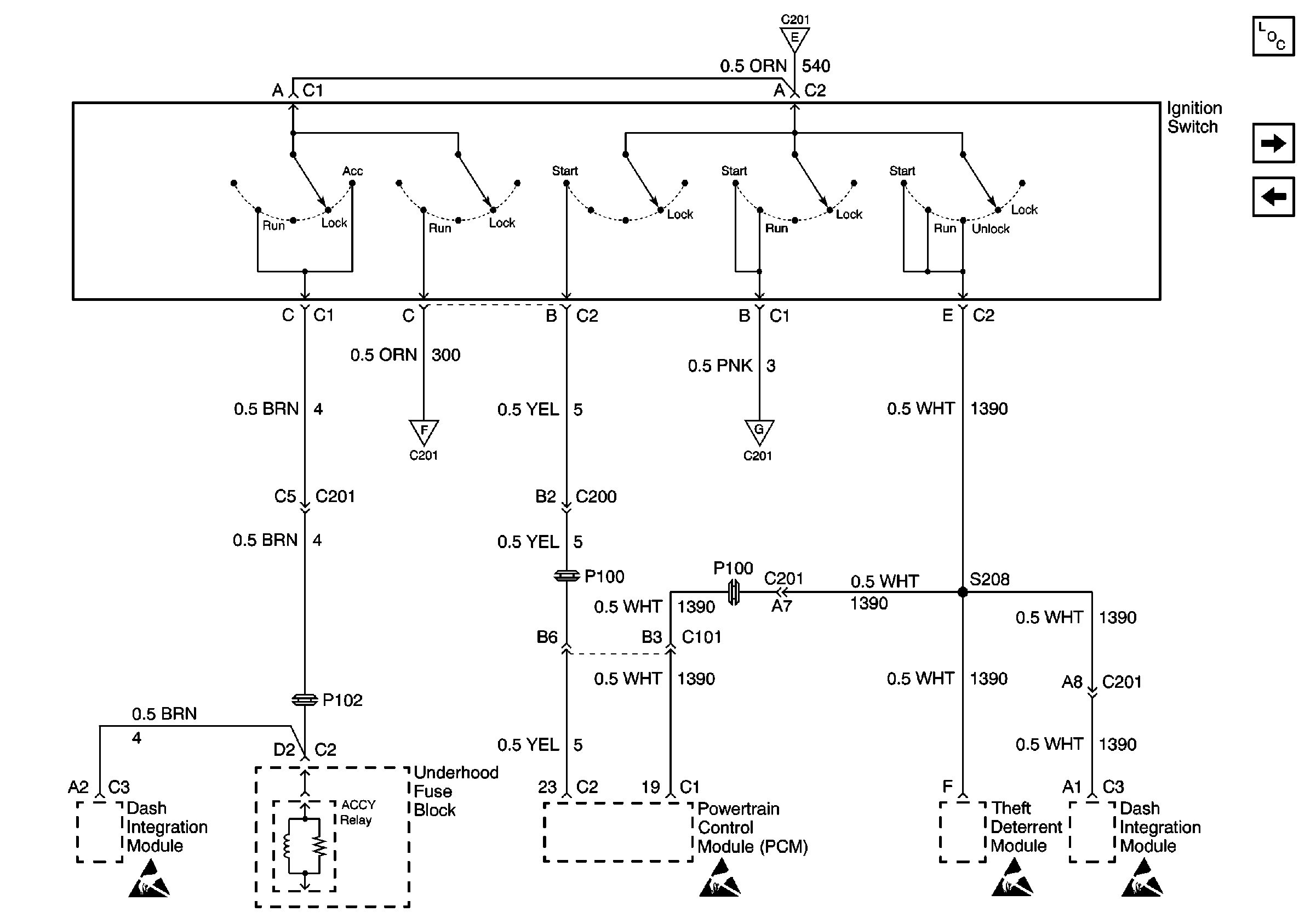
🢒 Ignition Switch
Ignition Switch
Ignition Switch
Power and Grounding Components
Circuits from the Ignition Switch
IGN SW and NSBU Fuses (Rear Fuse Block)
IGN SW and NSBU Fuses (Rear Fuse Block)
Circuits from the Ignition Switch
Circuits from the Ignition Switch
Handling ESD Sensitive Parts Notice
Handling ESD Sensitive Parts Notice
Handling ESD Sensitive Parts Notice
Handling ESD Sensitive Parts Notice
Handling ESD Sensitive Parts Notice
Handling ESD Sensitive Parts Notice