GM Service Manual Online
For 1990-2009 cars only
Makes
🢒
Pontiac
🢒
2000
🢒
Bonneville
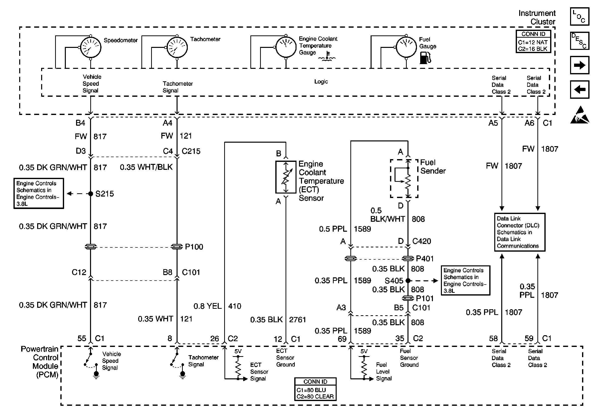
🢒 Engine Coolant Temperature, Fuel, Speedometer, and Tachometer Gauges
Engine Coolant Temperature, Fuel, Speedometer, and Tachometer Gauges
Engine Coolant Temperature, Fuel, Speedometer, and Tachometer Gauges
Instrument Cluster and HUD Components
Instrument Cluster Circuit Description
Engine Oil Pressure, Boost, and Volt Gauges
Power, Ground, Class 2
Handling ESD Sensitive Parts Notice
VSS, HUD, Cruise, IP
Fuel Tank Pressure Sensor, EVAP Canister Vent Solenoid
Serial Data Class 2