GM Service Manual Online
For 1990-2009 cars only
Makes
🢒
Pontiac
🢒
2000
🢒
Bonneville
🢒 Systems Monitor
Systems Monitor
Systems Monitor
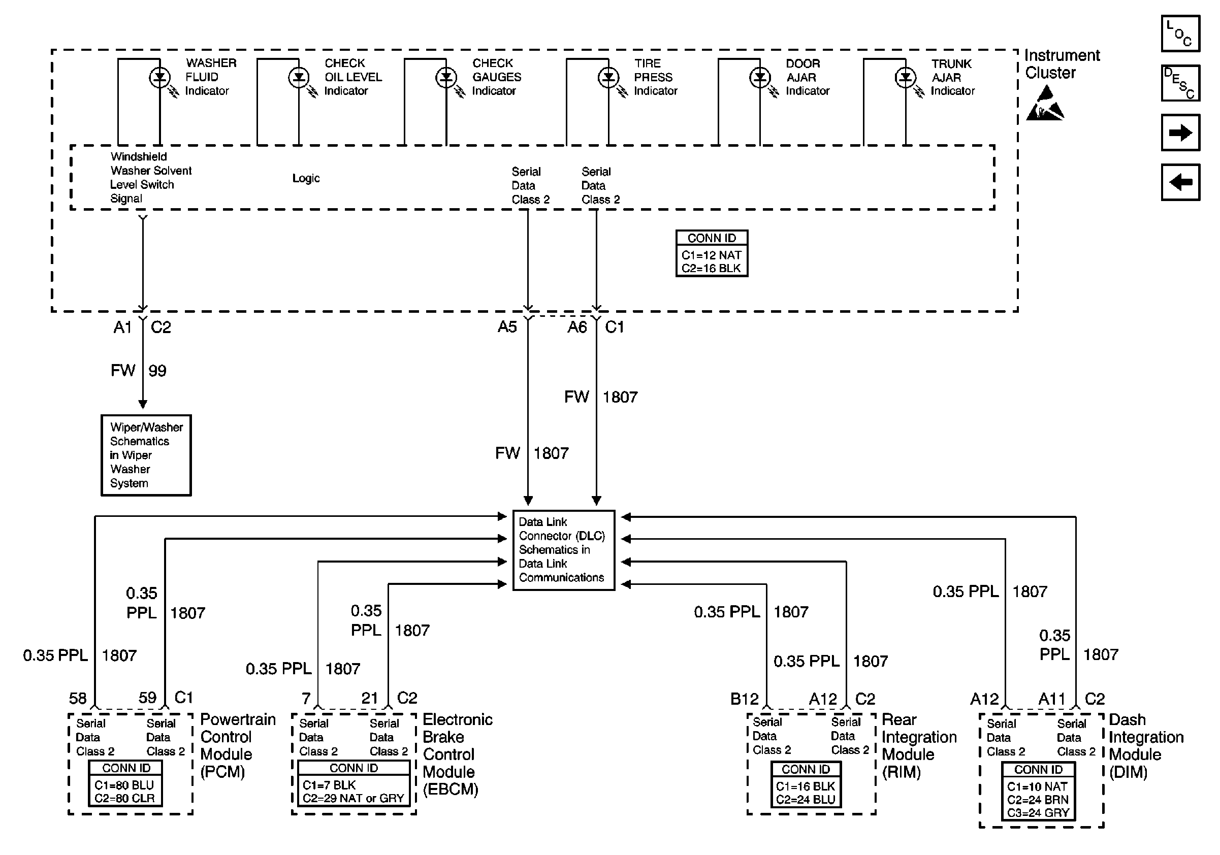
Instrument Cluster and HUD Components
Instrument Cluster Circuit Description
DIC Switch (U50)
Air Bag, Fasten Safety Belt, Lighting, and Security Indicators
Handling ESD Sensitive Parts Notice
Wiper/Washer Switch and Fuse
Serial Data Class 2