GM Service Manual Online
For 1990-2009 cars only
Makes
🢒
Pontiac
🢒
2000
🢒
Bonneville
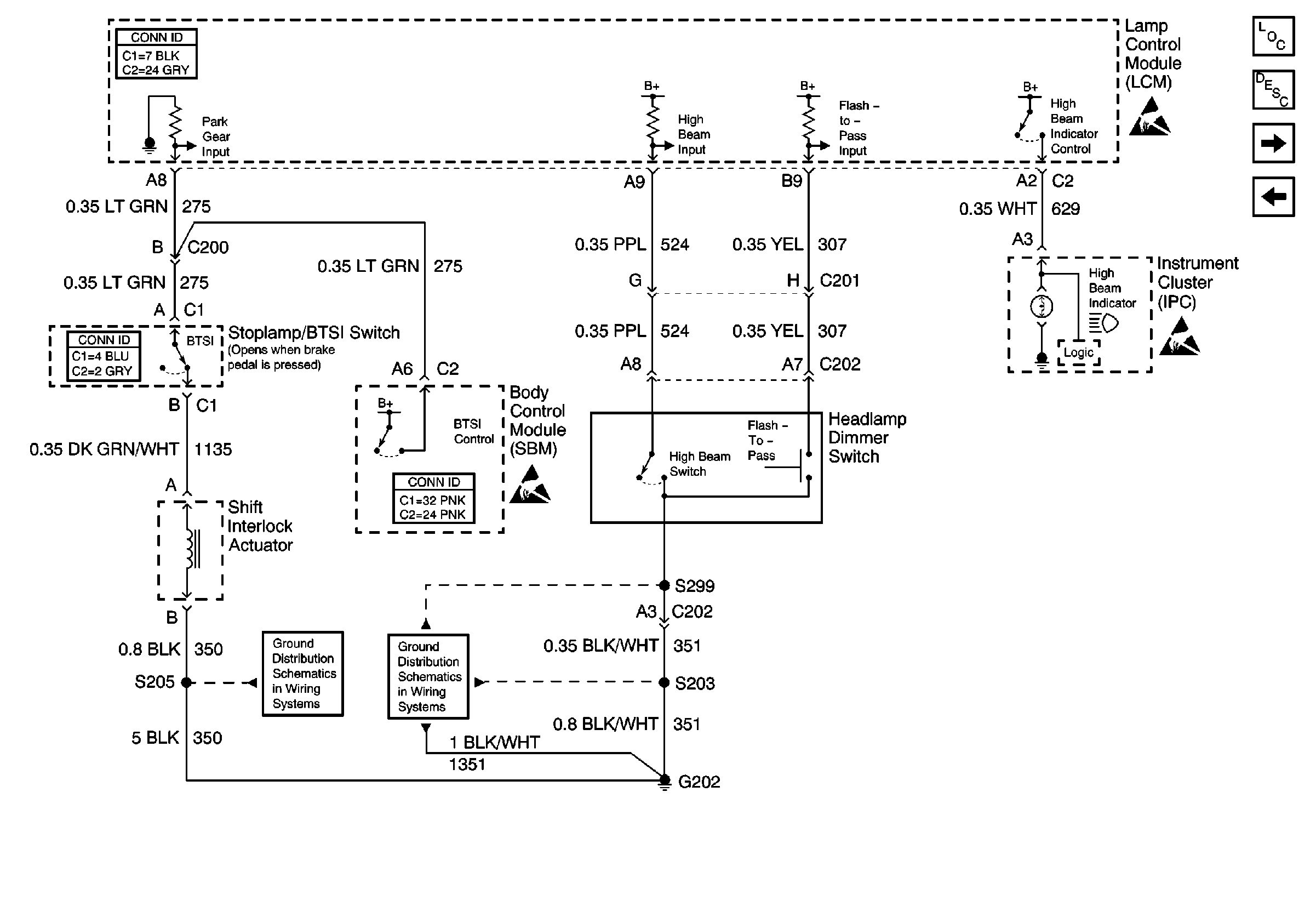
🢒 Headlamp Dimmer, Park Gear Input, and High Beam Indicator
Headlamp Dimmer, Park Gear Input, and High Beam Indicator
Headlamp Dimmer, Park Gear Input, and High Beam Indicator
Lighting Systems Components
Headlights Circuit Description
Low Beam Headlamps
Headlamp Switch and Ambient Light Sensor
Handling ESD Sensitive Parts Notice
Handling ESD Sensitive Parts Notice
Handling ESD Sensitive Parts Notice
G202, 4 of 4
G202, 1 of 4