GM Service Manual Online
For 1990-2009 cars only
Makes
🢒
Pontiac
🢒
2000
🢒
Bonneville
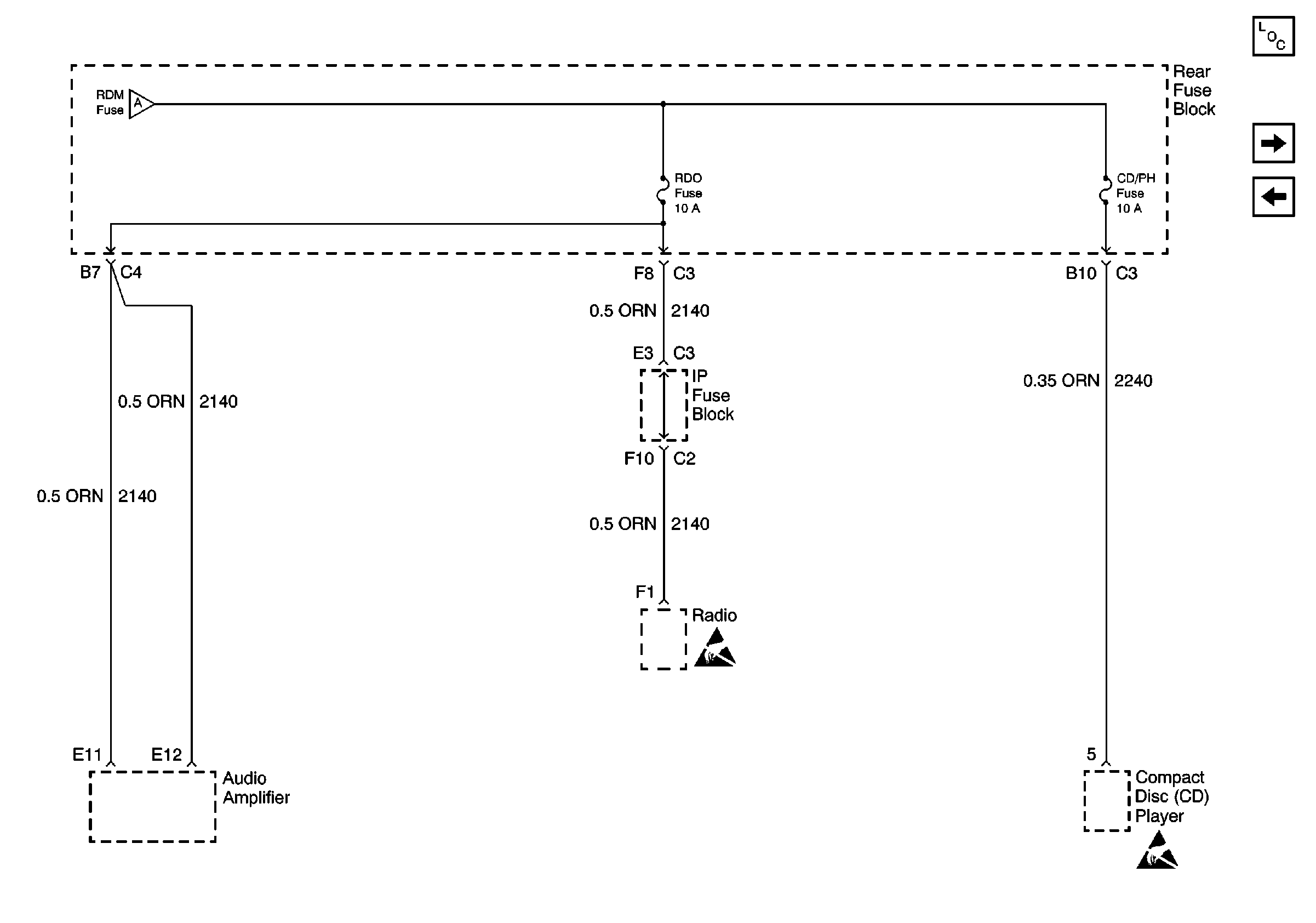
🢒 Rear Fuse Block, RDO, RDO/PH and CD/PH Fuses
Rear Fuse Block, RDO, RDO/PH and CD/PH Fuses
Rear Fuse Block, RDO, RDO/PH and CD/PH Fuses
Power and Grounding Components
Underhood Fuse Block, RUN Fuse/IP Fuse Block, RUN Fuse, IGN-3 and Run/Accessory Relays
Underhood Fuse Block, BAT 1 Fuse/Rear Fuse Block, RDM, C/LTR, DDM, HTDST L and TRK REL Fuses/ IP Fuse Block, PDM, SBM and CSTR/SBM Fuses
Underhood Fuse Block, BAT 1 Fuse/Rear Fuse Block, RDM, C/LTR, DDM, HTDST L and TRK REL Fuses/ IP Fuse Block, PDM, SBM and CSTR/SBM Fuses
Handling ESD Sensitive Parts Notice
Handling ESD Sensitive Parts Notice