GM Service Manual Online
For 1990-2009 cars only
Makes
🢒
Pontiac
🢒
2000
🢒
Bonneville
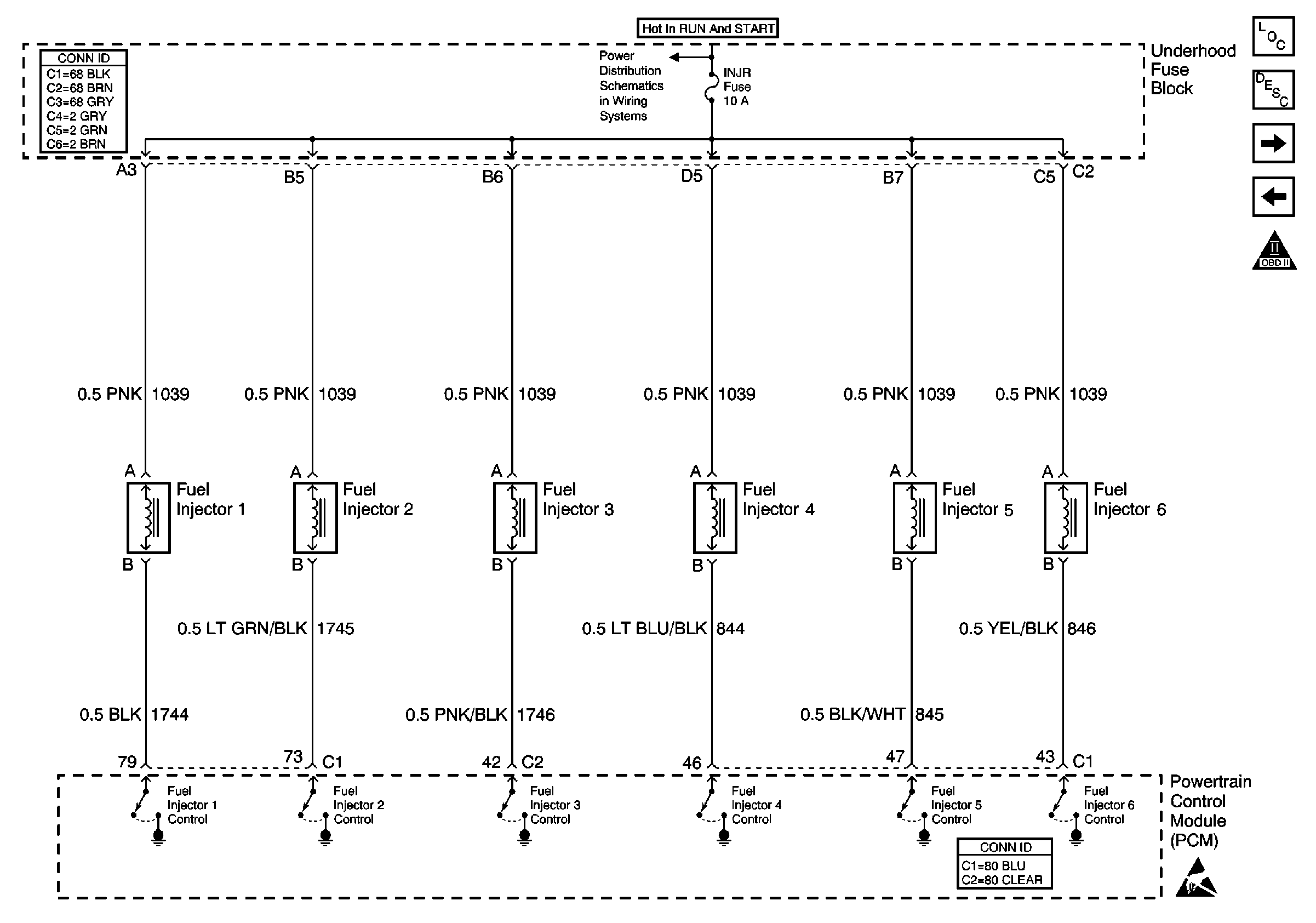
🢒 Fuel Injectors
Fuel Injectors
Fuel Injectors
Engine Controls Components
Powertrain Control Module Description
OBD II Symbol Description Notice
Transaxle Solenoids and ABS/TCC Switch
Fuel Control, L67
Underhood Fuse Block, PCM, SDM and INJ Fuses
Handling ESD Sensitive Parts Notice