GM Service Manual Online
For 1990-2009 cars only
Makes
🢒
Pontiac
🢒
2000
🢒
Bonneville
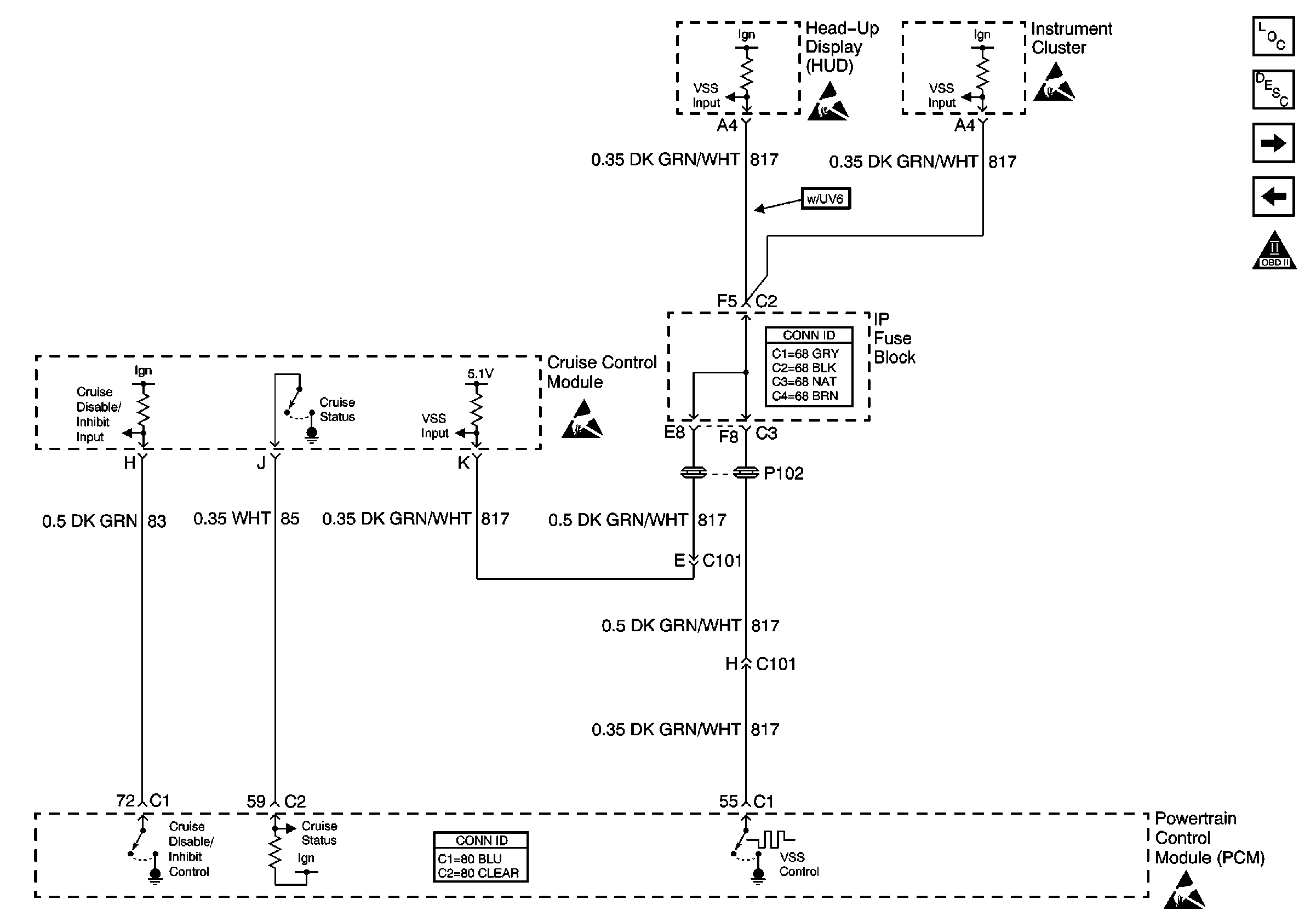
🢒 Cruise Control Module and VSS Control
Cruise Control Module and VSS Control
Cruise Control Module and VSS Control
Engine Controls Components
Powertrain Control Module Description
OBD II Symbol Description Notice
EGR and EVAP Purge Valve
MAF, IAC, and Knock Sensors
Handling ESD Sensitive Parts Notice
Handling ESD Sensitive Parts Notice
Handling ESD Sensitive Parts Notice
Handling ESD Sensitive Parts Notice