GM Service Manual Online
For 1990-2009 cars only
Makes
🢒
Pontiac
🢒
2000
🢒
Bonneville
🢒 ALC Suspension
ALC Suspension
ALC Suspension
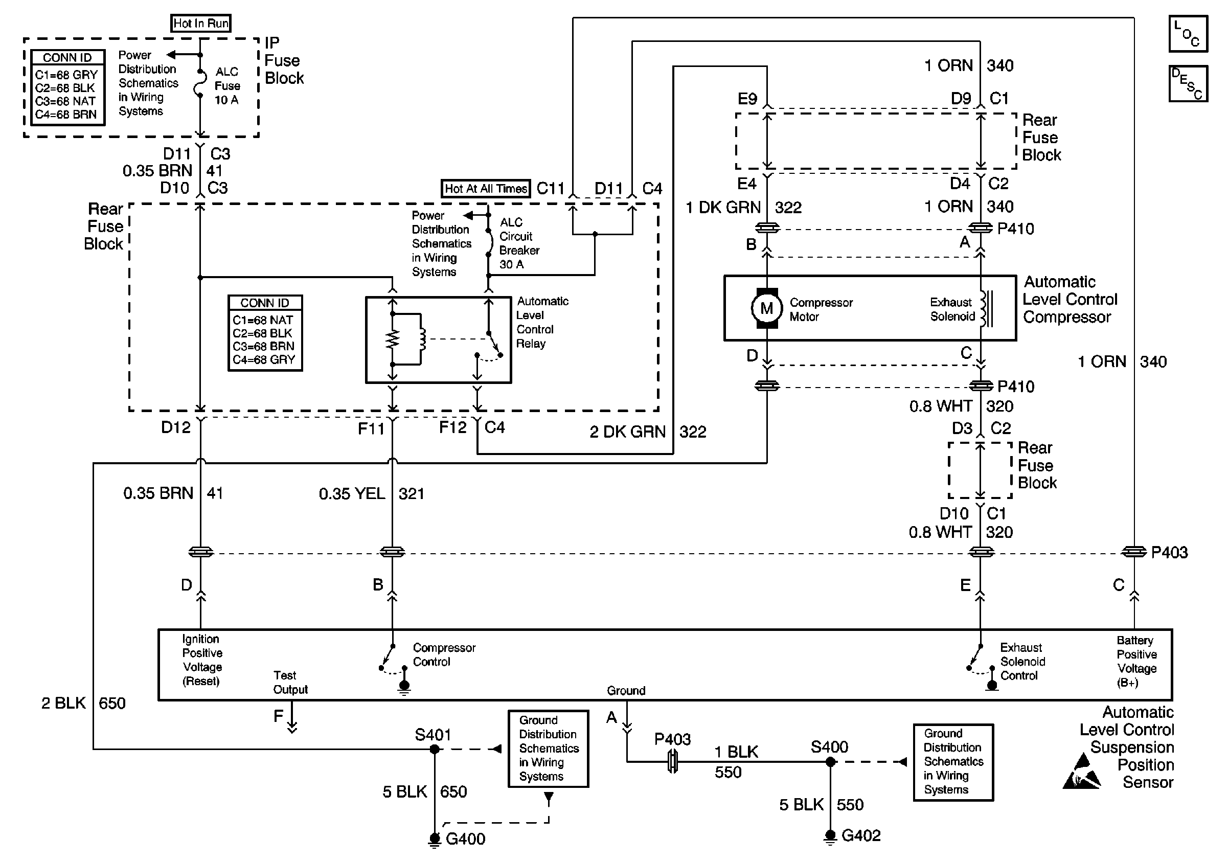
Automatic Level Control Suspension Components
Automatic Level Control System Operation
Handling ESD Sensitive Parts Notice
Underhood Fuse Block, RUN Fuse/IP Fuse Block, RUN Fuse, IGN-3 and Run/Accessory Relays
G400, 1 of 2
G306 and G402
IP Fuse Block, ELC, HUD, ABS, and CRUISE Fuses