GM Service Manual Online
For 1990-2009 cars only
Makes
🢒
Pontiac
🢒
2000
🢒
Bonneville
🢒 Multifunction Lever
Multifunction Lever
Multifunction Lever
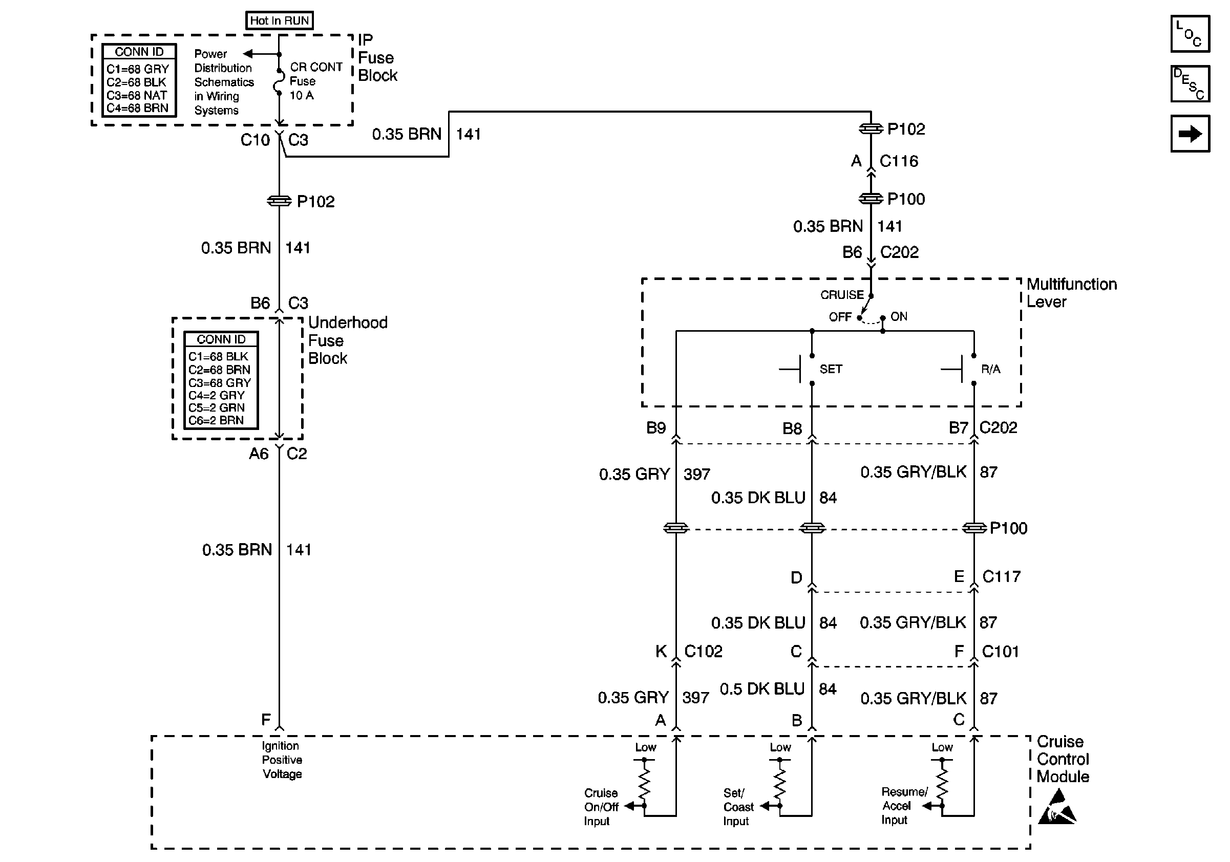
Cruise Control Components
Cruise Control System Circuit Description
ABS/TCC Switch
Handling ESD Sensitive Parts Notice
Underhood Fuse Block, RUN/CRANK Fuse and IGN-1 Relay