GM Service Manual Online
For 1990-2009 cars only
Makes
🢒
Pontiac
🢒
2000
🢒
Bonneville
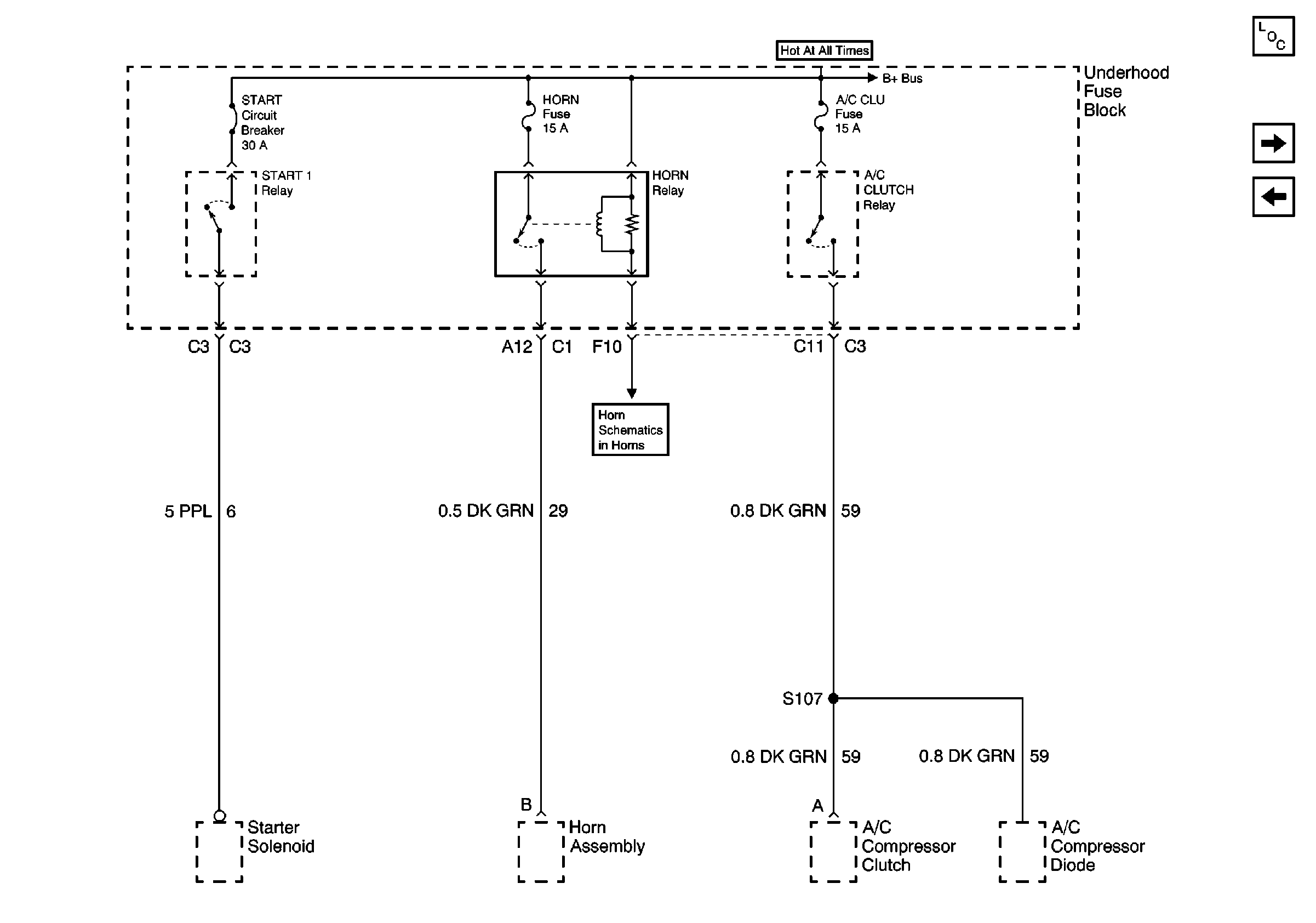
🢒 START Circuit Breaker, HORN, and A/C CLU Fuses (Underhood Fuse Block)
START Circuit Breaker, HORN, and A/C CLU Fuses (Underhood Fuse Block)
START Circuit Breaker, HORN, and A/C CLU Fuses (Underhood Fuse Block)
Power and Grounding Components
FOG/DRL Fuse, Headlamp, Fog Lamp and DRL Relays (Underhood Fuse Block)
INJ1 and INJ2 Fuses, CR CONT, PCM IGN Fuses (Underhood Fuse Block)
00 310 Horns