GM Service Manual Online
For 1990-2009 cars only
Makes
🢒
Pontiac
🢒
2000
🢒
Bonneville
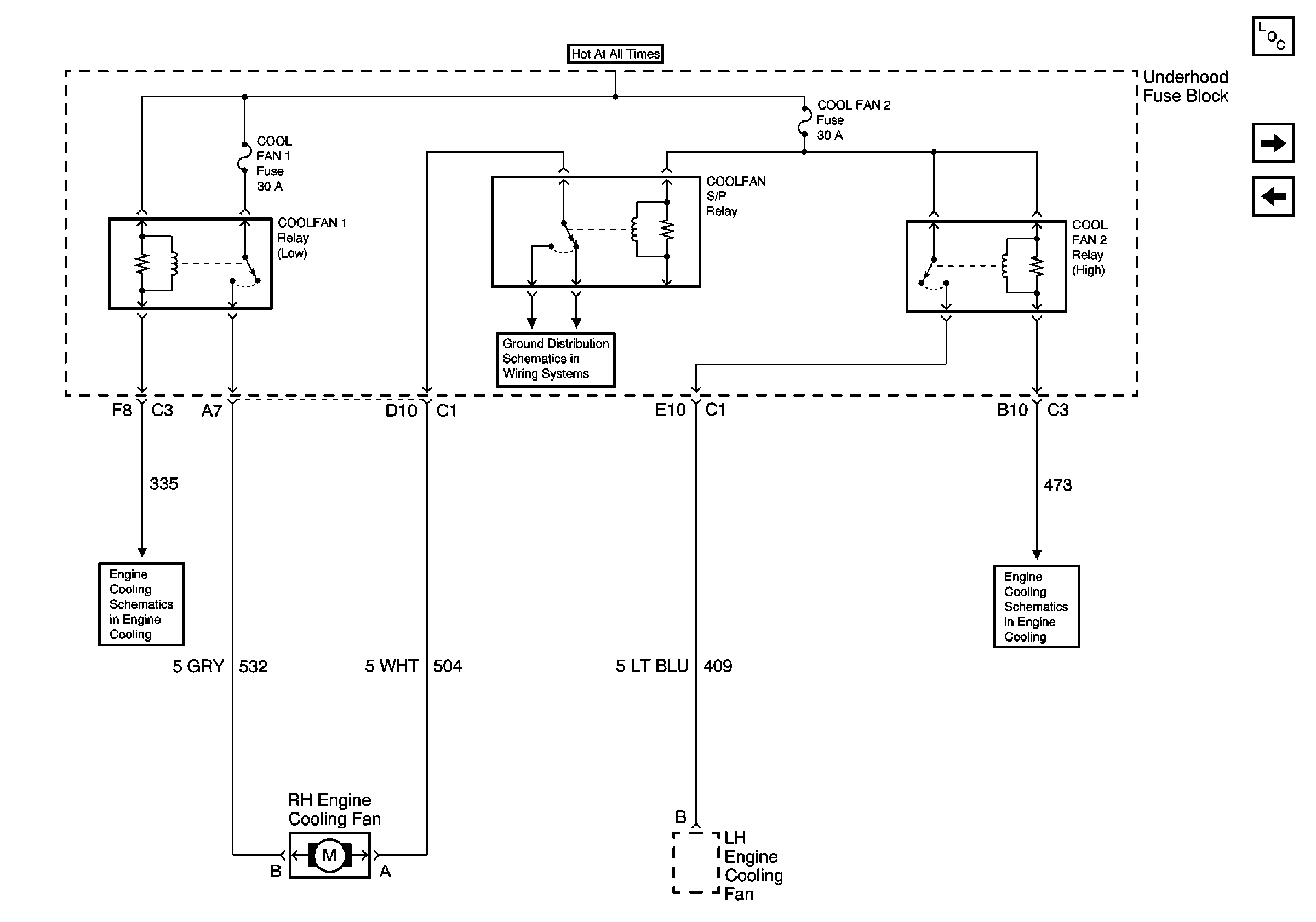
🢒 Cooling Fan Fuses and Relays (Underhood Fuse Block)
Cooling Fan Fuses and Relays (Underhood Fuse Block)
Cooling Fan Fuses and Relays (Underhood Fuse Block)
Power and Grounding Components
AIR, C/LTR, AUX PWR, WSW, ACCY Fuses and ACCY Relay (Underhood Fuse Block)
ABS and PCM BATT Fuses (Underhood Fuse Block)
Cooling Fans and Relays
Cooling Fans and Relays