GM Service Manual Online
For 1990-2009 cars only
Makes
🢒
Pontiac
🢒
2000
🢒
Bonneville
🢒 Generator, Brake and Traction Controls, Oil level and BTSI Switches
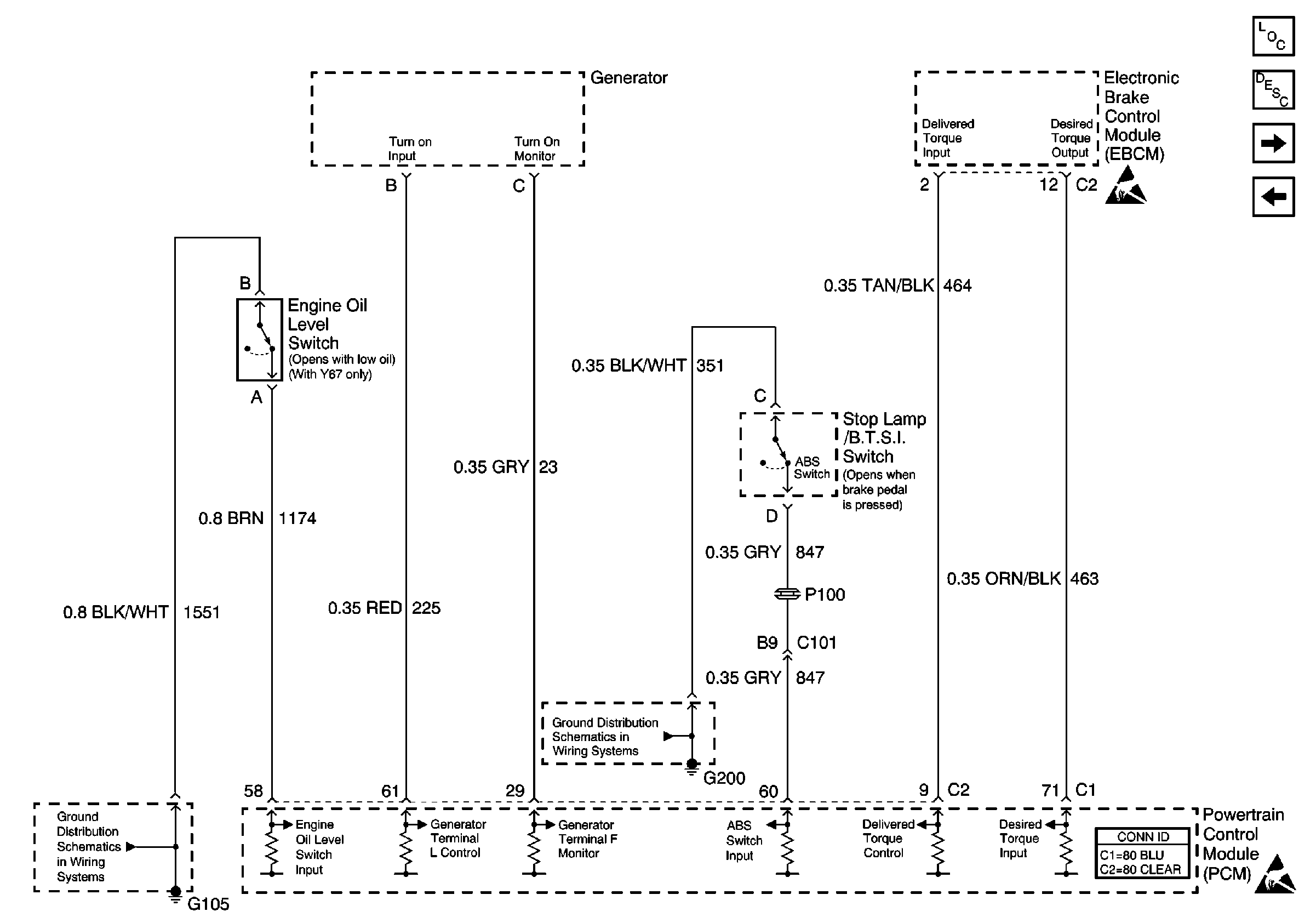
Generator, Brake and Traction Controls, Oil level and BTSI Switches
Generator, Brake and Traction Controls, Oil level and BTSI Switches
Engine Controls Components
Powertrain Control Module Description
A/C Clutch and Relay
EVAP Purge Valve, EGR Valve
Handling ESD Sensitive Parts Notice
Handling ESD Sensitive Parts Notice
G104 and G105
G200 (1 of 2)