GM Service Manual Online
For 1990-2009 cars only

Refer to Engine Controls Schematics

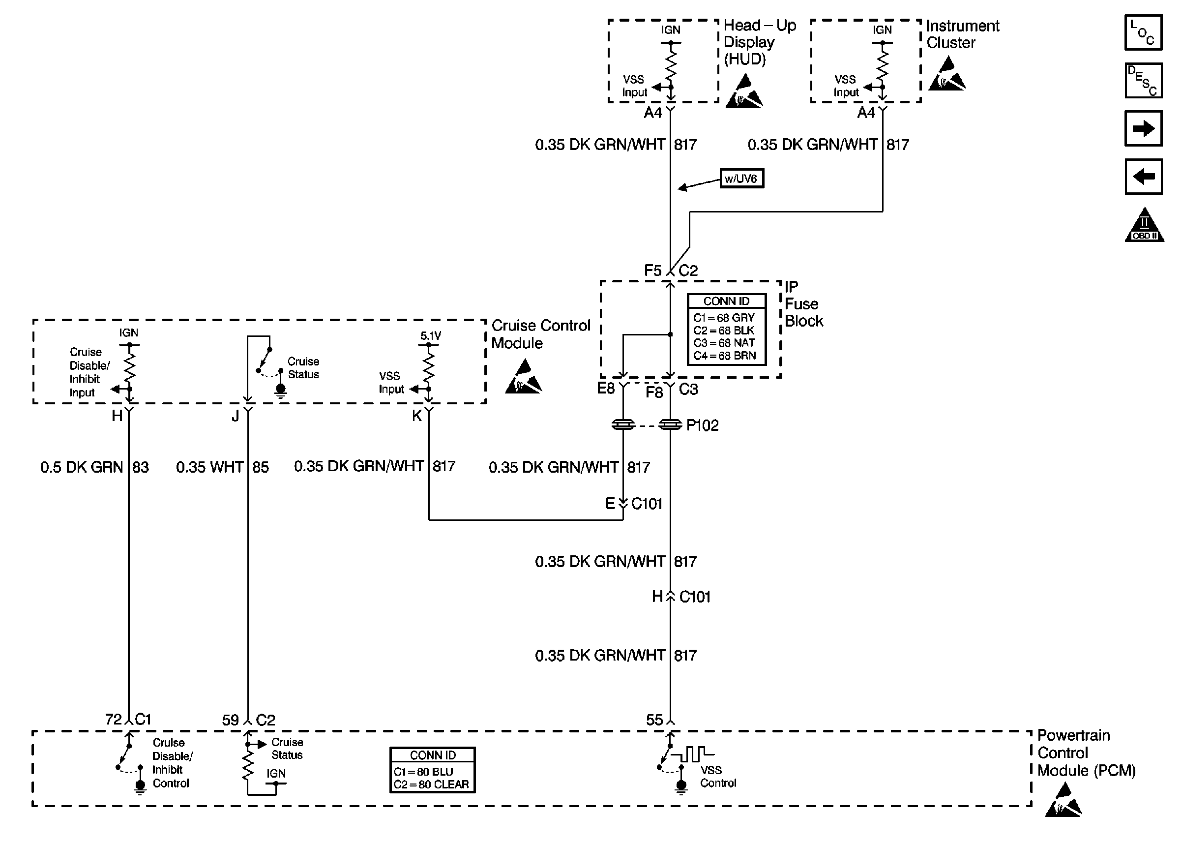
Cell 20: Cruise Control Module and VSS Control


Object Number: 380937  Size: FS
Engine Controls Components
Powertrain Control Module Description
Cell 20: EGR and EVAP Purge Valve
Cell 20: MAF, IAC and Knock Sensors
OBD II Symbol Description Notice
Handling ESD Sensitive Parts Notice
Handling ESD Sensitive Parts Notice
Handling ESD Sensitive Parts Notice
Handling ESD Sensitive Parts Notice
Powertrain Control Module Connector End Views
.

Circuit Description

Output driver modules (ODMs) are used by the PCM to turn on many of the current-driven devices that are needed to control various engine and transaxle functions. Each ODM is capable of controlling up to 7 separate outputs by applying ground to the device which the PCM is commanding ON. Unlike the quad driver modules (QDMs) used in prior model years, ODMs have the capability of diagnosing each output circuit individually. DTC P1585 set indicates an improper voltage level has been detected on the stepper motor cruise control inhibit control circuit.

Conditions for Running the DTC

The ignition is ON.

Conditions for Setting the DTC

    • An improper voltage level has been detected on the cruise control inhibit control circuit.
    • The above conditions are present for at least 30 seconds.

Action Taken When the DTC Sets

The PCM stores conditions which were present when the DTC set as Failure Records only. This information will not be stored as Freeze Frame Records.

Conditions for Clearing the MIL/DTC

    • The DTC becomes history when the conditions for setting the DTC are no longer present.
    • The history DTC clears after 40 malfunction free warm-up cycles.
    • The PCM receives a clear code command from the scan tool.

Diagnostic Aids

Check for the following conditions:

    • Poor connection at the PCM or the cruise control module
        Inspect harness connectors for backed out terminals, improper mating, broken locks, improperly formed or damaged terminals, and poor terminal to wire connection.
    • Damaged harness
        Inspect the wiring harness for damage. If the harness appears to be OK, disconnect the PCM, turn the ignition ON and observe a digital multimeter connected between the cruise control inhibit control circuit and ground at the PCM harness connector while moving connectors and wiring harnesses related to the stepper motor cruise control module. A change in voltage will indicate the location of the malfunction.

Reviewing the Fail Records vehicle mileage since the diagnostic test last failed may help determine how often the condition that caused the DTC to be set occurs. This may assist in diagnosing the condition.

Test Description

The numbers below refer to the step numbers on the diagnostic table.

  1. The ignition feed voltage should normally be present on the control circuit with the PCM disconnected and the ignition turned ON.

  2. This step checks for a shorted component or a short to B+ on the control circuit. Either condition would result in a measured current of over 500 milliamps. This step also checks for a component that is going open while being operated, resulting in a measured current of 0 milliamps.

  3. This step checks for a short to voltage on the control circuit.

  4. This vehicle is equipped with a PCM which utilizes an electrically erasable programmable read-only memory (EEPROM). When the PCM is replaced, the new PCM must be programmed.

DTC P1585 -- Cruise Control Inhibit Control Circuit

Step

Action

Values

Yes

No

1

Did you perform the Powertrain On Board Diagnostic (OBD) System Check?

--

Go to Step 2

Go to Powertrain On Board Diagnostic (OBD) System Check

2

  1. Turn OFF the ignition.
  2. Disconnect the PCM.
  3. Turn ON the ignition, leaving the engine OFF.
  4. Use a digital multimeter (DMM) in order to measure the voltage between the stepper motor cruise control (SMCC) module control circuit and ground at the PCM harness connector .

Is the voltage approximately equal to the specified value?

B+

Go to Step 3

Go to Step 6

3

  1. Use the DMM in order to measure the current between the cruise inhibit control circuit and ground at the PCM harness connector.
  2. Monitor the current reading on the DMM for at least 2 minutes.

Does the current remain within the specified range?

0.001-0.5 amp

Go to Step 11

Go to Step 4

4

  1. Turn OFF the ignition.
  2. Disconnect the SMCC module. Leave the PCM disconnected.
  3. Turn ON the ignition, leaving the engine OFF.
  4. Use the DMM in order to measure the voltage between the cruise inhibit control circuit and ground.

Is the voltage equal to the specified value?

0 V

Go to Step 10

Go to Step 5

5

Locate and repair the short to voltage in the cruise inhibit control circuit. Refer to Wiring Repairs in Wiring Systems.

Did you complete the repair?

--

Go to Step 16

--

6

  1. Turn OFF the ignition.
  2. Check the ignition feed fuse for the stepper motor cruise control module.

Is the fuse open?

--

Go to Step 7

Go to Step 8

7

  1. Locate and repair the short to ground in ignition feed circuit for the stepper motor cruise control module. Refer to Repairing Connector Terminals in Wiring Systems.
  2. Replace the fuse.

Did you complete the repair?

--

Go to Step 16

--

8

  1. Disconnect the SMCC module.
  2. Turn ON the ignition, leaving the engine OFF.
  3. Measure the voltage between the ignition feed circuit for the stepper motor cruise control module and ground.

Is voltage approximately equal to the specified value?

B+

Go to Step 9

Go to Step 13

9

  1. Check the cruise inhibit control circuit for an open or a short to ground.
  2. If you find a problem, repair the cruise inhibit control circuit. Refer to Wiring Repairs in Wiring Systems.

Did you find a problem?

--

Go to Step 16

Go to Step 10

10

  1. Check for the following conditions:
  2. • A faulty connection between the cruise inhibit control circuit and the PCM
    • A faulty connection between the cruise inhibit control circuit and the SMCC module
    • A faulty connection between the SMCC module ignition feed circuit and the SMCC module
  3. If you find a problem, replace any loose terminals as necessary. Refer to Testing for Intermittent Conditions and Poor Connections in Wiring Systems.

Did you find a problem?

--

Go to Step 16

Go to Step 14

11

  1. Turn OFF the ignition.
  2. Reconnect the PCM.
  3. Disconnect the SMCC module.
  4. Turn ON the ignition, leaving the engine OFF.
  5. Connect a test lamp between the cruise inhibit control circuit and the ignition feed circuit at the SMCC module harness connector.
  6. Using the scan tool outputs test function, cycle the cruise inhibit output ON and OFF.

Does the test lamp flash ON and OFF?

--

Go to Diagnostic Aids

Go to Step 12

12

  1. Check the cruise inhibit control circuit for a faulty connection at the PCM.
  2. If a problem is found, replace any loose terminals. Refer to Testing for Intermittent Conditions and Poor Connections in Wiring Systems.

Did you find a problem?

--

Go to Step 16

Go to Step 15

13

Locate and repair an open in the ignition feed circuit to the SMCC module. Refer to Wiring Repairs in Wiring Systems.

Did you complete the repair?

--

Go to Step 16

--

14

Replace the SMCC module. Refer to Cruise Control Module Replacement in Cruise Control.

Did you complete the repair?

--

Go to Step 16

--

15

Important: The replacement PCM must be programmed.

Replace the PCM. Refer to Powertrain Control Module Replacement/Programming .

Did you complete the repair?

--

Go to Step 16

--

16

  1. Review and record the scan tool Failure Records data.
  2. Clear the DTCs.
  3. Operate the vehicle within the Failure Records conditions.
  4. Use the scan tool in order to monitor the Specific DTC info for DTC P1585 until the DTC test runs.

Does the scan tool indicate DTC P1585 failed this ignition?

--

Go to Step 2

System OK