GM Service Manual Online
For 1990-2009 cars only
Makes
🢒
Pontiac
🢒
2001
🢒
Bonneville
🢒
Restraints
🢒
SIR
🢒 SIR Schematics
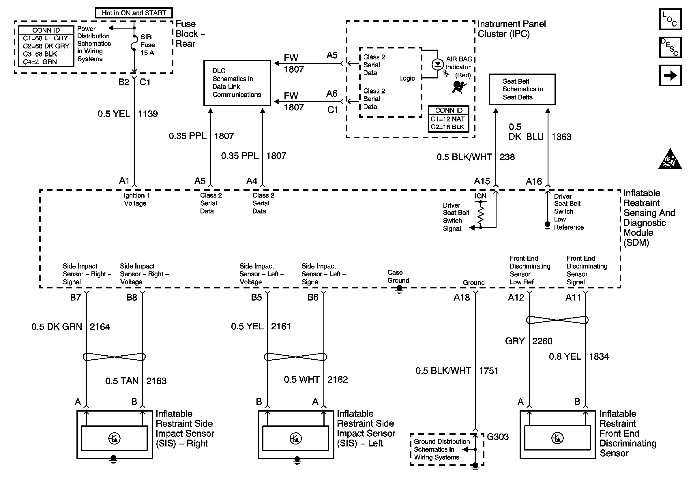
Figure
1:
Power, Ground, and Sensors
Master Electrical Component List
Battery Voltage to the Rear Fuse Block
Class 2 Serial Data
Seat Belt Schematic
G303, G305, G310, and G404
Figure
2:
Module Controls
Master Electrical Component List
Power, Ground, and Sensors