GM Service Manual Online
For 1990-2009 cars only
Makes
🢒
Pontiac
🢒
2001
🢒
Bonneville
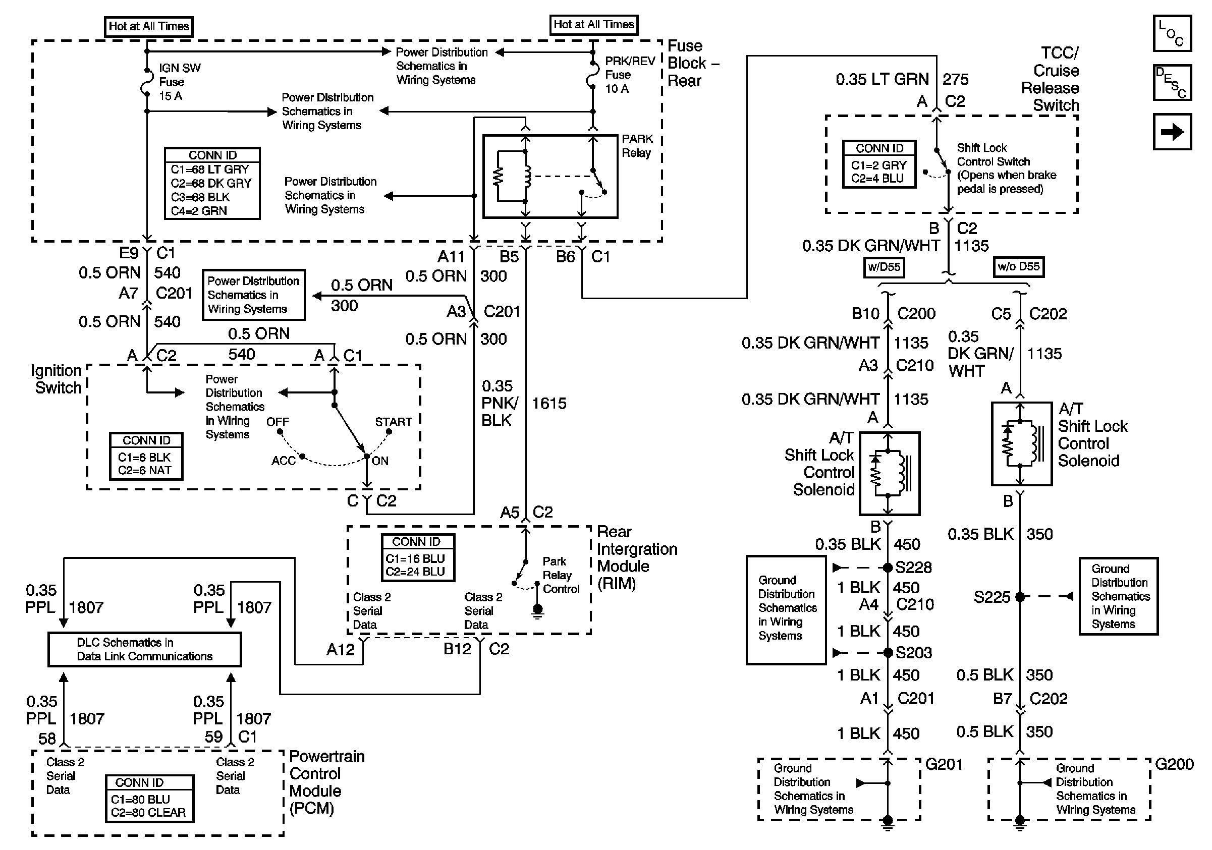
🢒 Power, Ground, and Solenoid Circuits
Power, Ground, and Solenoid Circuits
Power, Ground, and Solenoid Circuits
Master Electrical Component List
Automatic Transmission Shift Lock Control Description and Operation
Internal Mode Switch Inputs
Battery Voltage to the Rear Fuse Block
Battery Voltage to the Rear Fuse Block
IGN SW, PRK/REV Fuses and the PARK and REVERSE Relays (Fuse Block -Rear)
Ignition Switch Positions
Class 2 Serial Data
G201 (1 of 2)
G201 (1 of 2)
G200
G200