GM Service Manual Online
For 1990-2009 cars only
Figure 1:

PCM Power, Ground, Serial Data and MIL


Object Number: 766013  Size: FS
Battery Feed to the Fuse Block Underhood
ABS, PCM BATT Fuses and the Cool Fan 1 Relay (Fuse Block Underhood)
G104 and G105
Master Electrical Component List
Engine Data Sensors - 5 Volt and Low Reference
Serial Data Class 2
Figure 2:

Engine Data Sensors - 5 Volt and Low Reference


Object Number: 786270  Size: FS
Master Electrical Component List
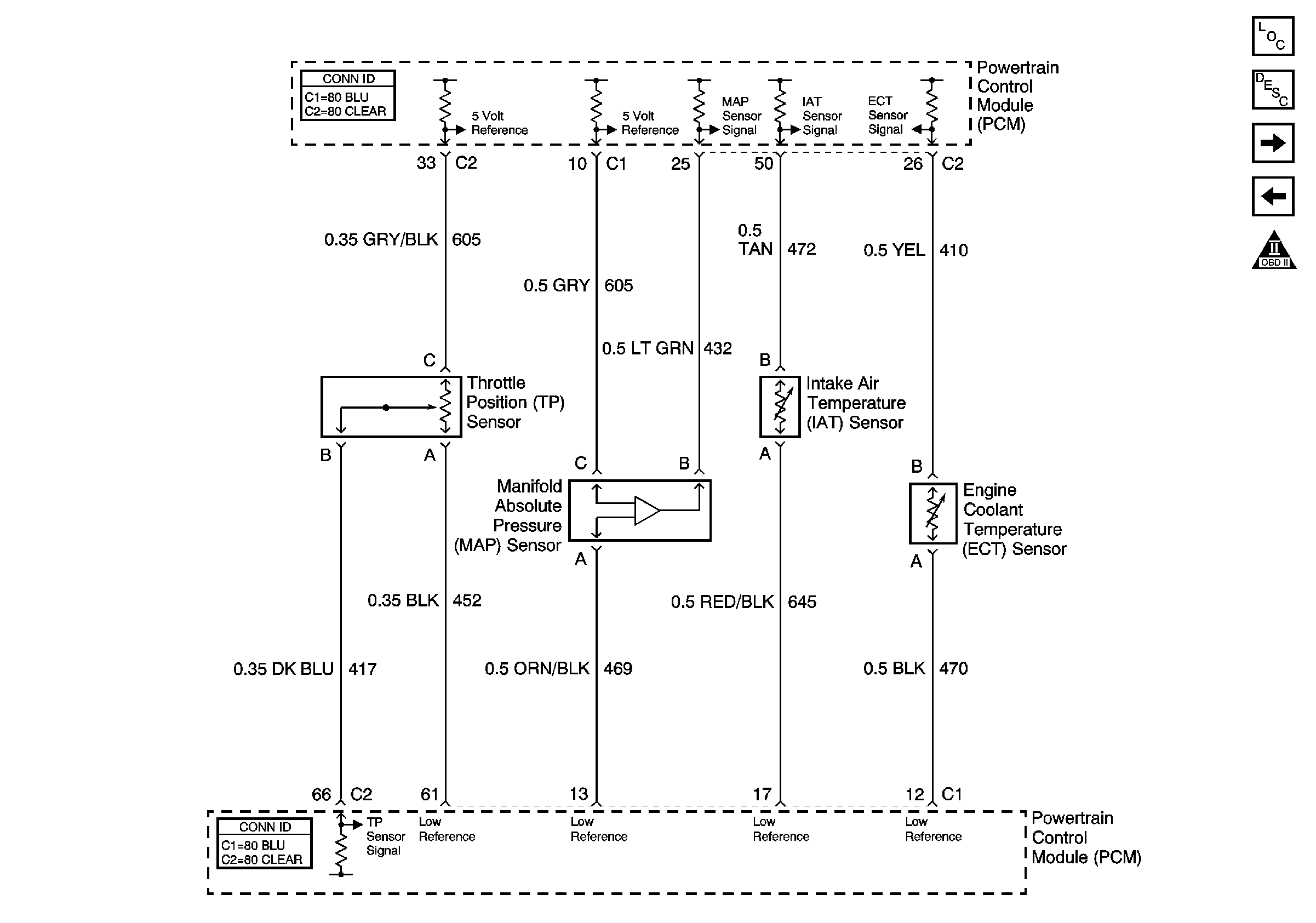
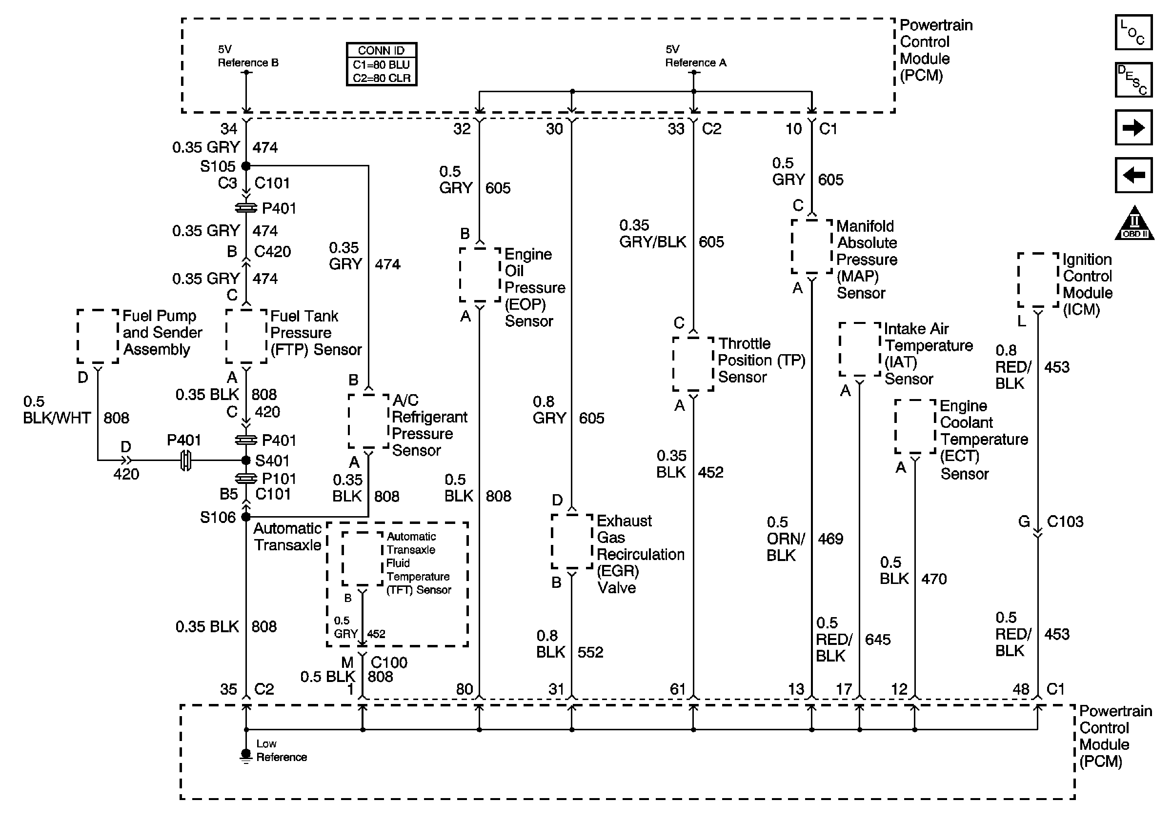
Engine Data Sensors - Pressure and Temperature
PCM Power, Ground, Serial Data and MIL
OBD II Symbol Description Notice
Figure 3:

Engine Data Sensors - Pressure and Temperature


Object Number: 766020  Size: FS
Master Electrical Component List
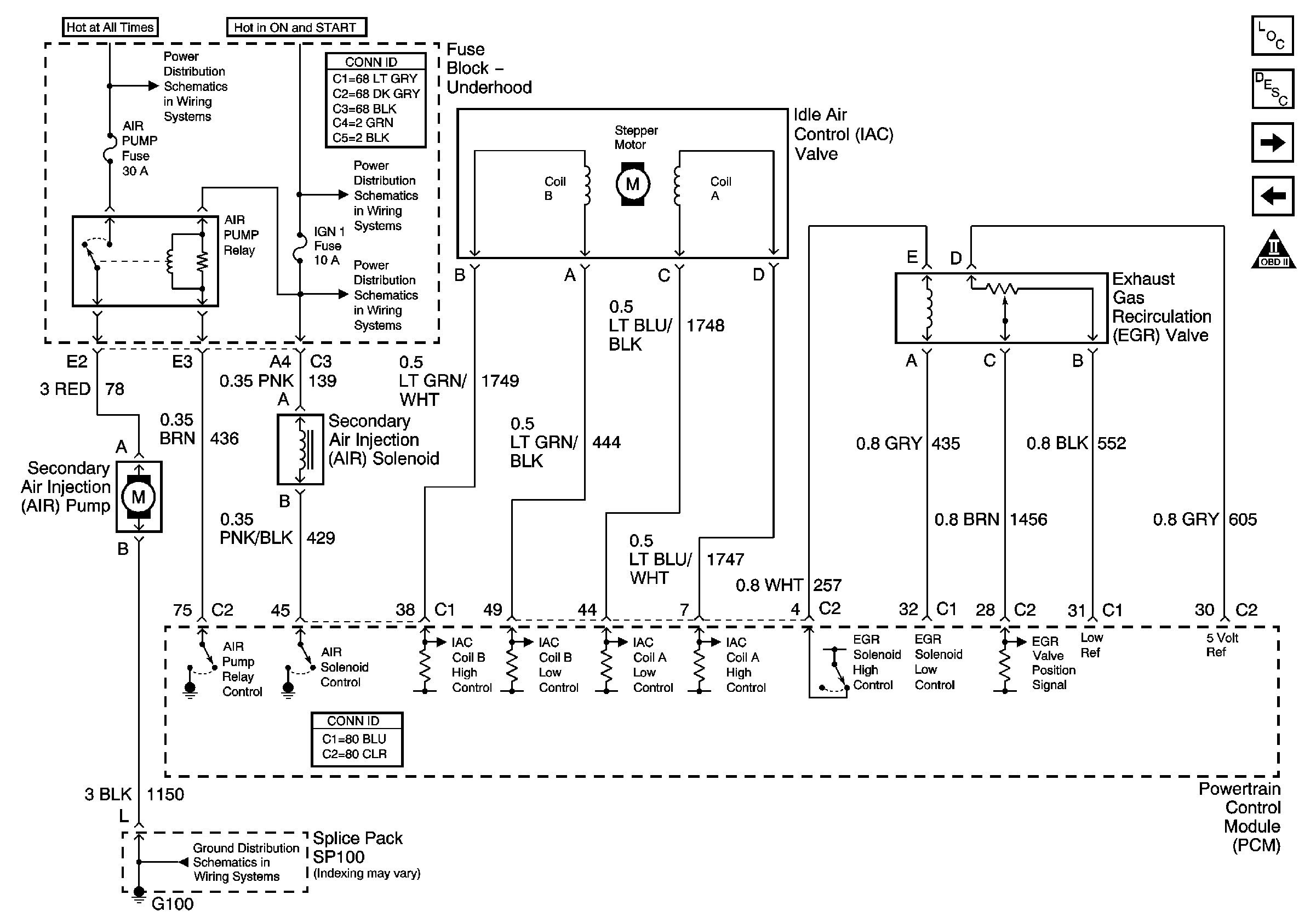
Engine Data Sensors - MAF, VSS and Extended Brake Travel Switch
Engine Data Sensors - 5 Volt and Low Reference
Figure 4:

Engine Data Sensors - MAF, VSS and Extended Brake Travel Switch


Object Number: 766024  Size: FS
Master Electrical Component List
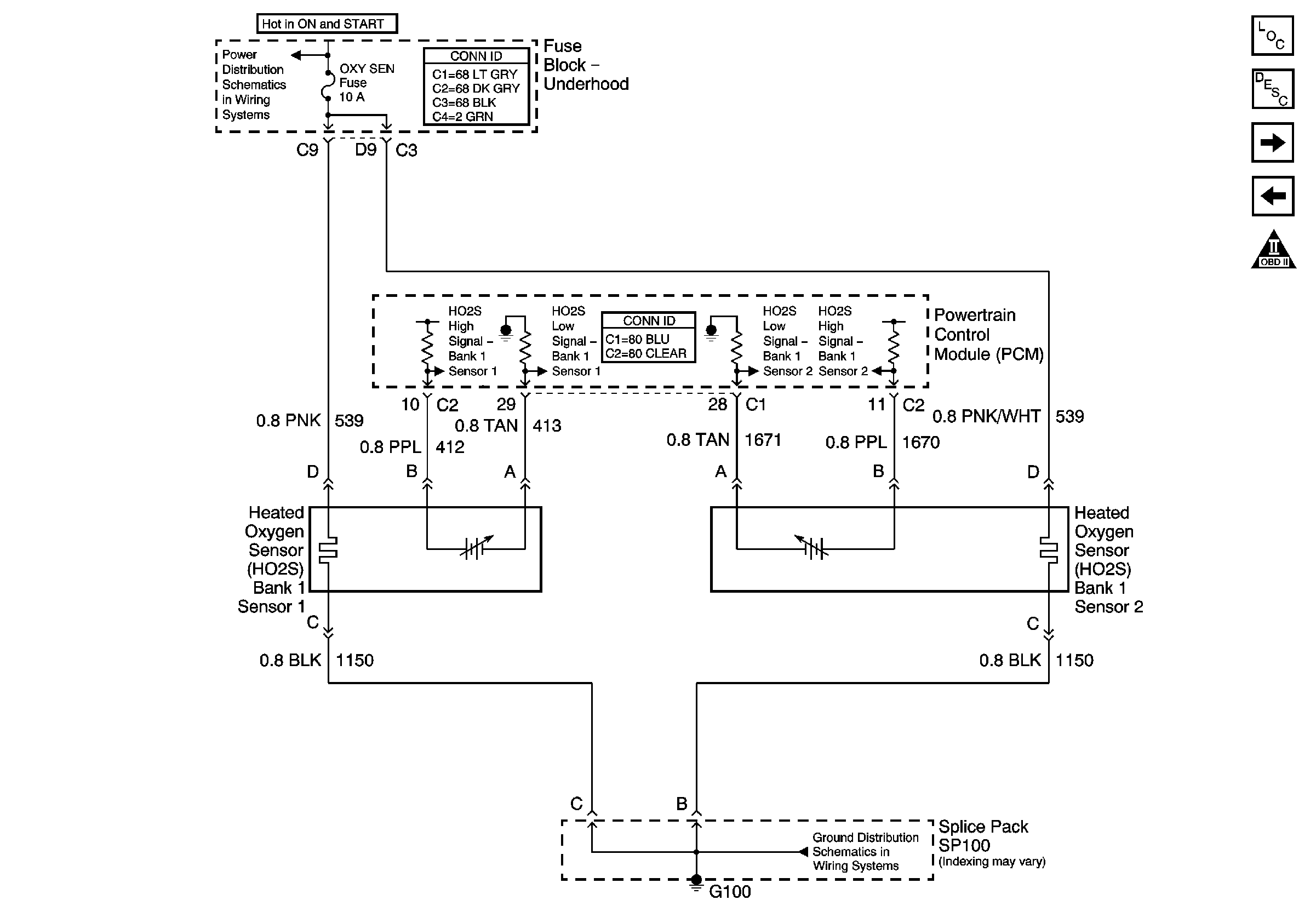
Heated Oxygen Sensors (HO2S)
Engine Data Sensors - Pressure and Temperature
G104 and G105
Battery Feed to the Fuse Block Underhood
TRANS, DIS, OXY SEN, IGN 1 Fuses and the IGN-1 and AIR Pump Relays(Fuse Block Underhood)
PCM Signals Speedometer, Tachometer, and Fuel Indicators
Transaxle Inputs
G200
Figure 5:

Heated Oxygen Sensors (HO2S)


Object Number: 792118  Size: FS
Master Electrical Component List
TRANS, DIS, OXY SEN, IGN 1 Fuses and the IGN-1 and AIR Pump Relays(Fuse Block Underhood)
G100 and G102
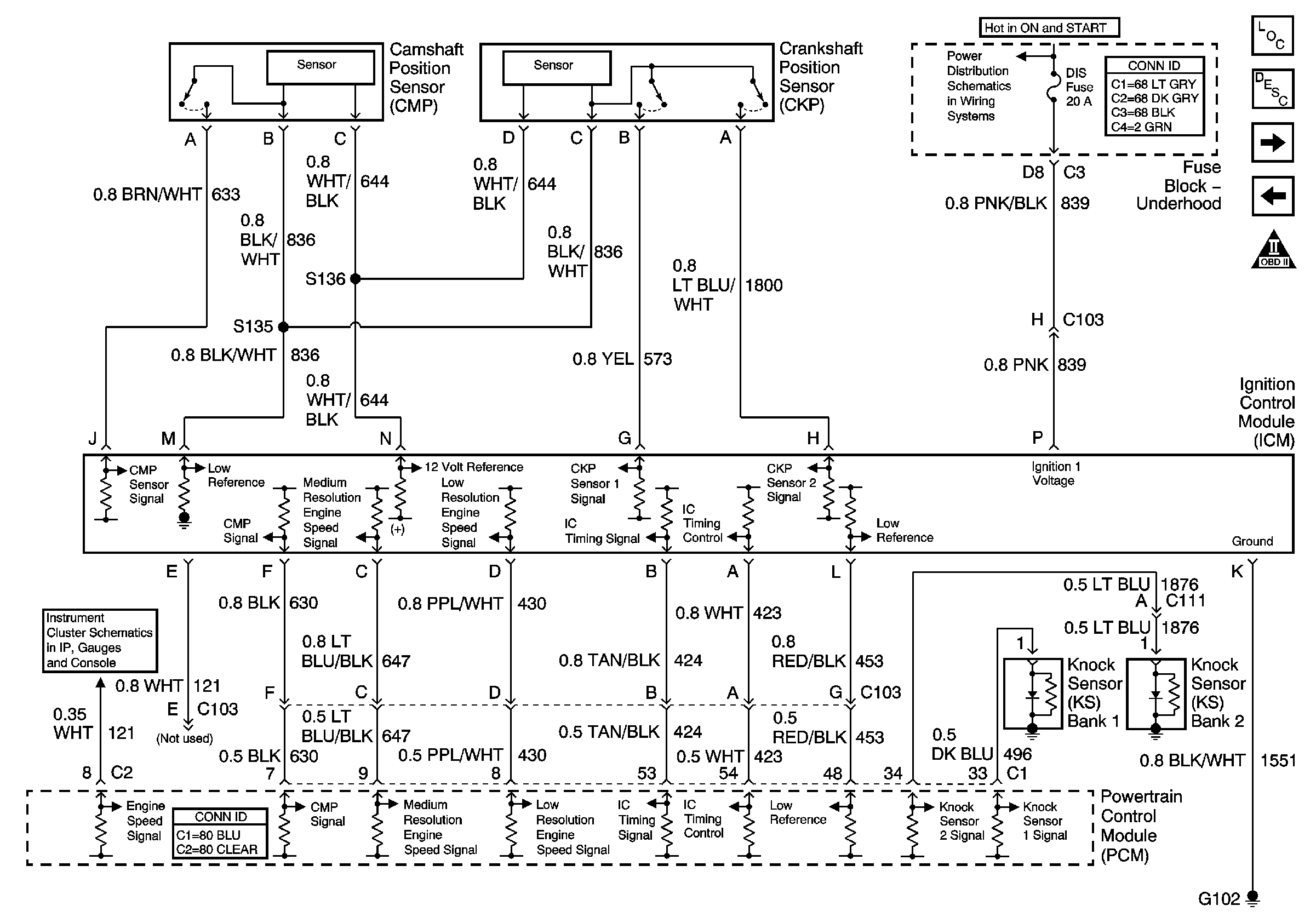
Ignition Controls
Engine Data Sensors - MAF, VSS and Extended Brake Travel Switch
Figure 6:

Ignition Controls


Object Number: 766014  Size: FS
Master Electrical Component List
TRANS, DIS, OXY SEN, IGN 1 Fuses and the IGN-1 and AIR Pump Relays(Fuse Block Underhood)
Fuel Pump Controls
Heated Oxygen Sensors (HO2S)
PCM Signals Speedometer, Tachometer, and Fuel Indicators
Figure 7:

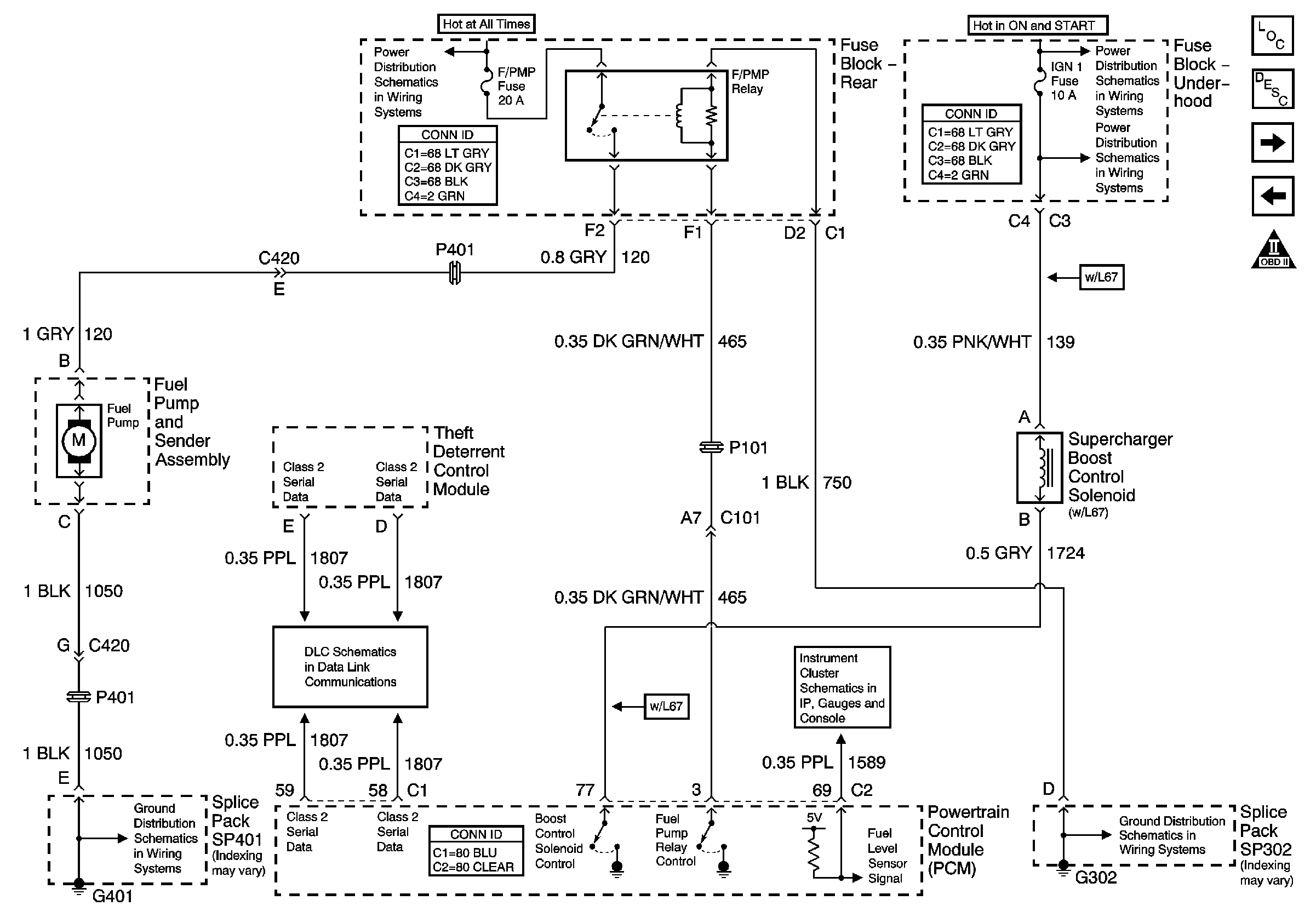
Fuel Pump Controls


Object Number: 766017  Size: FS
Master Electrical Component List
Battery Voltage to the Rear Fuse Block
G401 (1 of 2)
Battery Feed to the Fuse Block Underhood
TRANS, DIS, OXY SEN, IGN 1 Fuses and the IGN-1 and AIR Pump Relays(Fuse Block Underhood)
G302
Fuel Injectors
Ignition Controls
Serial Data Class 2
PCM Signals Speedometer, Tachometer, and Fuel Indicators
Figure 8:

Fuel Injectors


Object Number: 717762  Size: FS
Master Electrical Component List
INJR 2, PCM IGN, CR CONT, INJR 1 Fuses and the START 2 Relay (Fuse Block Underhood)
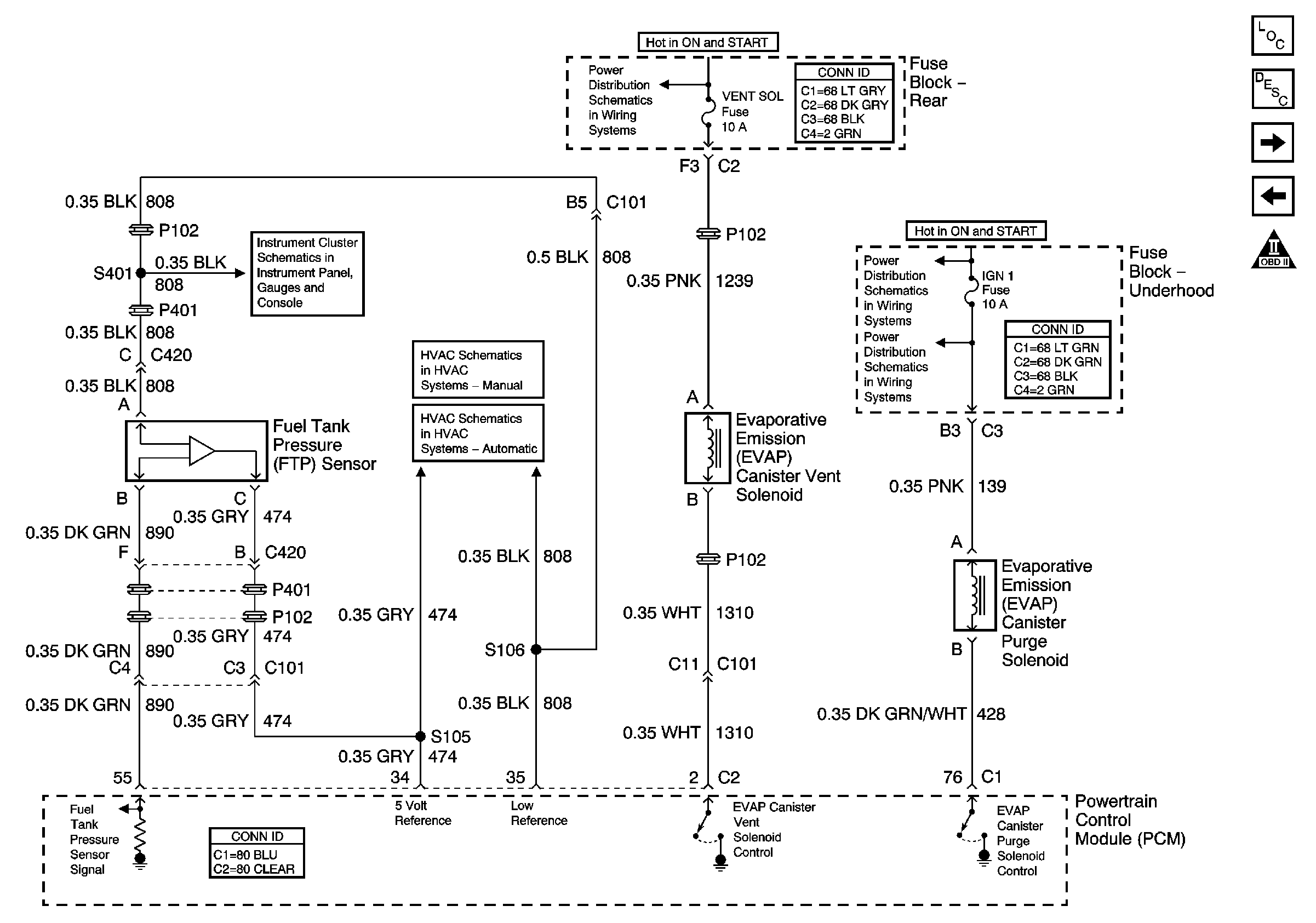
Fuel Sensor and EVAP Solenoid Controls
Fuel Pump Controls
OBD II Symbol Description Notice
Figure 9:

Fuel Sensor and EVAP Solenoid Controls


Object Number: 766022  Size: FS
Master Electrical Component List
PCM Signals Speedometer, Tachometer, and Fuel Indicators
Device Controls
Fuel Injectors
Compressor Controls
Compressor Controls w/CJ2
IGN 1, Vent Sol, and SIR Fuses (Fuse Block Rear)
Battery Feed to the Fuse Block Underhood
TRANS, DIS, OXY SEN, IGN 1 Fuses and the IGN-1 and AIR Pump Relays(Fuse Block Underhood)
Figure 10:

Device Controls


Object Number: 785074  Size: FS
Master Electrical Component List
Controlled/Monitored Subsystem References
Fuel Sensor and EVAP Solenoid Controls
AIR, C/LTR, AUX PWR, WSW, ACCY Fuses and the AIR Pump and ACCY Relays(Fuse Block Underhood)
TRANS, DIS, OXY SEN, IGN 1 Fuses and the IGN-1 and AIR Pump Relays(Fuse Block Underhood)
TRANS, DIS, OXY SEN, IGN 1 Fuses and the IGN-1 and AIR Pump Relays(Fuse Block Underhood)
G100 and G102
Figure 11:

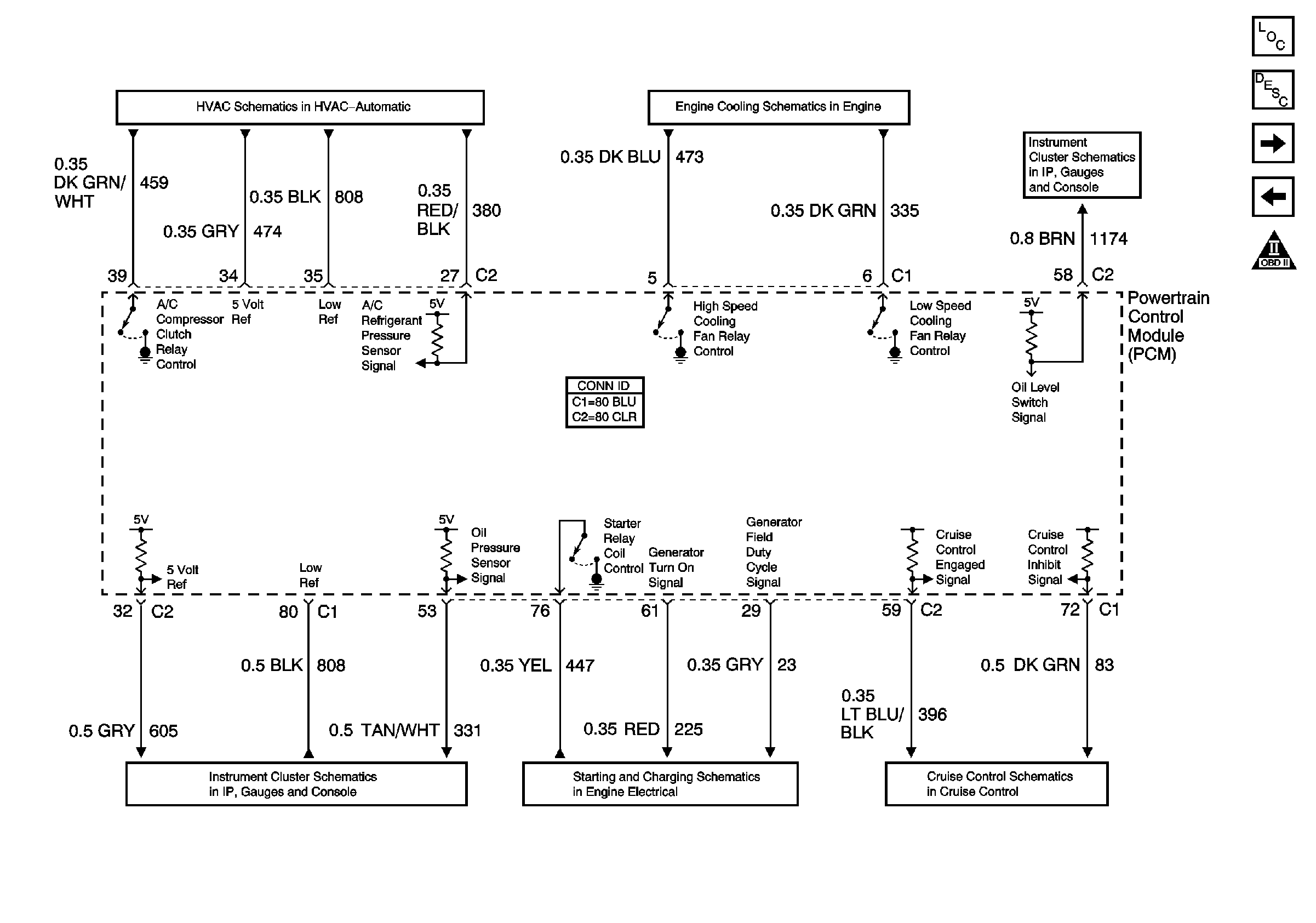
Controlled/Monitored Subsystem References


Object Number: 766025  Size: FS
Master Electrical Component List
Compressor Controls w/CJ2
PCM Signals Boost, Engine Oil, and Volt Indicators
Engine Cooling Schematic
Generator Control
DIC Switch (w/U50)
Cruise Control Module and VSS
Transmission Controls
Device Controls
Figure 12:

Transmission Controls


Object Number: 766026  Size: FS
Master Electrical Component List
Power to the Transaxle and Solenoid Controls
Internal Mode Switch Inputs
Traction Control (NW9)
Transaxle Inputs
Controlled/Monitored Subsystem References
OBD II Symbol Description Notice