GM Service Manual Online
For 1990-2009 cars only
Figure 1:

Battery Feed to the Fuse Block Underhood


Object Number: 804060  Size: FS
Master Electrical Component List
G303, G305, G310, and G404
Battery Voltage to the Rear Fuse Block
Battery Voltage to the Rear Fuse Block
Figure 2:

Battery Voltage to the Rear Fuse Block


Object Number: 737252  Size: FS
Master Electrical Component List
Battery Feed to the Fuse Block Underhood
TRANS, DIS, OXY SEN, IGN 1 Fuses and the IGN-1 and AIR Pump Relays(Fuse Block Underhood)
Battery Feed to the Fuse Block Underhood
Figure 3:

TRANS, DIS, OXY SEN, IGN 1 Fuses and the IGN-1 and AIR Pump Relays (Fuse Block Underhood)


Object Number: 662587  Size: FS
Master Electrical Component List
INJR 2, PCM IGN, CR CONT, INJR 1 Fuses and the START 2 Relay (Fuse Block Underhood)
INJR 2, PCM IGN, CR CONT, INJR 1 Fuses and the START 2 Relay (Fuse Block Underhood)
Battery Voltage to the Rear Fuse Block
Figure 4:

INJR 2, PCM IGN, CR CONT, INJR 1 Fuses and the START 2 Relay (Fuse Block Underhood)


Object Number: 662591  Size: FS
Master Electrical Component List
TRANS, DIS, OXY SEN, IGN 1 Fuses and the IGN-1 and AIR Pump Relays(Fuse Block Underhood)
Start, Horn, A/C CLU Fuses and Relays (Fuse Block Underhood)
TRANS, DIS, OXY SEN, IGN 1 Fuses and the IGN-1 and AIR Pump Relays(Fuse Block Underhood)
Figure 5:

Start, Horn, A/C CLU Fuses and Relays (Fuse Block Underhood)


Object Number: 662594  Size: FS
Master Electrical Component List
Fog Lamp and Headlamp Fuses and Relays (Fuse Block Underhood)
INJR 2, PCM IGN, CR CONT, INJR 1 Fuses and the START 2 Relay (Fuse Block Underhood)
Figure 6:

Fog Lamp and Headlamp Fuses and Relays (Fuse Block Underhood)


Object Number: 662597  Size: FS
Master Electrical Component List
ABS, PCM BATT Fuses and the Cool Fan 1 Relay (Fuse Block Underhood)
Start, Horn, A/C CLU Fuses and Relays (Fuse Block Underhood)
Figure 7:

ABS, PCM BATT Fuses and the Cool Fan 1 Relay (Fuse Block Underhood)


Object Number: 765223  Size: FS
Master Electrical Component List
AIR, C/LTR, AUX PWR, WSW, ACCY Fuses and the AIR Pump and ACCY Relays(Fuse Block Underhood)
Fog Lamp and Headlamp Fuses and Relays (Fuse Block Underhood)
Figure 8:

AIR, C/LTR, AUX PWR, WSW, ACCY Fuses and the AIR Pump and ACCY Relays (Fuse Block Underhood)


Object Number: 765218  Size: FS
Master Electrical Component List
HTDST RF, HTDST LF, DIM, and Mem Fuses (Fuse Block Rear)
ABS, PCM BATT Fuses and the Cool Fan 1 Relay (Fuse Block Underhood)
Figure 9:

HTDST RF, HTDST LF, DIM, and Mem Fuses (Fuse Block Rear)


Object Number: 765215  Size: FS
Master Electrical Component List
HVAC BATT, DRV MDL, PASS MDL, and RRDRMDL Fuses (Fuse Block Rear)
AIR, C/LTR, AUX PWR, WSW, ACCY Fuses and the AIR Pump and ACCY Relays(Fuse Block Underhood)
Figure 10:

HVAC BATT, DRV MDL, PASS MDL, and RRDRMDL Fuses (Fuse Block Rear)


Object Number: 765213  Size: FS
Master Electrical Component List
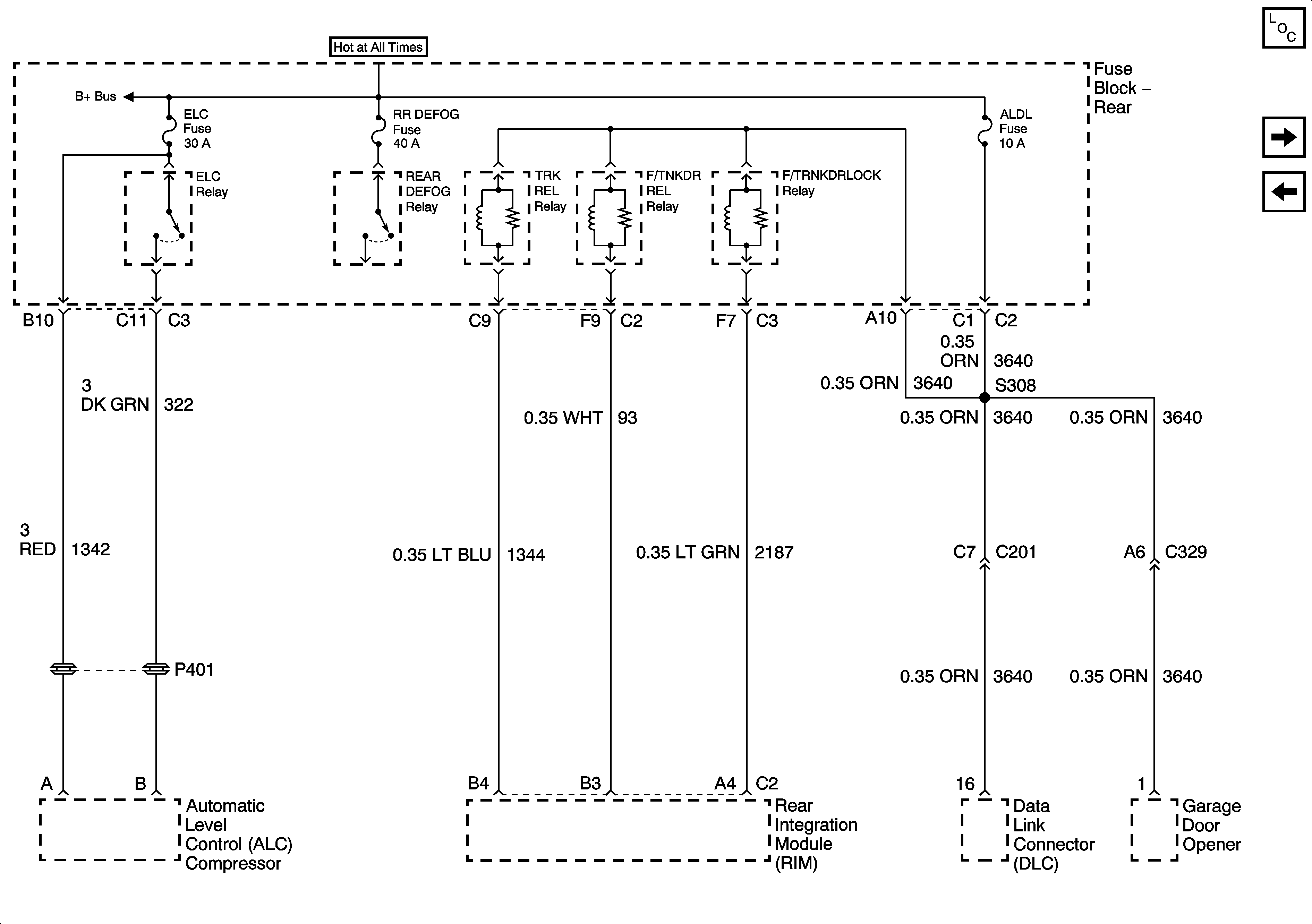
ELC, RRFOG, ALDL Fuses, and the ELC, REAR DEFOG, F/TNKDR REL, and F/TNKDRLOCK Relays (Fuse Block Rear)
HTDST RF, HTDST LF, DIM, and Mem Fuses (Fuse Block Rear)
Figure 11:

ELC, RRFOG, ALDL Fuses, and the ELC, REAR DEFOG, F/TNKDR REL, and F/TNKDR LOCK Relays (Fuse Block Rear)


Object Number: 765206  Size: FS
Master Electrical Component List
PWR WDO and PWR SEAT Fuses (Fuse Block Rear)
HVAC BATT, DRV MDL, PASS MDL, and RRDRMDL Fuses (Fuse Block Rear)
Figure 12:

PWR WDO and PWR SEAT Fuses (Fuse Block Rear)


Object Number: 765204  Size: FS
Master Electrical Component List
LP PK L, LP PK R, and DIMR Fuses (Fuse Block Rear)
ELC, RRFOG, ALDL Fuses, and the ELC, REAR DEFOG, F/TNKDR REL, and F/TNKDRLOCK Relays (Fuse Block Rear)
Figure 13:

LP PK L, LP PK R, and DIMR Fuses (Fuse Block Rear)


Object Number: 662616  Size: FS
Master Electrical Component List
TSIG/HAZ, STOP LP, AUDIO, and CD Fuses (Fuse Block Rear)
PWR WDO and PWR SEAT Fuses (Fuse Block Rear)
Figure 14:

TSIG/HAZ, STOP LP, AUDIO, and CD Fuses (Fuse Block Rear)


Object Number: 765202  Size: FS
Master Electrical Component List
IP, CIGAR Fuses, and the CIGAR Relay (Fuse Block Rear)
LP PK L, LP PK R, and DIMR Fuses (Fuse Block Rear)
Figure 15:

IP, CIGAR Fuses, and the CIGAR Relay (Fuse Block Rear)


Object Number: 765201  Size: FS
Master Electrical Component List
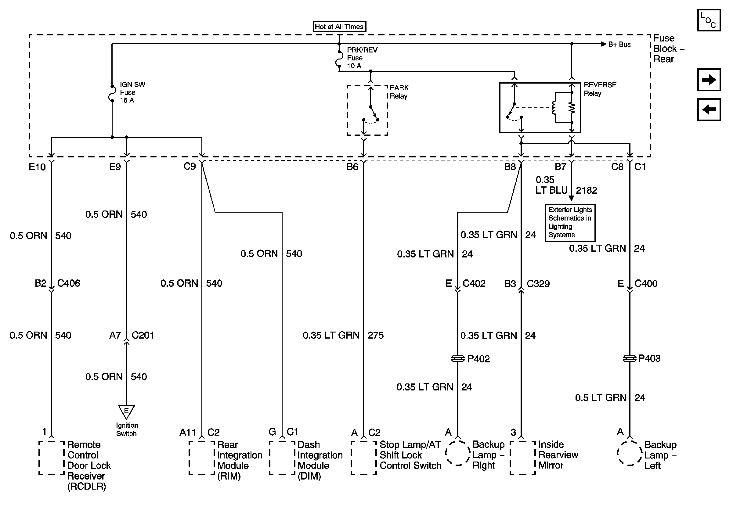
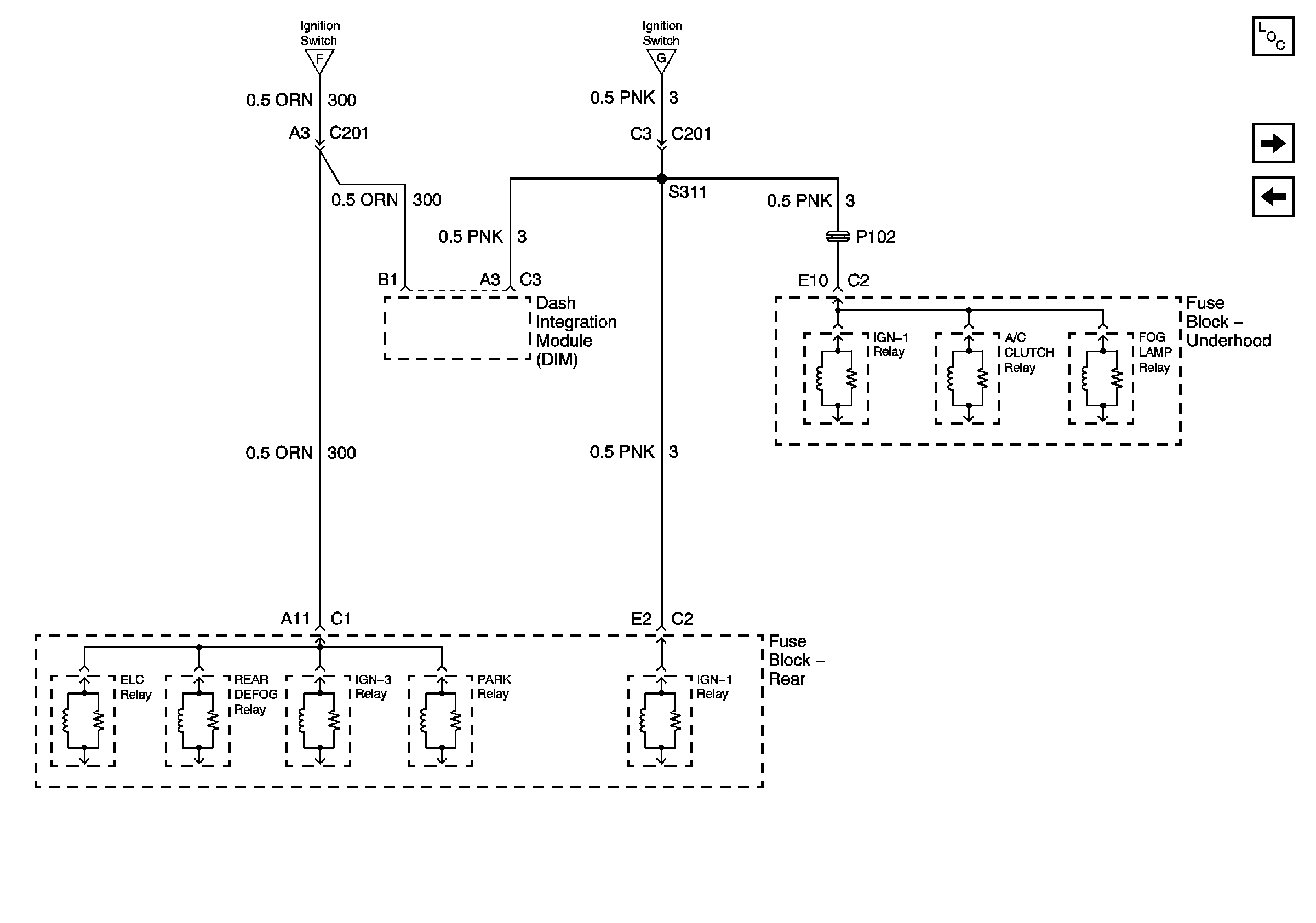
IGN SW, PRK/REV Fuses and the PARK and REVERSE Relays (Fuse Block Rear)
TSIG/HAZ, STOP LP, AUDIO, and CD Fuses (Fuse Block Rear)
Figure 16:

IGN SW, PRK/REV Fuses and the PARK and REVERSE Relays (Fuse Block Rear)


Object Number: 765200  Size: FS
Master Electrical Component List
Ignition Switch Positions
IP, CIGAR Fuses, and the CIGAR Relay (Fuse Block Rear)
Figure 17:

Ignition Switch Positions


Object Number: 765198  Size: FS
Master Electrical Component List
IGN SW, PRK/REV Fuses and the PARK and REVERSE Relays (Fuse Block Rear)
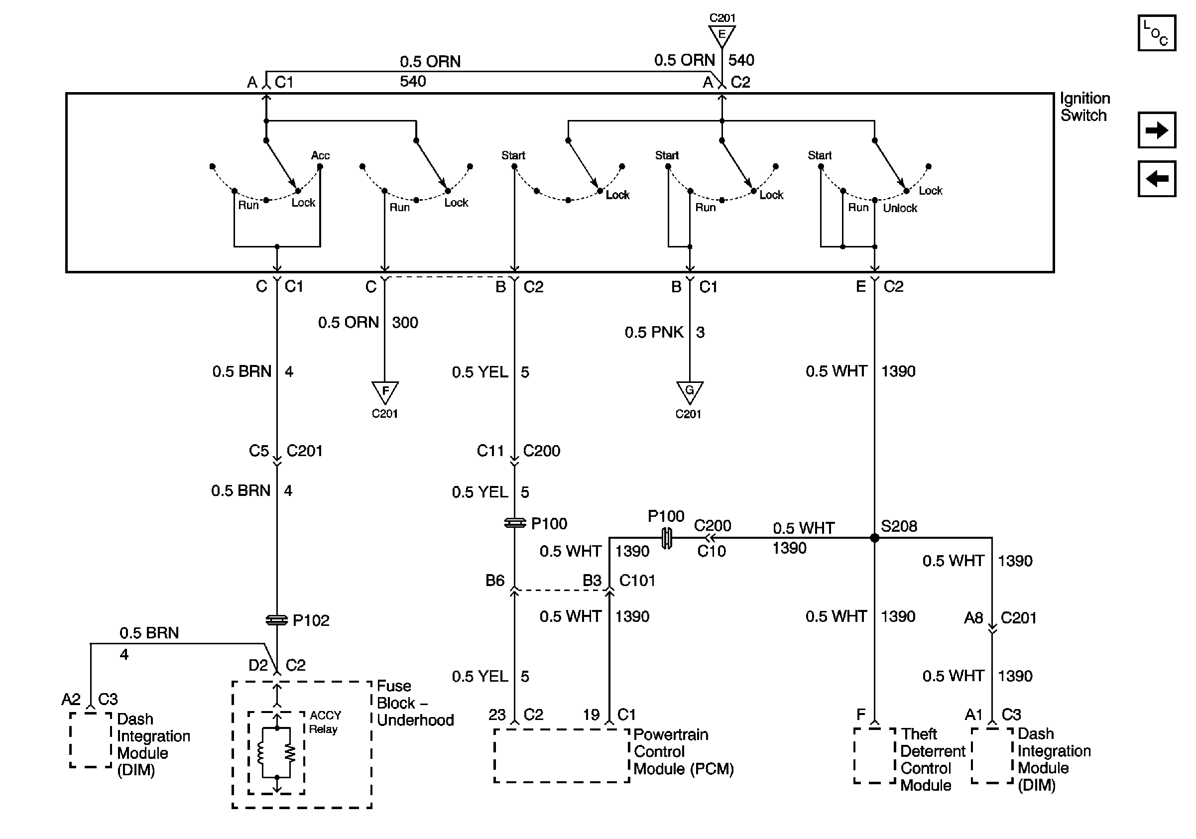
Ignition Switch RUN and START/RUN Positions
Ignition Switch RUN and START/RUN Positions
Ignition Switch RUN and START/RUN Positions
IGN SW, PRK/REV Fuses and the PARK and REVERSE Relays (Fuse Block Rear)
Figure 18:

Ignition Switch RUN and START/RUN Positions


Object Number: 765195  Size: FS
Master Electrical Component List
Ignition Switch Positions
Ignition Switch Positions
IGN 1, Vent Sol, and SIR Fuses (Fuse Block Rear)
Ignition Switch Positions
Figure 19:

IGN 1, Vent Sol, and SIR Fuses (Fuse Block Rear)


Object Number: 765194  Size: FS
Master Electrical Component List
IGN3 and ABS Fuses (Fuse Block Rear)
Ignition Switch RUN and START/RUN Positions
Figure 20:

IGN3 and ABS Fuses (Fuse Block Rear)


Object Number: 765193  Size: FS
Master Electrical Component List
HVAC Fuse (Fuse Block Rear)
IGN 1, Vent Sol, and SIR Fuses (Fuse Block Rear)
Figure 21:

HVAC Fuse (Fuse Block Rear)


Object Number: 765189  Size: FS
Master Electrical Component List
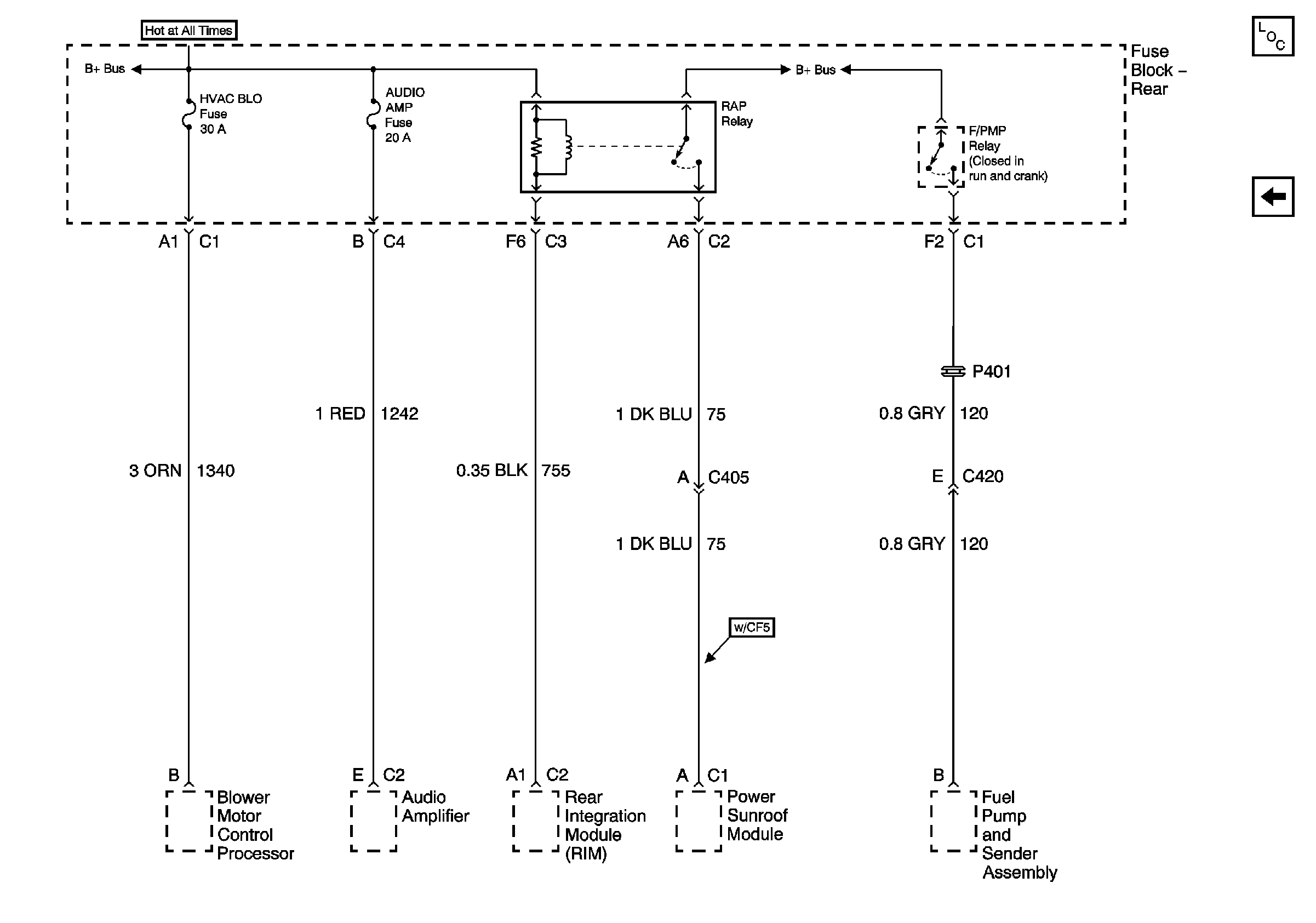
HVAC BLO, AUDIO AMP Fuses and the RAP and F/PMP Relays (Fuse Block Rear)
IGN3 and ABS Fuses (Fuse Block Rear)
Figure 22:

HVAC BLO, AUDIO AMP Fuses and the RAP and F/PMP Relays (Fuse Block Rear)


Object Number: 765187  Size: FS
Master Electrical Component List
HVAC Fuse (Fuse Block Rear)